IPB

Здравствуйте, гость ( Вход | Регистрация )

 
Ответить в эту темуОткрыть новую тему
> МС9002.01, БП для КВАНТ 4С
SuperMax
сообщение 2.2.2025, 17:53
Сообщение #1


Администратор
*****

Группа: Root Admin
Сообщений: 6 346
Регистрация: 7.1.2006
Из: Красноярск
Пользователь №: 1



Внешний вид
Прикрепленное изображение


Документация
Прикрепленный файл  MC9002_01_MC9002_passport.pdf ( 456.92 килобайт ) Кол-во скачиваний: 257

Прикрепленный файл  MC9002_01_Tech_manual.pdf ( 2.19 мегабайт ) Кол-во скачиваний: 239


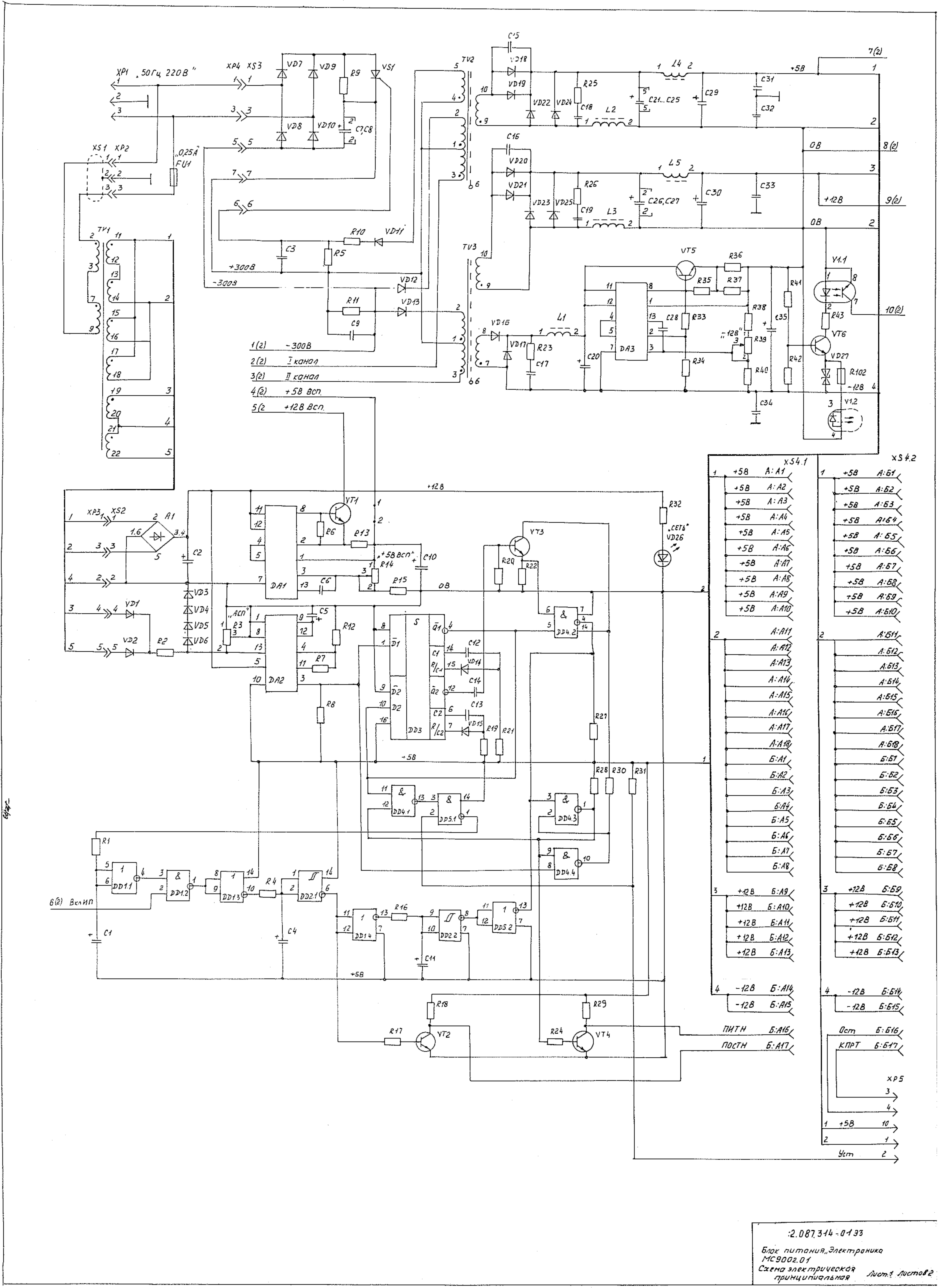
Схема
Прикрепленное изображение
Прикрепленное изображение
Прикрепленный файл  MC9002_01_MC9002_elements_list.pdf ( 1.38 мегабайт ) Кол-во скачиваний: 262




--------------------
Живы будем - Не помрем !
Пользователь в офлайнеКарточка пользователяОтправить личное сообщение
Вернуться в начало страницы
+Ответить с цитированием данного сообщения

Ответить в эту темуОткрыть новую тему
2 чел. читают эту тему (гостей: 2, скрытых пользователей: 0)
Пользователей: 0

 



Текстовая версия Сейчас: 24.11.2025, 22:17