IPB

Здравствуйте, гость ( Вход | Регистрация )

> Схемы для БК и ее периферии
SuperMax
сообщение 10.1.2009, 15:55
Сообщение #1


Администратор
*****

Группа: Root Admin
Сообщений: 6 373
Регистрация: 7.1.2006
Из: Красноярск
Пользователь №: 1



БП к БК0010 [мой скан]МС9011 он же кирпич
Прикрепленное изображение



--------------------
Живы будем - Не помрем !
Пользователь в офлайнеКарточка пользователяОтправить личное сообщение
Вернуться в начало страницы
+Ответить с цитированием данного сообщения
2 Страницы V  1 2 >  
Ответить в эту темуОткрыть новую тему
Ответов(1 - 19)
SuperMax
сообщение 10.1.2009, 15:56
Сообщение #2


Администратор
*****

Группа: Root Admin
Сообщений: 6 373
Регистрация: 7.1.2006
Из: Красноярск
Пользователь №: 1



Мышка Марсианка

Прикрепленное изображение
Прикрепленное изображение
подключение мышки тут
http://forum.maxiol.com/index.php?showtopic=4905

Джойстик герконовый
Прикрепленное изображение
Прикрепленное изображение
Прикрепленное изображение

схема
общий Б19
левая кнопка - Б22
правая кнопка - A21

сам джойстик
лево - Б17
право - А24
вверх - Б24
вниз - Б23





--------------------
Живы будем - Не помрем !
Пользователь в офлайнеКарточка пользователяОтправить личное сообщение
Вернуться в начало страницы
+Ответить с цитированием данного сообщения
SuperMax
сообщение 10.1.2009, 15:57
Сообщение #3


Администратор
*****

Группа: Root Admin
Сообщений: 6 373
Регистрация: 7.1.2006
Из: Красноярск
Пользователь №: 1



Электроника Д2-36 / Д2-36-01

данные блоки питания использовались для мониторов:
Электроника МС 6105.05
Электроника МС 6105.08
Электроника МС 6105.13
Электроника МС 6105.14
Электроника МС 6105.15
Электроника МС 6105.16

схемы блока питания "Электроника Д2-36
Прикрепленное изображение
Прикрепленное изображение
Прикрепленное изображениеПрикрепленное изображение
схема блока питания "Электроника Д2-36-01
Прикрепленное изображение

Подробно про монитор МС6105


--------------------
Живы будем - Не помрем !
Пользователь в офлайнеКарточка пользователяОтправить личное сообщение
Вернуться в начало страницы
+Ответить с цитированием данного сообщения
SuperMax
сообщение 10.1.2009, 16:01
Сообщение #4


Администратор
*****

Группа: Root Admin
Сообщений: 6 373
Регистрация: 7.1.2006
Из: Красноярск
Пользователь №: 1



Монитор ВК8071.01 КОРВЕТ
cхема
Прикрепленное изображение

паспорт
Прикрепленный файл  ______________________________8071.01__________________________________.djvu ( 5.2 мегабайт ) Кол-во скачиваний: 3145


Фотоотчет по монитору ВК8071


--------------------
Живы будем - Не помрем !
Пользователь в офлайнеКарточка пользователяОтправить личное сообщение
Вернуться в начало страницы
+Ответить с цитированием данного сообщения
SuperMax
сообщение 10.1.2009, 16:01
Сообщение #5


Администратор
*****

Группа: Root Admin
Сообщений: 6 373
Регистрация: 7.1.2006
Из: Красноярск
Пользователь №: 1



БП АГАТ (часто применялся для питания БК-шки с дисководами)


Эскизы прикрепленных изображений
Прикрепленное изображение

--------------------
Живы будем - Не помрем !
Пользователь в офлайнеКарточка пользователяОтправить личное сообщение
Вернуться в начало страницы
+Ответить с цитированием данного сообщения
SuperMax
сообщение 10.1.2009, 16:02
Сообщение #6


Администратор
*****

Группа: Root Admin
Сообщений: 6 373
Регистрация: 7.1.2006
Из: Красноярск
Пользователь №: 1



Также применялся отличный БП от ДВК 3/4 [мой скан]

Лист1Прикрепленное изображение
Лист2Прикрепленное изображение
Лист3Прикрепленное изображение



--------------------
Живы будем - Не помрем !
Пользователь в офлайнеКарточка пользователяОтправить личное сообщение
Вернуться в начало страницы
+Ответить с цитированием данного сообщения
SuperMax
сообщение 10.1.2009, 16:05
Сообщение #7


Администратор
*****

Группа: Root Admin
Сообщений: 6 373
Регистрация: 7.1.2006
Из: Красноярск
Пользователь №: 1



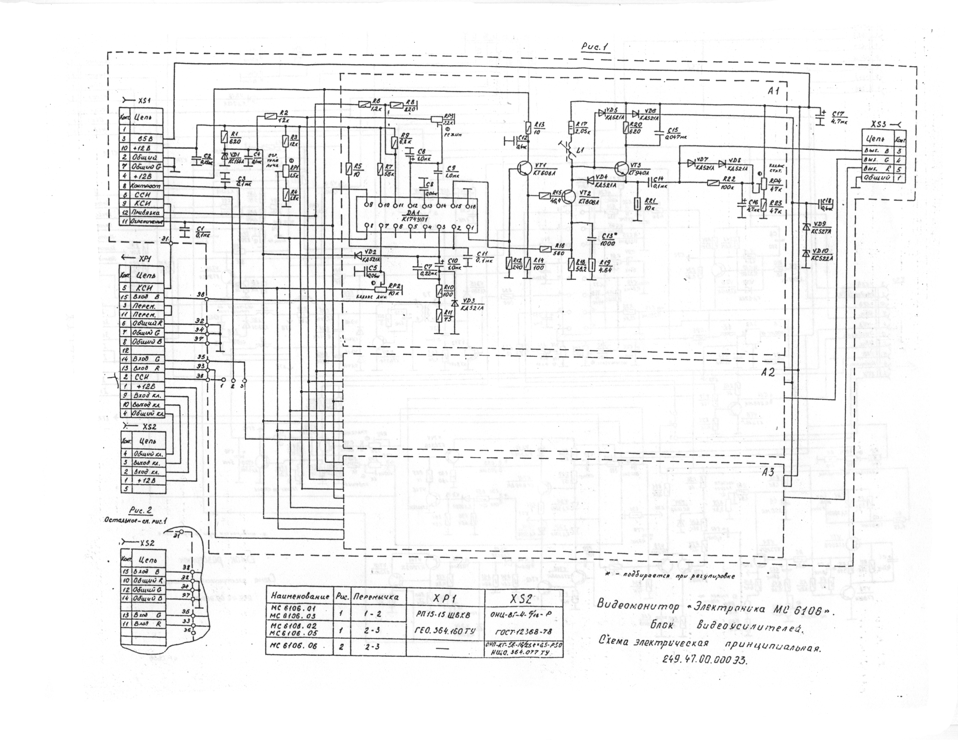
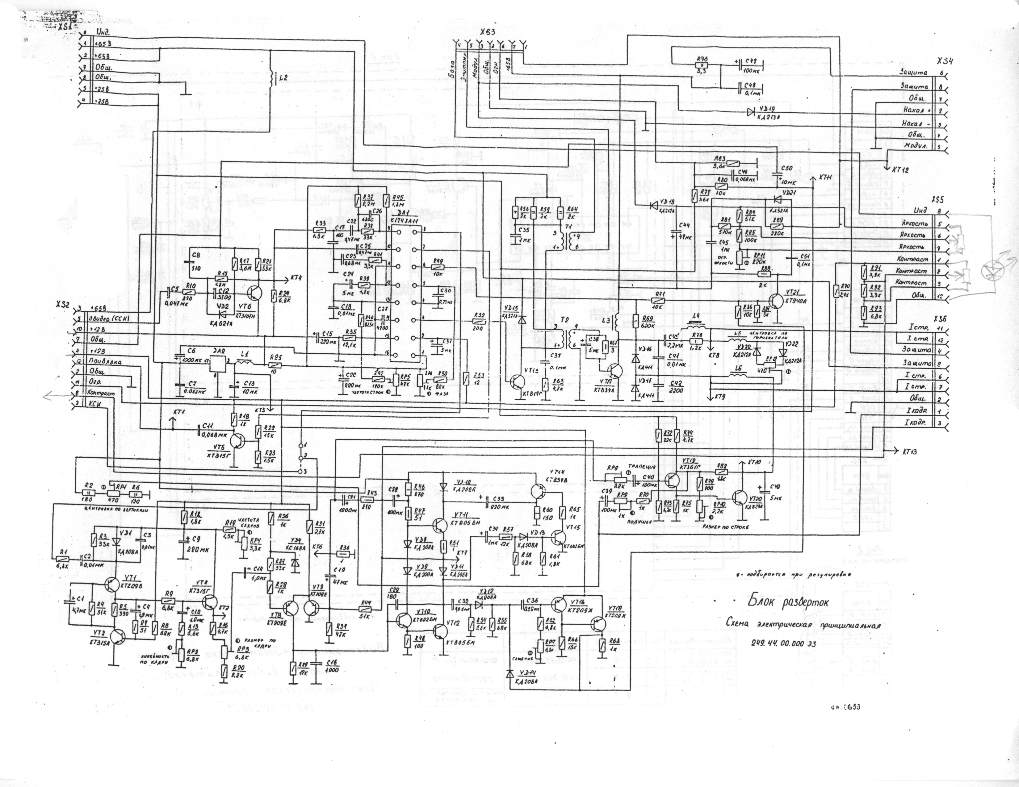
Цветной монитор МС6106

1 Прикрепленное изображение
2 Прикрепленное изображение
3 Прикрепленное изображение Прикрепленное изображение
4 Прикрепленное изображение
5 Прикрепленное изображение
6 Прикрепленное изображение
7 Прикрепленное изображение
8 Прикрепленное изображение


--------------------
Живы будем - Не помрем !
Пользователь в офлайнеКарточка пользователяОтправить личное сообщение
Вернуться в начало страницы
+Ответить с цитированием данного сообщения
SuperMax
сообщение 10.1.2009, 16:05
Сообщение #8


Администратор
*****

Группа: Root Admin
Сообщений: 6 373
Регистрация: 7.1.2006
Из: Красноярск
Пользователь №: 1



МС9006 БП к монитору МС6106


Эскизы прикрепленных изображений
Прикрепленное изображение

--------------------
Живы будем - Не помрем !
Пользователь в офлайнеКарточка пользователяОтправить личное сообщение
Вернуться в начало страницы
+Ответить с цитированием данного сообщения
SuperMax
сообщение 10.1.2009, 16:06
Сообщение #9


Администратор
*****

Группа: Root Admin
Сообщений: 6 373
Регистрация: 7.1.2006
Из: Красноярск
Пользователь №: 1



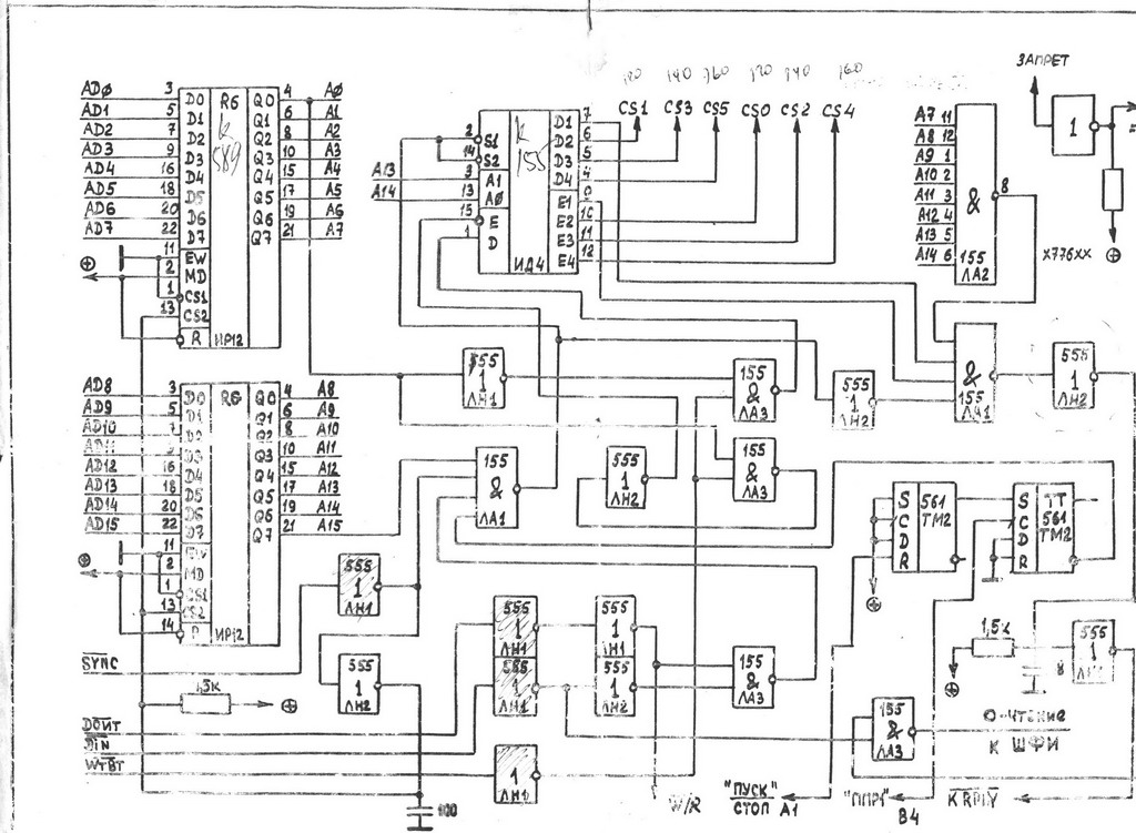
КНГМД для БК0011М [моя ремонтная схема, с моими рисунками]

Прикрепленное изображение


фото оригинала
Прикрепленное изображение

БКшка равно как и другие PDP-11 используют интерфейс Shugart 34-pin (опционально упакованный в 40pin)
https://www.hermannseib.com/english/synths/ppg/wtfloppy.htm

Прикрепленное изображение


--------------------
Живы будем - Не помрем !
Пользователь в офлайнеКарточка пользователяОтправить личное сообщение
Вернуться в начало страницы
+Ответить с цитированием данного сообщения
Afina
сообщение 24.1.2009, 1:12
Сообщение #10


Ветеран
****

Группа: Адмнистраторы
Сообщений: 501
Регистрация: 19.5.2007
Пользователь №: 2 840



Схема БК0011М
Прикрепленное изображение
Прикрепленное изображение

Прикрепленное изображение
Прикрепленное изображение

UPD2021: новый скан ремонтных схем в максимальном качествесхема БК-0011М

Пользователь в офлайнеКарточка пользователяОтправить личное сообщение
Вернуться в начало страницы
+Ответить с цитированием данного сообщения
Afina
сообщение 24.1.2009, 1:19
Сообщение #11


Ветеран
****

Группа: Адмнистраторы
Сообщений: 501
Регистрация: 19.5.2007
Пользователь №: 2 840



Прикрепленное изображение
Прикрепленное изображение
Прикрепленное изображение
Прикрепленное изображение
Прикрепленное изображение
Прикрепленное изображение
Прикрепленное изображение
UPD2021: новый скан ремонтных схем в максимальном качествесхема БК-0011М


Пользователь в офлайнеКарточка пользователяОтправить личное сообщение
Вернуться в начало страницы
+Ответить с цитированием данного сообщения
SuperMax
сообщение 21.2.2009, 14:38
Сообщение #12


Администратор
*****

Группа: Root Admin
Сообщений: 6 373
Регистрация: 7.1.2006
Из: Красноярск
Пользователь №: 1



Cхема контроллера расширенной памяти
из коллекции Denis 'KT315B"


Эскизы прикрепленных изображений
Прикрепленное изображение

--------------------
Живы будем - Не помрем !
Пользователь в офлайнеКарточка пользователяОтправить личное сообщение
Вернуться в начало страницы
+Ответить с цитированием данного сообщения
SuperMax
сообщение 10.3.2009, 21:26
Сообщение #13


Администратор
*****

Группа: Root Admin
Сообщений: 6 373
Регистрация: 7.1.2006
Из: Красноярск
Пользователь №: 1



схема МС 6106
более качественный вариант

Прикрепленный файл  BVL1.tif ( 280.06 килобайт ) Кол-во скачиваний: 4569

Прикрепленный файл  BP1.tif ( 340.62 килобайт ) Кол-во скачиваний: 4287

Прикрепленный файл  BR1.tif ( 439.98 килобайт ) Кол-во скачиваний: 4127

Прикрепленный файл  BV1.tif ( 282.75 килобайт ) Кол-во скачиваний: 4430

Прикрепленный файл  SS1.tif ( 341.5 килобайт ) Кол-во скачиваний: 4226

Прикрепленный файл  UVO1.tif ( 329.14 килобайт ) Кол-во скачиваний: 4276

Прикрепленный файл  UVO2.tif ( 374.11 килобайт ) Кол-во скачиваний: 4323





--------------------
Живы будем - Не помрем !
Пользователь в офлайнеКарточка пользователяОтправить личное сообщение
Вернуться в начало страницы
+Ответить с цитированием данного сообщения
KT315B
сообщение 24.2.2010, 1:09
Сообщение #14


Новичок
*

Группа: Продвинутые
Сообщений: 7
Регистрация: 24.2.2009
Пользователь №: 32 747



Нашел еще одну схему ДОЗУ.

Прикрепленное изображение
Прикрепленное изображение
Пользователь в офлайнеКарточка пользователяОтправить личное сообщение
Вернуться в начало страницы
+Ответить с цитированием данного сообщения
SuperMax
сообщение 7.8.2013, 9:05
Сообщение #15


Администратор
*****

Группа: Root Admin
Сообщений: 6 373
Регистрация: 7.1.2006
Из: Красноярск
Пользователь №: 1



Схема БК0010-01

перирисовка
Прикрепленное изображение
Прикрепленный файл  BK0010_01.EMF ( 3.68 мегабайт ) Кол-во скачиваний: 3626

Прикрепленный файл  BK0010_01.pdf ( 1.57 мегабайт ) Кол-во скачиваний: 3256



Схема БК0010-01 мягкая клавиатура
Прикрепленное изображение

Монтажная схема БК0010-01 мягкая клавиатура
Прикрепленное изображение


--------------------
Живы будем - Не помрем !
Пользователь в офлайнеКарточка пользователяОтправить личное сообщение
Вернуться в начало страницы
+Ответить с цитированием данного сообщения
SuperMax
сообщение 7.8.2013, 9:09
Сообщение #16


Администратор
*****

Группа: Root Admin
Сообщений: 6 373
Регистрация: 7.1.2006
Из: Красноярск
Пользователь №: 1



Схема БК0010-01 клавиатура старого образца




Эскизы прикрепленных изображений
Прикрепленное изображение

Прикрепленные файлы
Прикрепленный файл  BK0010_01.EMF ( 3.66 мегабайт ) Кол-во скачиваний: 3712
Прикрепленный файл  BK0010_01.pdf ( 1.57 мегабайт ) Кол-во скачиваний: 2863


--------------------
Живы будем - Не помрем !
Пользователь в офлайнеКарточка пользователяОтправить личное сообщение
Вернуться в начало страницы
+Ответить с цитированием данного сообщения
SuperMax
сообщение 7.8.2013, 9:10
Сообщение #17


Администратор
*****

Группа: Root Admin
Сообщений: 6 373
Регистрация: 7.1.2006
Из: Красноярск
Пользователь №: 1



Блок МСТД10-01 (схема принципиальная)



Эскизы прикрепленных изображений
Прикрепленное изображение

Прикрепленные файлы
Прикрепленный файл  MSTD10_01.EMF ( 439.08 килобайт ) Кол-во скачиваний: 3453
Прикрепленный файл  MSTD10_01.pdf ( 196.74 килобайт ) Кол-во скачиваний: 2854


--------------------
Живы будем - Не помрем !
Пользователь в офлайнеКарточка пользователяОтправить личное сообщение
Вернуться в начало страницы
+Ответить с цитированием данного сообщения
SuperMax
сообщение 7.8.2013, 9:13
Сообщение #18


Администратор
*****

Группа: Root Admin
Сообщений: 6 373
Регистрация: 7.1.2006
Из: Красноярск
Пользователь №: 1



Блок КНГМД (схема принципиальная)

Стандартный блок КНГМД, шедший в комплекте поставки к БК0011(М)
Дорисована часть доработок Бориса Фролкина, взятых из статьи в ПК-БК 94/2




Прикрепленные файлы
Прикрепленный файл  KNGMD.pdf ( 544.03 килобайт ) Кол-во скачиваний: 2825
Прикрепленный файл  StdKNGMDpoints.pdf ( 48.13 килобайт ) Кол-во скачиваний: 2831


--------------------
Живы будем - Не помрем !
Пользователь в офлайнеКарточка пользователяОтправить личное сообщение
Вернуться в начало страницы
+Ответить с цитированием данного сообщения
SuperMax
сообщение 7.8.2013, 9:20
Сообщение #19


Администратор
*****

Группа: Root Admin
Сообщений: 6 373
Регистрация: 7.1.2006
Из: Красноярск
Пользователь №: 1



Блок питания МС9016 типа "Педалька"

даташиты на микросхемы
Прикрепленный файл  _______TDA2582_1.pdf ( 856 килобайт ) Кол-во скачиваний: 3263
Прикрепленный файл  __1021__1.pdf ( 315.38 килобайт ) Кол-во скачиваний: 3439


новая прорисовка CD-inc
Прикрепленный файл  MC9016.pdf ( 161.54 килобайт ) Кол-во скачиваний: 3286

Схема срисована с
реального БП
"Электроника МС9016"



оригинальная схема
Прикрепленное изображение

внешний вид

Прикрепленное изображениеПрикрепленное изображениеПрикрепленное изображение



--------------------
Живы будем - Не помрем !
Пользователь в офлайнеКарточка пользователяОтправить личное сообщение
Вернуться в начало страницы
+Ответить с цитированием данного сообщения
SuperMax
сообщение 7.8.2013, 9:23
Сообщение #20


Администратор
*****

Группа: Root Admin
Сообщений: 6 373
Регистрация: 7.1.2006
Из: Красноярск
Пользователь №: 1



Был разработан Луговым. Предназначался для установки внутрь БК11М, в разъем подключения
доп платы Бейсика11. На краевой разъём контроллера припаивался стандартный КНГМД, с установленной модифицированной
прошивкой (1801РР1). Винчестер 2,5" также находился внутри БК.
Изначально КЖД был собран на рассыпухе, затем схема была оптимизирована, за счёт применения ПЗУ вместо отдельных лог. микросхем,
и в таком виде и затёртыми микросхемами КЖД успешно продавался в Самаре и Москве (где у Новака он переродился в СМК).
Контроллер не имел служебного ОЗУ, поэтому при обращении к винчестеру, приходилось сначала читать таблицу разделов винта.

Доступ:

177640 - статус/команда
177642 - выбор НЖМД и головки
177644 - ст.байт номера дорожки
177646 - мл.байт номера дорожки
177650 - номер сектора
177652 - счетчик секторов
177654 - код ошибки/не используется
177656 - данные чтения/записи
177620 - адрес накопителя/не используется
177622 - 2-й статус/сброс

Выражается благодарность Тимофееву Андрею (Terra), за то что ...надцать лет назад дал, это чудо тогдашней техники, для расшифровки
схемы.




Прикрепленные файлы
Прикрепленный файл  SamaraHDD.pdf ( 281.27 килобайт ) Кол-во скачиваний: 3019


--------------------
Живы будем - Не помрем !
Пользователь в офлайнеКарточка пользователяОтправить личное сообщение
Вернуться в начало страницы
+Ответить с цитированием данного сообщения

2 Страницы V  1 2 >
Ответить в эту темуОткрыть новую тему
2 чел. читают эту тему (гостей: 2, скрытых пользователей: 0)
Пользователей: 0

 



Текстовая версия Сейчас: 23.3.2026, 23:43