IPB

Здравствуйте, гость ( Вход | Регистрация )

> Правильный источник бесперебойного питания - PowerWare 9120 5000
SuperMax
сообщение 13.12.2015, 12:19
Сообщение #1


Администратор
*****

Группа: Root Admin
Сообщений: 6 376
Регистрация: 7.1.2006
Из: Красноярск
Пользователь №: 1



Правильный источник бесперебойного питания - PowerWare 9120 5000

В статье про ремонт квартиры я упоминал о системе чистого питания на базе беспребойников PowerWare
9120 и Prestige 3000

Основное питание серверов и прочего оборудования построено на базе PowerWare Prestige 3000 с внешней 120В батареей


сейчас для апгрейта системы приобретен PowerWare 9120 5000 (3500Вт)

Документация по бесперебойнкам PowerWare
оффсайт

моя подборка по 9120
Прикрепленный файл  9120_1000V_Federal_Communication_Agency.pdf ( 394.32 килобайт ) Кол-во скачиваний: 2051

Прикрепленный файл  9120_man_rus_revD.pdf ( 371.15 килобайт ) Кол-во скачиваний: 2162

Прикрепленный файл  950173C_9120_1500_English705.pdf ( 72.33 килобайт ) Кол-во скачиваний: 1753

Прикрепленный файл  950174C_9120_3000_English.pdf ( 80.02 килобайт ) Кол-во скачиваний: 1698

Прикрепленный файл  9120_man_eng_revD.pdf ( 317.31 килобайт ) Кол-во скачиваний: 2412

Прикрепленный файл  GOST_9120.pdf ( 916.29 килобайт ) Кол-во скачиваний: 1905

Прикрепленный файл  Powerware9120Marine.pdf ( 1.25 мегабайт ) Кол-во скачиваний: 2104

Прикрепленный файл  9120.pdf ( 371.15 килобайт ) Кол-во скачиваний: 2025

Прикрепленный файл  PW9120_Relay_Interface_Card_manual.pdf ( 126.02 килобайт ) Кол-во скачиваний: 2062




--------------------
Живы будем - Не помрем !
Пользователь в офлайнеКарточка пользователяОтправить личное сообщение
Вернуться в начало страницы
+Ответить с цитированием данного сообщения
 
Ответить в эту темуОткрыть новую тему
Ответов(1 - 6)
SuperMax
сообщение 13.12.2015, 12:20
Сообщение #2


Администратор
*****

Группа: Root Admin
Сообщений: 6 376
Регистрация: 7.1.2006
Из: Красноярск
Пользователь №: 1



Документация по прочим бесперебойникам PowerWare

Прикрепленный файл  9125.pdf ( 658.49 килобайт ) Кол-во скачиваний: 2363

Прикрепленный файл  9125_6000.pdf ( 858.63 килобайт ) Кол-во скачиваний: 1802

Прикрепленный файл  9135.pdf ( 778.43 килобайт ) Кол-во скачиваний: 2294

Прикрепленный файл  9140.pdf ( 2.58 мегабайт ) Кол-во скачиваний: 1622


Расшифровка заводских (part) номеров ИБП Powerware 9120
Прикрепленный файл  9120.xls ( 19.5 килобайт ) Кол-во скачиваний: 1570



ИБП Powerware 9120 (PW9120) – ИБП с максимальным классом защиты

ИБП до 6 кВА отличаются не только по мощности, но и по принципу действия, обеспечивая разный класс защиты оборудования. Предлагаемые ИБП PW9120 обеспечивают максимальный класс защиты оборудования: Часто используемые более простые ИБП (классов Off-Line и Line-Interactive – например Back UPS и Smart UPS производства АРС) используют для питания нагрузки напряжение из сети, пытаясь корректировать его, при этом
  • Пассивные фильтры ИБП плохо фильтруют помехи из сети
  • ИБП имеют время перехода на аккумуляторы, в течение которого вероятность "подвисания" сервера/компьютера резко увеличивается
  • ИБП плохо работают с импульсной нагрузкой (большие мониторы, лазерные принтеры, передатчики и т.д.)
Основная задача ИБП Powerware 9120 (PW9120) Основная задача предлагаемого ИБП с двойным преобразованием напряжения структуры On-line - 100% защита Вашей нагрузки от практически всех существующих помех в электросети: Импульсных высоковольтных бросков, Выбросов напряжения, его длительного падения, Кратковременного повышения/понижения напряжения, нестабильности формы, интерференции, полного отключения электропитания.

Назначение ИБП Powerware 9120 (PW9120). ИБП этой серии предназначены как для защиты IT нагрузки (ответственных серверов, рабочих станций, сетевого оборудования), так и систем автоматизации производства. ИБП может использоваться для защиты практически любого оборудования с повышенными требованиями к качеству электропитания в самых сложных условиях эксплуатации

Структура On-Line UPS: ИБП работают в режиме On-Line с двойным преобразованием. Это означает, что источник преобразует 100% поступающего к нему на вход переменного напряжения в постоянное, а затем выполняет обратное преобразование. При этом ИБП не пытается подкорректировать входное напряжение, а сам формирует синусоиду заданного качества. Принцип стабилизации заключается в том, что при первом преобразовании (AC->DC) стабильное постоянное DC напряжение можно получить из очень плохого внешнего AC переменного напряжения (плохой формы, повышенного, пониженного и т.д.), а при втором преобразовании (DC->AC) переменное напряжение ИБП формирует сам.

Уникальная технология управления батареями - ABM (Advanced Battery Management) Аккумуляторные батареи часто составляет весомую часть от стоимости ИБП, поэтому продление их жизни серьезно удешевляет эксплутационную стоимость системы бесперебойного питания.

Удаленное управление Электроснабжением [b](Адаптеры Connect UPS, ModBus, датчики EMP, ПО Lansafe и Powervision)[/b]
Прикрепленное изображение

Параметры внешних блоков аккумуляторных батарей для UPS Powerware 9120 (PW9120)
Прикрепленное изображение

Таблица времен автономной работы UPS Powerware 9120 с внешними блоками батарей
Прикрепленное изображение

Таблица времен автономной работы UPS Powerware 9120 5000-6000VA с внешними блоками батарей
Прикрепленное изображение



--------------------
Живы будем - Не помрем !
Пользователь в офлайнеКарточка пользователяОтправить личное сообщение
Вернуться в начало страницы
+Ответить с цитированием данного сообщения
SuperMax
сообщение 13.12.2015, 12:35
Сообщение #3


Администратор
*****

Группа: Root Admin
Сообщений: 6 376
Регистрация: 7.1.2006
Из: Красноярск
Пользователь №: 1



Фотоотчет по PowerWare 9120 5000

внешний вид
Прикрепленное изображение


Общее обзорное фото основной платы
Прикрепленное изображение
Прикрепленное изображение

Фото элементов на основной плате
Прикрепленное изображение
Прикрепленное изображение
Прикрепленное изображение
Прикрепленное изображение
Прикрепленное изображение

Блок конденсаторов
Прикрепленное изображение


Система охлаждения
Прикрепленное изображение
Прикрепленное изображение
Прикрепленное изображение

Интерфейсы
Прикрепленное изображение


Панель подключения
Прикрепленное изображение

Ролики
Прикрепленное изображение


Бекплан
Прикрепленное изображение

фото элементов бекплана
Прикрепленное изображение
Прикрепленное изображение
Прикрепленное изображение
Прикрепленное изображение




--------------------
Живы будем - Не помрем !
Пользователь в офлайнеКарточка пользователяОтправить личное сообщение
Вернуться в начало страницы
+Ответить с цитированием данного сообщения
SuperMax
сообщение 13.12.2015, 12:38
Сообщение #4


Администратор
*****

Группа: Root Admin
Сообщений: 6 376
Регистрация: 7.1.2006
Из: Красноярск
Пользователь №: 1



Таблица основных технических параметров источников бесперебойного питания (ИБП) Powerware Eaton 9120 5000
Тип аккумуляторных батарей 12V, 7AH герметичные, свинцово-кислотные, необслуживаемые
Диапазон входного напряжения без перехода на батареи 140/160/184 - 276 В 33/66/100% - нагрузка
Частота входного напряжения 40 ... 70 Гц
Входной Км > 0,95
Диапазон Uвх для Bypass (програм.) 184 - 265
Входной ток 25
Выходная мощность W 3500 W
Выходное напряжение 220, 230, 240 В + 2% (синусоидальной формы)
Выходная частота 50 + 0.5% в автономном режиме
КНИ выходного напряжения < 4% при 100% нелинейной нагрузке более 3000VA < 5% < 3% при 100% линейной нагрузке
Перегрузка 110% - 125% - 1 мин, 125% - 150% - 10сек
КПД 88%
Вес ( со встроенными батареями) 90 кг
Габариты (Ш х Г х В) 260 х 555 Х 570 мм
Напряжение шины постоянного тока 240 В
Количество батарей  20 шт.
Время работы при 100% нагрузке 10 мин.
Время заряда 5 часов до 90%
Диагностика Автоматическое тестирование и тренировка батарей в процессе работы
Схема работы On-Line, двойное преобразование
Индикация Двухстрочный светодиодный дисплей, светодиодная и звуковая сигнализация
Диагностика Полное самотестирование при включении питания
Интерфейс RS-232 DB-9, "сухие" контакты
Подключение к ЛВС SNMP или WEB карта
Способ подключения 1 разъем на входе и 4 разъема на выходе, все IEC 320 до 3000 VA
Уровень шума  < 45 dBA  ~  < 55 dBA
Рабочая температура 0°C ... +40°C
Температура хранения -15°C ... +40°C
Относительная влажность 20 - 90%, без конденсата


--------------------
Живы будем - Не помрем !
Пользователь в офлайнеКарточка пользователяОтправить личное сообщение
Вернуться в начало страницы
+Ответить с цитированием данного сообщения
SuperMax
сообщение 15.12.2015, 9:28
Сообщение #5


Администратор
*****

Группа: Root Admin
Сообщений: 6 376
Регистрация: 7.1.2006
Из: Красноярск
Пользователь №: 1



Для ИБП Powerware до 3 кВА (напольные ИБП PW9120 700-3000 и 19' ИБП PW9125 1000-3000 ВА) разработана система сегментирования нагрузки. Т.е. нагрузка может быть подключена двумя частями к 2 независимым группам розеток ИБП.

Каждая группа розеток ИБП может включаться/выключаться независимо по зaаранее запрограммированной последовательности с использованием ПО Lansafe 5 или Web/SNMP адаптера. Таким образом, можно
  • Отключить часть нагрузки раньше, увеличив время автономной работы наиболее критичной
  • Перезапустить оборудование выключив/включив сегмент розеток
  • Дистанционно отключить часть нагрузки
Сегменты нагрузки (Load Segment 1 и 2) для ИБП Powerware 9120

Прикрепленное изображение


Сегменты нагрузки для ИБП Powerware 9125

Прикрепленное изображение






--------------------
Живы будем - Не помрем !
Пользователь в офлайнеКарточка пользователяОтправить личное сообщение
Вернуться в начало страницы
+Ответить с цитированием данного сообщения
SuperMax
сообщение 22.2.2017, 21:07
Сообщение #6


Администратор
*****

Группа: Root Admin
Сообщений: 6 376
Регистрация: 7.1.2006
Из: Красноярск
Пользователь №: 1



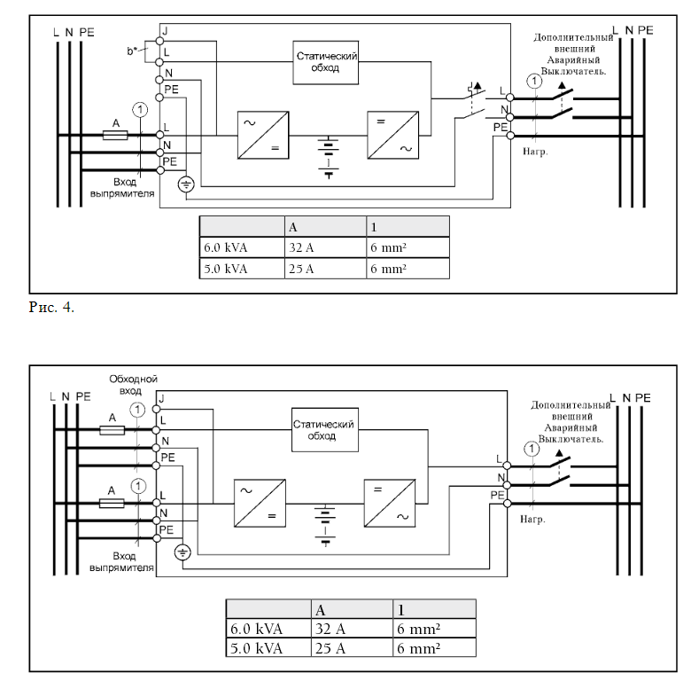
Разъяснение по подключению 5000ка
Прикрепленное изображение


--------------------
Живы будем - Не помрем !
Пользователь в офлайнеКарточка пользователяОтправить личное сообщение
Вернуться в начало страницы
+Ответить с цитированием данного сообщения
max39
сообщение 30.8.2017, 20:36
Сообщение #7


Новичок
*

Группа: Участники
Сообщений: 1
Регистрация: 30.8.2017
Пользователь №: 34 897



SupeMax, пожскажите плз внешние аккумы к PowerWare 9120 5000 подключены ч/з разъём внешних баттарей или к клеммам штатных ?
Пользователь в офлайнеКарточка пользователяОтправить личное сообщение
Вернуться в начало страницы
+Ответить с цитированием данного сообщения

Ответить в эту темуОткрыть новую тему
1 чел. читают эту тему (гостей: 1, скрытых пользователей: 0)
Пользователей: 0

 



Текстовая версия Сейчас: 22.4.2026, 19:51