Здравствуйте, гость ( Вход | Регистрация )
| SuperMax |
10.1.2009, 15:55
Сообщение
#1
|
![]() Администратор ![]() ![]() ![]() ![]() ![]() Группа: Root Admin Сообщений: 6 373 Регистрация: 7.1.2006 Из: Красноярск Пользователь №: 1 |
-------------------- Живы будем - Не помрем !
|
![]() ![]() |
| SuperMax |
5.1.2021, 23:01
Сообщение
#2
|
![]() Администратор ![]() ![]() ![]() ![]() ![]() Группа: Root Admin Сообщений: 6 373 Регистрация: 7.1.2006 Из: Красноярск Пользователь №: 1 |
Обнаружил пачку схем которые еще не отсканировал
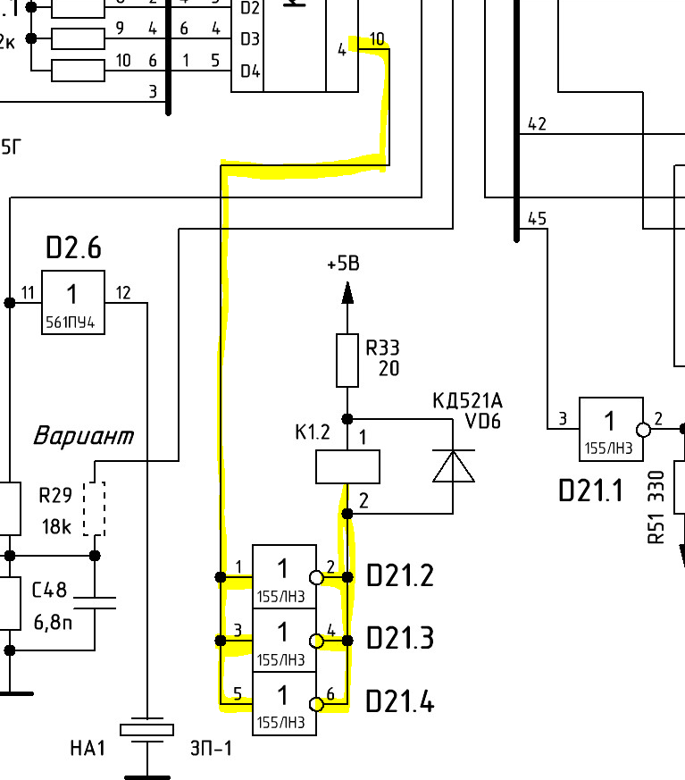
восполняю пробел БК-0010 оригинал обработка - подписал плохочитаемое обнаруженные ошибки на схеме сигнал на УП B1 имеет подключение не к шине 35 как на схеме а к 41 Б1 соединен с Б8 и через резистор 11ком подключен к выходу 12 регистра ИР1 технически это бит 5 (используется для передачи данных на магнитофон, либо сигнала готовности на линию) те на схеме он должен быть соединен с выходом на магнитофон, но в ранних БК этого не было ни на одной БК-0010(01) нет никакого КТ3102 - есть место под него и только - отмечено красным а реально реле включено через ЛН3: тут на схеме есть кусок с формированием градаций яркости, который был заложен на печатные платы: вот тут должны были стоять резисторы градаций яркости (отмечено желтым): [это ранняя БК] но реально там проводами все три элемента объединены для управление реле магнитофона далее появились просто перемычки: детальное описание всех отличий БК-0010(01) в этой теме Эмуляция БК-0011М на базе БК-0010(01) + AZБК -------------------- Живы будем - Не помрем !
|
SuperMax Схемы для БК и ее периферии 10.1.2009, 15:55
SuperMax Мышка Марсианка
подключение мышки тут
[url=htt... 10.1.2009, 15:56
SuperMax Электроника Д2-36 / Д2-36-01
данные блоки питания... 10.1.2009, 15:57
SuperMax Монитор ВК8071.01 КОРВЕТ
cхема
паспорт
[b][url... 10.1.2009, 16:01
SuperMax БП АГАТ (часто применялся для питания БК-шки с дис... 10.1.2009, 16:01
SuperMax Также применялся отличный БП от ДВК 3/4 [мой скан]... 10.1.2009, 16:02
SuperMax Цветной монитор МС6106
1
2
3
4
5
6 ... 10.1.2009, 16:05
SuperMax МС9006 БП к монитору МС6106 10.1.2009, 16:05
SuperMax КНГМД для БК0011М
фото оригинала
БКшка равн... 10.1.2009, 16:06
Afina Схема БК0011М
[b]UPD2021: новый скан ремон... 24.1.2009, 1:12
Afina
[b]UPD2021: новый скан ремонтных схем в ма... 24.1.2009, 1:19
SuperMax Cхема контроллера расширенной памяти
из коллекци... 21.2.2009, 14:38
SuperMax схема МС 6106
более качественный вариант
10.3.2009, 21:26
KT315B Нашел еще одну схему ДОЗУ.
24.2.2010, 1:09
SuperMax Схема БК0010-01
перирисовка
Схема БК0010-... 7.8.2013, 9:05
SuperMax Схема БК0010-01 клавиатура старого образца 7.8.2013, 9:09
SuperMax Блок МСТД10-01 (схема принципиальная) 7.8.2013, 9:10
SuperMax Блок КНГМД (схема принципиальная)
Стандартный бло... 7.8.2013, 9:13
SuperMax Блок питания МС9016 типа "Педалька"
дат... 7.8.2013, 9:20
SuperMax Был разработан Луговым. Предназначался для установ... 7.8.2013, 9:23
SuperMax Польский блок питания, компактный, мощный, надёжны... 7.8.2013, 9:24
SuperMax Вторая ревизия первой модели БП МС9011 для БК:
О... 7.8.2013, 9:29
SuperMax Схема монитора МС6105 Монитор УКНЦ MC6105
[ur... 31.8.2013, 11:38
SuperMax БК0010
[качество откровенно плохое] 21.10.2014, 23:37
SuperMax Новый скан схемы БК-0011М - с моих ремонтных схем
... 5.1.2021, 23:41
SuperMax Собраны листы 1 и 2
цвет
монохром
[b]обнаруженн... 6.1.2021, 13:10
SuperMax Печатная плата БК-0010.01
Печатная плата БК-001... 31.3.2021, 21:42
SuperMax Подключение к SCARD
Распайки разъемов
31.3.2021, 21:45
SuperMax Соответствие клавиатур
5.6.2021, 22:26
SuperMax Распиновка джойстиков
Бит Номер Кнопка
порта к... 16.7.2021, 18:48
SuperMax Блок КМК для 1801РЕ2-254 на КР1801-035
Сканиров... 6.11.2022, 18:57
SuperMax Cхема Казанской БК-0010-01
3.12.2022, 13:58
SuperMax Схема реплики БК11М
3.12.2022, 14:08
SuperMax Монтажная схема скрипучки БК-0010-01
со схемой кла... 30.3.2024, 15:46
SuperMax Схема блока КМ для БК-0011М
данный блок предназ... 5.11.2024, 20:14
SuperMax Схема БК-0010-01 , скрипучка
21.12.2025, 17:30![]() ![]() |
| Текстовая версия | Сейчас: 22.3.2026, 3:57 |