IPB

Здравствуйте, гость ( Вход | Регистрация )

> Описание: Разные хитрости помогающие оживить ДВК, например создание Mx и т.д.
SuperMax
сообщение 24.7.2012, 14:18
Сообщение #1


Администратор
*****

Группа: Root Admin
Сообщений: 6 377
Регистрация: 7.1.2006
Из: Красноярск
Пользователь №: 1



Работа с эмулятором Е11

Для выхода из эмулятора использовать Shift+Enter затем ввести команду Q




Устройства которые эмулирует Е11: (Образы данных устройств можно подключать к эмулятору)

DX.SYS - Драйвер для устройства RX01 размером 494 блока (Для многозадачной системы DKX.SYS)

В конфигурации образы DX подключаются командами:
mount dx0: floppy\rx01_0.DSK
mount dx1: floppy\rx01_1.DSK

И соответстует реальному устройству RX01 с адресом 177170
Для создания в RT11 пустого образа диска RX01 использовать команду:
CRE DU1:RX01.DSK/ALLO:494


DY.SYS - Драйвер для устройства RX02 размером 988 блока (Для многозадачной системы DYX.SYS)

В конфигурации образы DY подключаются командами:
mount dy0: floppy\rx02_0.DSK
mount dy1: floppy\rx02_1.DSK

И соответстует реальному устройству RX02 с адресом 177170
Для создания в RT11 пустого образа диска RX02 использовать команду:
CRE DU1:RX01.DSK/ALLO:988


RK.SYS - Драйвер для устройства RK размером 4800 блока (Для многозадачной системы RKX.SYS)

В конфигурации образы RK подключаются командами:
mount rk0: disks\rk05_0.DSK
mount rk1: disks\rk05_1.DSK

И соответстует реальному устройству RK-05 с адресом 177400
Для создания в RT11 пустого образа диска RK-05 использовать команду:
CRE DU1:RK05.DSK/ALLO:4800


DM.SYS - Драйвер устройства DM размером 27126 или 53790 блока (Для многозадачной системы DMX.SYS)

В конфигурации образы DM подключаются командами:
mount dm0: disks\rk07_0.dsk
mount dm1: disks\rk07_1.dsk

И соответстует реальному устройству RK-06 или RK-07 с адресом 177440
Для создания в RT11 пустого образа диска RK-06 использовать команду:
CRE DU1:RK06.DSK/ALLO:27126
Для создания в RT11 пустого образа диска RK-07 использовать команду:
CRE DU1:RK07.DSK/ALLO:53790


DU.SYS - Драйвер для устройства DU с любым размером блока (Для многозадачной системы DUX.SYS)

В конфигурации образы DU подключаются командами:
mount du0: disks\rd52_0.dsk
mount du1: disks\rd52_1.dsk

И соответстует реальному устройству DU (Контроллер ЖД) с адресом 172150
(т.е. можно чем-нибудь снять образ с любого винта, подключенного к
контроллеру DU с адресом 172150, и подсунуть этот образ в Е11)


MT.SYS - Драйвер для ленточного устройства МT (Для многозадачной системы МTX.SYS)

В конфигурации образы MT подключаются командами:
mount mt0: tapes\mt_0.tap
mount mt1: tapes\mt_0.tap

И соответстует реальному устройству MU (Контроллер НМЛ) с адресом 172520


MU.SYS - Драйвер для ленточного устройства МU (Для многозадачной системы МUX.SYS)

В конфигурации образы MU подключаются командами:
mount mu: tapes\mu.tap
И соответстует реальному устройству MU (Контроллер НМЛ) с адресом 174500



Для отображения в эмуляторе текущего каталога из которого запущен эмулятор,
служит драйвер DO.SYS (Для многозадачной системы DOX.SYS)
Чтоб увидеть содержимое каталога достаточно обратится к устройству DO:

Примеры использования:

DIR DO: - Отображает содержимое каталога с эмулятором
TYPE DO:README.TXT - Смотрим содержимое файла README.TXT из каталога с эмулятором
COPY DO:README.TXT RK0: - Копирует файл README.TXT из каталога с эмулятором на устройство RK0:


--------------------
Живы будем - Не помрем !
Пользователь в офлайнеКарточка пользователяОтправить личное сообщение
Вернуться в начало страницы
+Ответить с цитированием данного сообщения
 
Ответить в эту темуОткрыть новую тему
Ответов(1 - 5)
SuperMax
сообщение 24.7.2012, 14:19
Сообщение #2


Администратор
*****

Группа: Root Admin
Сообщений: 6 377
Регистрация: 7.1.2006
Из: Красноярск
Пользователь №: 1



Установка основной системы RT11 v.5.7 в эмуляторе Е11

Подключаем в конфугурационном файле Е11 образ чистого диска RK-05:
mount rk0: disks\rk05_0.DSK

Подключаем в конфугурационном файле Е11 образ чистого диска RK-05:
mount rk1: disks\rk05_1.DSK

Подключаем в конфугурационном файле Е11 образ загрузочной ленты MT:
mount mt0: tapes\rt57mt.tap

И указываем загрузку с ленты: boot mt0:

Загрузившись с ленты выходит приглашение:

MSBOOT V05.08
*


Набираем: *MDUP.MT (Вибираем загрузочный файл и загружаемся с него в минимальную оболочку)

Выходит: MDUP V05.70

Набираем:
*VM:/Z
*VM:A=MT:

Выходит:
RT-11SB V05.07
?KMON-F-File not found DK:STRTSB.COM

Набираем:
COP MT:RK.SYS VM: (Копируем драйвер RK.SYS с ленты МТ: на виртуальный диск VM:)
COP MT:FORMAT.SAV VM: (Копируем программу FORMAT.SAV с ленты МТ: на виртуальный диск VM:)
BOOT VM: (Загружаемся с виртуального диска VM:)

Выходит:
RT-11SB V05.07
?KMON-F-File not found DK:STRTSB.COM

Набираем: FORMAT RK0: (Форматирум диск RK0:) (В эмуляторе этого делать не нужно)
INI RK0:

Набираем: FORMAT RK1: (Форматирум диск RK1:) (В эмуляторе этого делать не нужно)
INI RK1:

Копируем основные системные файлы с ленты на диск:
COP MT:RT11FB.SYS RK0:
COP MT:RT11SB.SYS RK0:
COP MT:SWAP.SYS RK0:
COP MT:RK.SYS RK0:
COP MT:SL.SYS RK0:
COP MT:MT.SYS RK0:

COP MT:DX.SYS RK0:
COP MT:DY.SYS RK0:

COP MT:LD.SYS RK0:
COP MT:DM.SYS RK0:
COP MT:DU.SYS RK0:
COP MT:MU.SYS RK0:


Копируем загрузчик FB из системного монитора на диск:
COP/BOO RK0:RT11FB.SYS RK0:

Копируем основные необходимые программы на диск:
COP MT:DIR.SAV RK0:
COP MT:PIP.SAV RK0:
COP MT:DUP.SAV RK0:
COP MT:RESORC.SAV RK0:
COP MT:DUMP.SAV RK0:
COP MT:KED.SAV RK0:
COP MT:HELP.SAV RK0:

COP MT:XL.SYS RK0:
COP MT:VTCOM.REL RK0:
COP MT:TRANSF.SAV RK0:


Копирум командный файл монитора FB:

COP MT:STRTFB.COM RK0:

Затем меняем его содержимое на следующее:

SET TT NOQUIET
SET SL ON


Загружаемся с RK0:

BOOT RK0:

В конфиге E11 указываем загрузку с RK0: boot rk0:


--------------------
Живы будем - Не помрем !
Пользователь в офлайнеКарточка пользователяОтправить личное сообщение
Вернуться в начало страницы
+Ответить с цитированием данного сообщения
SuperMax
сообщение 24.7.2012, 14:19
Сообщение #3


Администратор
*****

Группа: Root Admin
Сообщений: 6 377
Регистрация: 7.1.2006
Из: Красноярск
Пользователь №: 1



Передача файлов с локальной машины (Например ПиСи с Эмулятором E11) на удаленную машину (Например ДВК) и наоборот, а так-же ввод команд монитора на удаленной машине из файла на локальной машине.

Итак имеем две машины, локальную и удаленную.

На локальной машине в системе должны быть программы:

VTCOM.REL и XL.SYS для монитора FB/SB
или
VTCOM.SAV и XLX.SYS для монитора XM/ZM

Удаленная машина терминала не имеет, так как терминальный порт используется для связи с локальной машиной.
На удаленной машине в системе должна быть программа TRANSF.SAV

Для передачи файлов между машинами и для работы на удаленной машине, с локальной машины запускаем VTCOM.SAV
Сразу после запуска попадаем на удаленную машину, и можем с ней работать.
Для выхода из VTCOM используем Ctrl+P затем команду EX

Для копирования файлов запускаем из под VTCOM программу TRANSF.SAV

TRANSF DM0:DIR.SAV/T DW0:DIR.SAV


файл DIR.SAV c устройства DM0: на локальной машине копируется на устройство DW0: на удаленной машине

TRANSF DW0:DIR.SAV DM0:DIR.SAV/T

файл DIR.SAV c устройства DW0: на удаленной машине копируется на устройство DM0: на локальной машине

Если на удаленной машине нет системы, а нужно ввести какую-нибудь программу вручную с помощью консоли,
можно так-же воспользоваться VTCOM на локальной машине для ввода кодов:

Запускаем на локальной машине VTCOM.SAV
Сразу после запуска попадаем на удаленную машину, и видем удаленную консоль и можем с ней работать.

Для отправки файла

[ Например следующего содержания: ]
[ 1000/0 ]
[ 1002/2 ]
[ 1004/4 ]
[ ... ]
[ 1666/666 ]


с командами монитора @ используем Ctrl+P

Затем в меню VTCOM набираем команду SEND
И указываем имя файла с командами DM0:TEST.TXT
И видим удаленную консоль на которой набираются наши команды расписанные в файле TEST.TXT

Для выхода из VTCOM используем Ctrl+P затем команду EX

Для использования эмулятора Е11 в качестве локальной машины,
в его конфиге надо добавить следующее для связи удаленной машины с COM1

assign tt1: com1: /mode:9600,n,8,1


--------------------
Живы будем - Не помрем !
Пользователь в офлайнеКарточка пользователяОтправить личное сообщение
Вернуться в начало страницы
+Ответить с цитированием данного сообщения
SuperMax
сообщение 24.7.2012, 14:25
Сообщение #4


Администратор
*****

Группа: Root Admin
Сообщений: 6 377
Регистрация: 7.1.2006
Из: Красноярск
Пользователь №: 1



Собственно сам эмулятор Е11 настроенный, в соответствии
с верхними постами, и содержащий все образы указанные выше:

http://pdp-11.ru/mybk/pdp11/E11_tis.rar


--------------------
Живы будем - Не помрем !
Пользователь в офлайнеКарточка пользователяОтправить личное сообщение
Вернуться в начало страницы
+Ответить с цитированием данного сообщения
SuperMax
сообщение 24.7.2012, 14:26
Сообщение #5


Администратор
*****

Группа: Root Admin
Сообщений: 6 377
Регистрация: 7.1.2006
Из: Красноярск
Пользователь №: 1



Загрузка системы на ДВК, через второй терминальный порт.

Стандартная консоль имеет адреса 177560-177566 и это не меняется.
Адрес консоли на ДВК4 с 256Кб памати, для @ будет 17777560-17777566

Для проверки работы консоли отправляем код символа в последний адрес консоли:
@177566/000060 101 ВК (Для ДВК4: @17777566/000360 101 ВК)
Должен напечатать символ А (Его код 101)

Дополнительная консоль, в идеале должна иметь адреса 176560-176566
Адрес дополнительной консоли на ДВК4 с 256Кб памати, для @ будет 17776560-17776566

Для проверки работы дополнительной консоли отправляем код символа в последний адрес консоли:
@176566/000360 101 ВК (Для ДВК4: @17776566/000360 101 ВК)
Должен напечатать символ А (Его код 101) на втором, удаленном терминале.

В качестве дополнительной консоли мы можем использовать МС1201.03 настроенную следующим образом:

Конфигурация перемычек для работы порта МС1201.03 как 177560-177566:

IPB Image

Конфигурация перемычек для работы порта МС1201.03 как 176560-176566:

IPB Image

По умолчанию в ДВК4, на плате МС1201.03 порт уже настроен на адреса 176560-176566
А функции основной консоли с адресами 177560-177566 выполняет КЦГД


Если у нас нету платы МС1201.03, то в качестве дополнительной консоли мы можем
использовать плату УПО или И12 настроенные на адреса 176560-176566 их порта.


Итак, подключаем порт дополнительной консоли МС1201.03 к ПиСи через переходник Токовая Петля - RS232
На ПиСи под DOS запускаем программу эмуляции DecTape из архива:

http://www.tis.kz/progs/dvk/TU58.rar


На ДВК вводим следующую программу:


Цитата
00001000/000000 12701
00001002/000000 176560 *
00001004/000000 12702
00001006/000000 176564 *
00001010/000000 10100
00001012/000000 5212
00001014/000000 105712
00001016/000000 100376
00001020/000000 6300
00001022/000000 1005
00001024/000000 5012
00001026/000000 12700
00001030/000000 4
00001032/000000 5761
00001034/000000 2
00001036/000000 42700
00001040/000000 20
00001042/000000 10062
00001044/000000 2
00001046/000000 1362
00001050/000000 5003
00001052/000000 105711
00001054/000000 100376
00001056/000000 116123
00001060/000000 2
00001062/000000 22703
00001064/000000 1000
00001066/000000 101371
00001070/000000 5007


1000G

Теперь на ДВК должна загрузится система с DecTape, в качестве которого используется эмулятор на ПиСи.

В системе, в образе DD-RT11.DSK есть последние версии драйверов MX.SYS DW.SYS MY.SYS про которые рассказывалось в ближайших статьях на этом форуме и минимальный системный пакет RT11 v.5.04

DW.SYS Настроен на жесткий диск, разбитый на две части!
Как работать с DW и разбивать диск на части читать в этой теме:

http://www.tis.kz/forum/topic.ph...um=1&topic=4


Для чего нужно загружаться с дополнительного консольного порта?

- 1 У Вас нет на машине контроллера дисковода, и Вам нужно поработать с машиной...
- 2 У Вас на заводе грязно пыльно и дисководы быстро ломаются...
- 3 Вы коллекционер, у Вас есть ДВК и есть контроллер MX,
но нет ни одной дискеты MX, и нет контроллера MY.
Тут мы можем наделать сколько угодно загрузочных дискет MX...


Для создания дискеты MX на дисководе TEAC FD55FR или подобном на ДВК, подготавливаем дискету MX на ПиСи, с помощью утилит из архива:

http://www.tis.kz/progs/dvk/mx-dvk.rar


1) Загружаем драйвер для работы дискет MX в DOS:
C:\DVK.EXE

2) Форматируем дискету в дисководе А: в формате совместимым с MX и драйвером DVK.EXE
C:\DVKFMT.EXE A: /MX


Затем на ДВК, копируем систему с эмулированного DecTape на нашу дискету MX:
COP/SYS DD0:*.* MX0:

Прописываем загрузчик:
COP/BOO:MX MX0:RT11FB.SYS MX0:

Теперь пробуем загрузится с нашей дискеты MX:
BOO MX0:

Получилось? Отлично! Мы создали загрузочную дискету МХ, без единой рабочей дискеты МХ и без контроллера MY smile.gif

Загрузившись с дискеты MX, мы можем видеть и подключенный эмулятор DecTape DD:0, можно через
него так-же копировать файлы на ДВК с ПиСи.... Для этого достаточно иметь драйвер DD.SYS в системе..


Далее уже на имеющуюся у нас загрузочную дискету MX, мы можем писать на ПиСи что угодно,
под DOS, с помощью драйвера DVK.EXE

Так-же мы с этой дискетой можем работать на ДВК, как с обычной дискетой МХ...
Делать с нее копии, и т.д.



--------------------
Живы будем - Не помрем !
Пользователь в офлайнеКарточка пользователяОтправить личное сообщение
Вернуться в начало страницы
+Ответить с цитированием данного сообщения
SuperMax
сообщение 24.7.2012, 14:27
Сообщение #6


Администратор
*****

Группа: Root Admin
Сообщений: 6 377
Регистрация: 7.1.2006
Из: Красноярск
Пользователь №: 1



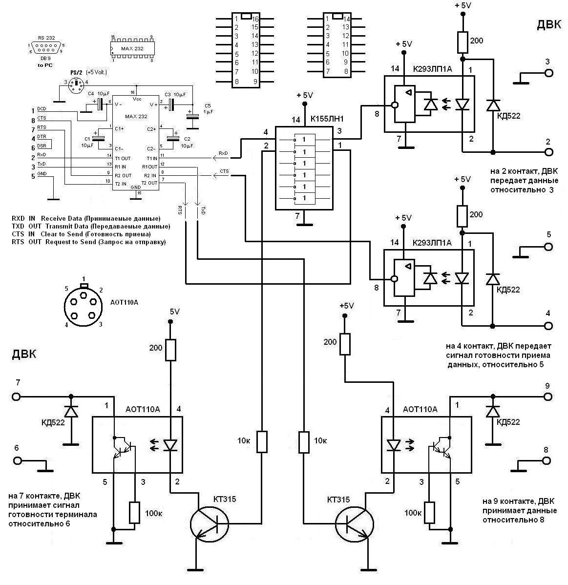
Вот схема переходника Токовая петля - RS232:

взято с http://www.tis.kz/forum/topic.php?forum=1&topic=16


Эскизы прикрепленных изображений
Прикрепленное изображение

--------------------
Живы будем - Не помрем !
Пользователь в офлайнеКарточка пользователяОтправить личное сообщение
Вернуться в начало страницы
+Ответить с цитированием данного сообщения

Ответить в эту темуОткрыть новую тему
1 чел. читают эту тему (гостей: 1, скрытых пользователей: 0)
Пользователей: 0

 



Текстовая версия Сейчас: 21.5.2026, 8:11