IPB

Здравствуйте, гость ( Вход | Регистрация )

 
Ответить в эту темуОткрыть новую тему
> Система управления освещением в прихожей-коридоре
SuperMax
сообщение 7.1.2013, 14:22
Сообщение #1


Администратор
*****

Группа: Root Admin
Сообщений: 6 346
Регистрация: 7.1.2006
Из: Красноярск
Пользователь №: 1



Первая версия системы интеллектального управления освещением

Постановка задачи:
1. есть прихожая и длинный коридор. надо обеспечить экономичное освещение при наличии необходимости в нем,
2. желательно обеспечить управление яркостью освещения ночью.


Решение.

1. используется простенький контроллер ATMEL ATTINY 2313
IPB Image
тактируется от встроенного генератора 8MHz

2. внешние датчики DSC LC-100 PI
IPB Image

настроены на максимальную чувствительность и расположены так, чтобы покрыть указанную территорию.
для удобства датчики подключаются по витой паре которая в конце разделывается в стандартные разъемы

3. для освещения использутся 12В светодиодная лента
4. Источник питания +12В - переделанный БП ATX-350
5. Для переключения день-ночь используется внешний таймер с календарем.


Решение обеспечивает плавное включение/выключение освещения с учетом времени суток.



--------------------
Живы будем - Не помрем !
Пользователь в офлайнеКарточка пользователяОтправить личное сообщение
Вернуться в начало страницы
+Ответить с цитированием данного сообщения
SuperMax
сообщение 7.1.2013, 14:29
Сообщение #2


Администратор
*****

Группа: Root Admin
Сообщений: 6 346
Регистрация: 7.1.2006
Из: Красноярск
Пользователь №: 1



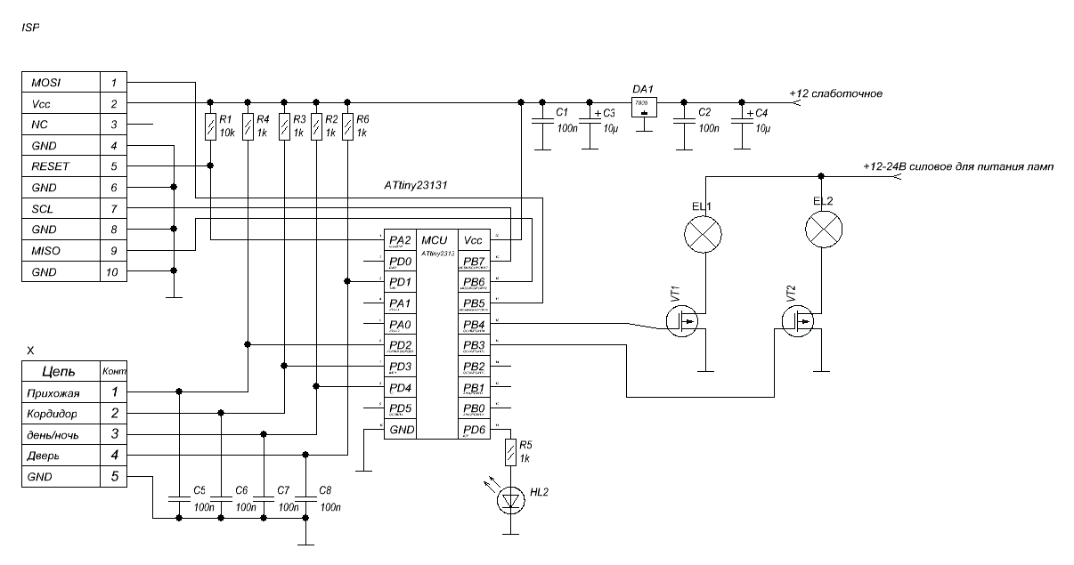
Схема
Прикрепленное изображение
импульсные помехи с датчиков давятся 100н конденсаторами
остальное решение очевидное и не нуждается в описании
ключевые транзисторы - любые из современной материнской платы (те TTL-управляемые)
устанавливаются со стороны дорожек




--------------------
Живы будем - Не помрем !
Пользователь в офлайнеКарточка пользователяОтправить личное сообщение
Вернуться в начало страницы
+Ответить с цитированием данного сообщения
SuperMax
сообщение 7.1.2013, 14:32
Сообщение #3


Администратор
*****

Группа: Root Admin
Сообщений: 6 346
Регистрация: 7.1.2006
Из: Красноярск
Пользователь №: 1



Печатная плата



Прикрепленные файлы
Прикрепленный файл  _____________________v2.1.lay6.rar ( 18.66 килобайт ) Кол-во скачиваний: 805


--------------------
Живы будем - Не помрем !
Пользователь в офлайнеКарточка пользователяОтправить личное сообщение
Вернуться в начало страницы
+Ответить с цитированием данного сообщения
SuperMax
сообщение 7.1.2013, 14:38
Сообщение #4


Администратор
*****

Группа: Root Admin
Сообщений: 6 346
Регистрация: 7.1.2006
Из: Красноярск
Пользователь №: 1



Программа - проект в CodeVison (рекомендуется собирать именно в нем тк AVR Studio c AVR GCC сильно уступают по оптимальности кода и как следствие придется брать микроконтроллер с большим объемом флеша)

Прикрепленный файл  U5_16.c ( 15.08 килобайт ) Кол-во скачиваний: 1352


весь проект
Прикрепленный файл  u5.rar ( 63.33 килобайт ) Кол-во скачиваний: 1283


Модель для отладки в Proteus
Прикрепленный файл  dsn.rar ( 61.61 килобайт ) Кол-во скачиваний: 1284



--------------------
Живы будем - Не помрем !
Пользователь в офлайнеКарточка пользователяОтправить личное сообщение
Вернуться в начало страницы
+Ответить с цитированием данного сообщения
SuperMax
сообщение 7.1.2013, 14:46
Сообщение #5


Администратор
*****

Группа: Root Admin
Сообщений: 6 346
Регистрация: 7.1.2006
Из: Красноярск
Пользователь №: 1



описание программного решения

1. используются 2 таймера
0й - 8ми битный используется для прерывания с частотой 128Hz
1й - используется для 10битного ШИМ-а - непосредственно задает яркость освещения.

2. сама программа управления освещением в обработке прерывания - те просчет идет в частотой 128Hz
в принципе частоту можно взять и другую - задав ее в константе OCR_CLOCK
и изменив пересчет в функциях tim_write_p tim_write_k

3.
// базовые константы аппаратного решения
#define OCR_CLOCK 128 // реальная частота таймера в герцах
#define MAX_LIGHT 1023 // максимальное значение шим-а
// порты входных сигналов
#define DAY PIND.4 // PIND.4 день/ночь ==0 ночь
#define KOR PIND.3 // PIND.3 коридор ==1 активно (датчики нз на землю)
#define PRI PIND.2 // PIND.2 прихожая ==1 активно (датчики нз на землю)
#define DOR PINA.1 // PINA.1 дверь ==1 активно (датчики нз на землю)
// порт выхода
#define LED PORTD.6 // светодиод которым мигаем
#define LED2 PORTD.0 // светодиод которым мигаем
// таймеры
#define OCR_PRI OCR1A
#define OCR_KOR OCR1B

4. яркости в %
#define L_day_p 100 // значение дня прихожей
#define L_day_k 100 // значение дня коридора
#define L_night_p 30 // значение ночи прихожей
#define L_night_k 10 // значение ночи коридора

5. длительности процессов
#define L_TP 90 // длительность горения света в прихожей в секундах
#define L_TK 90 // длительность горения света в прихожей в секундах
#define L_TBBP 3 // время выхода на рабочий режим в секундах / прихожая
#define L_TBBK 3 // время выхода на рабочий режим секундах / коридор
#define L_TBEP 50 // время выключения в секундах / прихожая
#define L_TBEK 50 // время выключения в секундах / коридор
#define L_LEV_P 50 // порог активности для выхода из ночного режима секундах / прихожая
#define L_LEV_K 100 // порог активности для выхода из ночного режима секундах / коридиор




--------------------
Живы будем - Не помрем !
Пользователь в офлайнеКарточка пользователяОтправить личное сообщение
Вернуться в начало страницы
+Ответить с цитированием данного сообщения
SuperMax
сообщение 7.1.2013, 14:59
Сообщение #6


Администратор
*****

Группа: Root Admin
Сообщений: 6 346
Регистрация: 7.1.2006
Из: Красноярск
Пользователь №: 1



Версия 64Hz



Прикрепленные файлы
Прикрепленный файл  u5.rar ( 65.6 килобайт ) Кол-во скачиваний: 900


--------------------
Живы будем - Не помрем !
Пользователь в офлайнеКарточка пользователяОтправить личное сообщение
Вернуться в начало страницы
+Ответить с цитированием данного сообщения
SuperMax
сообщение 11.1.2013, 10:03
Сообщение #7


Администратор
*****

Группа: Root Admin
Сообщений: 6 346
Регистрация: 7.1.2006
Из: Красноярск
Пользователь №: 1



версия 64Hz + 13bit ШИМ
оптимум по плавности управления ярскостью


Прикрепленные файлы
Прикрепленный файл  U5.RAR ( 66.13 килобайт ) Кол-во скачиваний: 869


--------------------
Живы будем - Не помрем !
Пользователь в офлайнеКарточка пользователяОтправить личное сообщение
Вернуться в начало страницы
+Ответить с цитированием данного сообщения

Ответить в эту темуОткрыть новую тему
3 чел. читают эту тему (гостей: 3, скрытых пользователей: 0)
Пользователей: 0

 



Текстовая версия Сейчас: 17.11.2025, 16:30