IPB

Здравствуйте, гость ( Вход | Регистрация )

> Монитор МС6106, МС-6106 МС 6106
SuperMax
сообщение 22.11.2014, 17:26
Сообщение #1


Администратор
*****

Группа: Root Admin
Сообщений: 6 377
Регистрация: 7.1.2006
Из: Красноярск
Пользователь №: 1



МС6106 единственный полноценный цветной монитор которым комплектовались компьютеры советской эпохи.
достаточно распространенный монитор - им комплектовались БК, УКНЦ, ДВК, Электроника МС0585 а также прочие компьютеры советской эпохи.
Питание внутреннее 220В
Как правило имеет два разъема, СГ-5 (DIN 5) и РП15-15.


Модели:

МС6106.01
МС6106.02
МС6106.03
МС6106.04
МС6106.05
МС6106.06
МС6106.07
МС6106.08

Основные отличия
- цифровой вход TTL - работа в качестве CGA монитора с PC-совместимыми EC-ками
- аналоговый вход - для работы с ДВК, Электроника МС0585 и УКНЦ





схема монитора модификации от 01 до 06 - те с раздельным питанием - строчной развертки и высокого (те 2 строчных транзистора)
.08 модификация упоминается, но частично

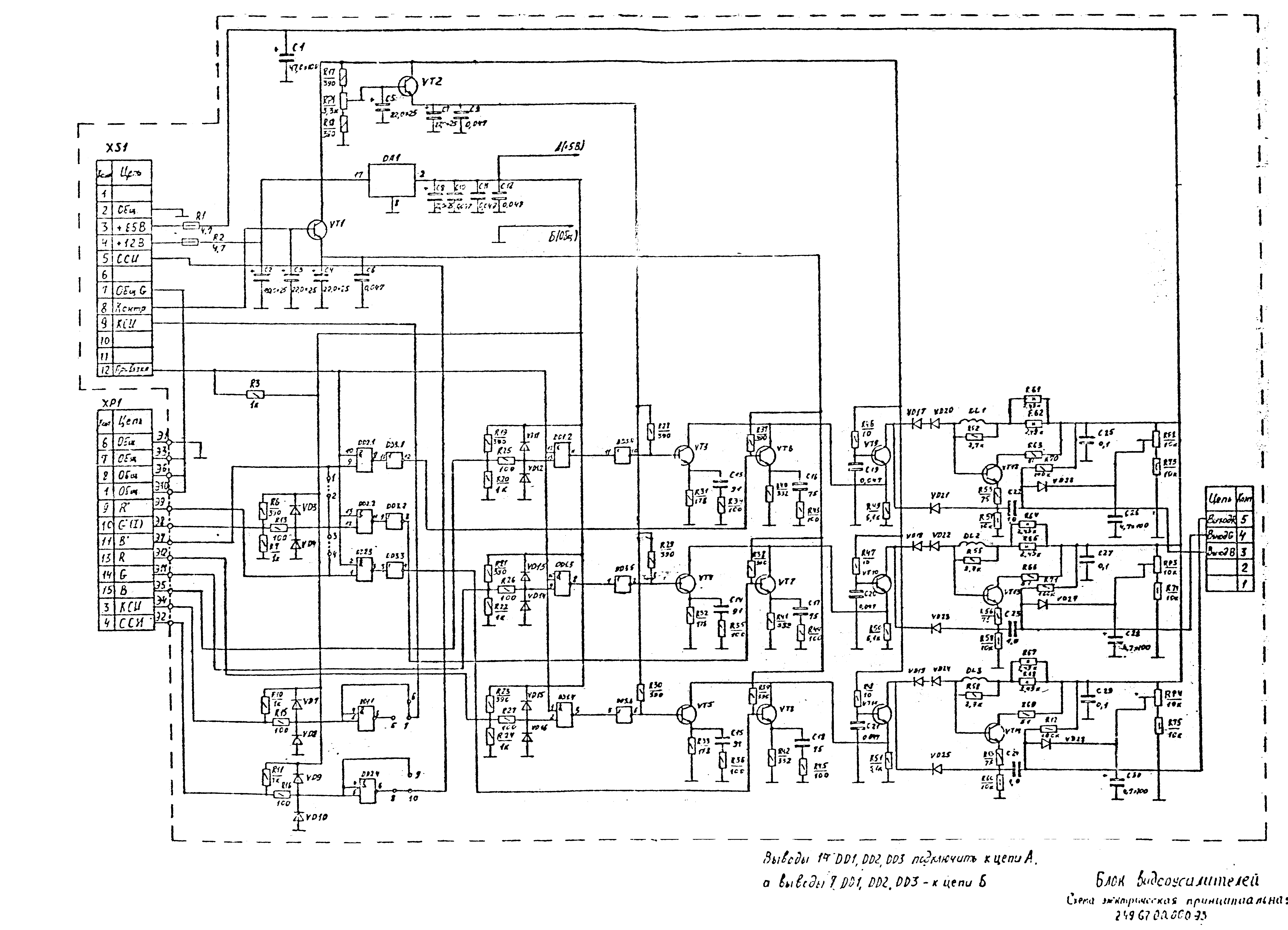
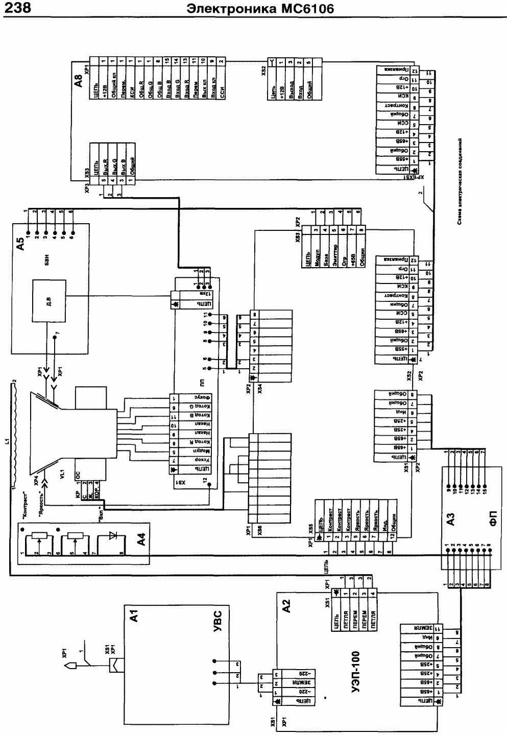
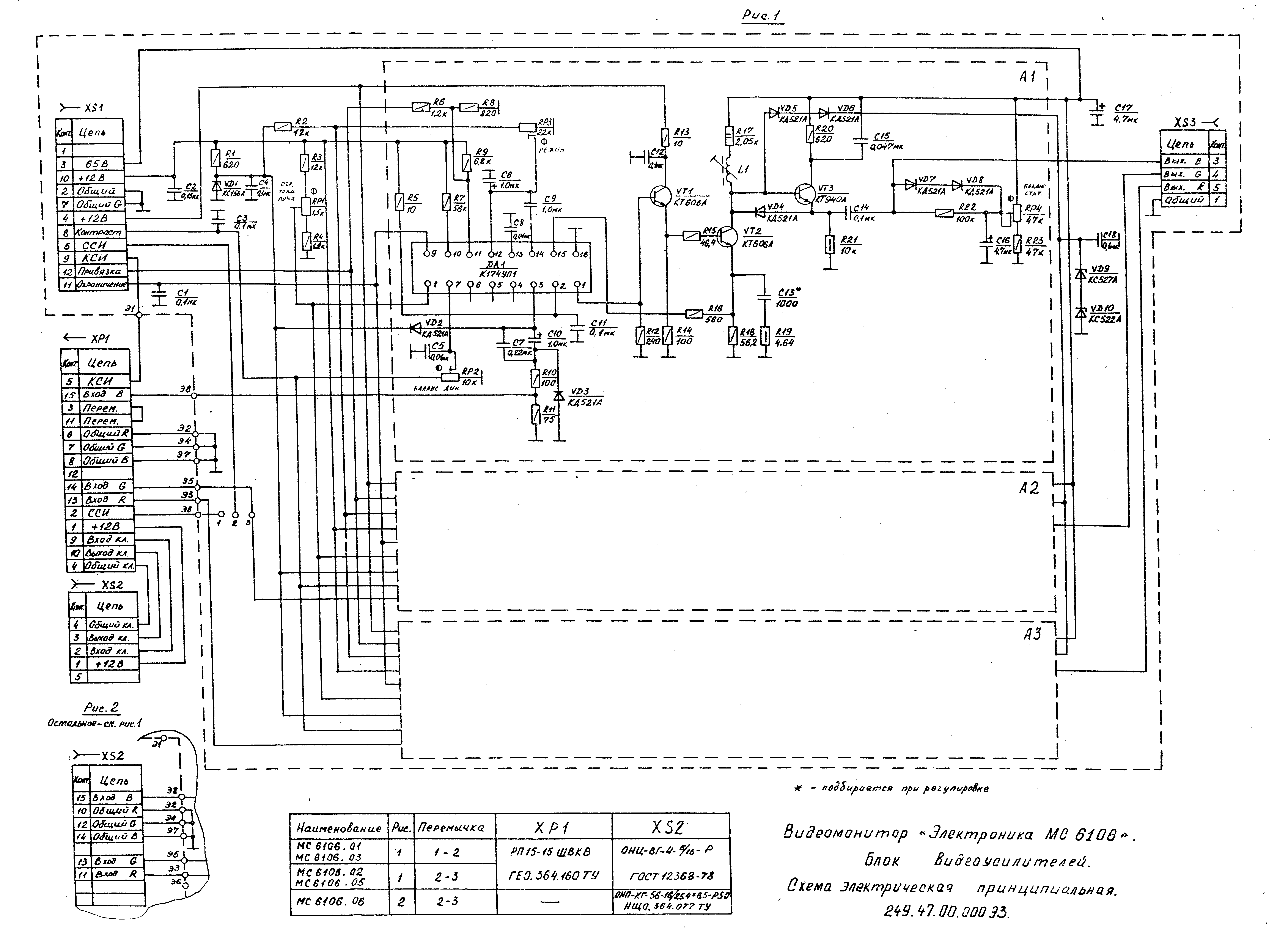
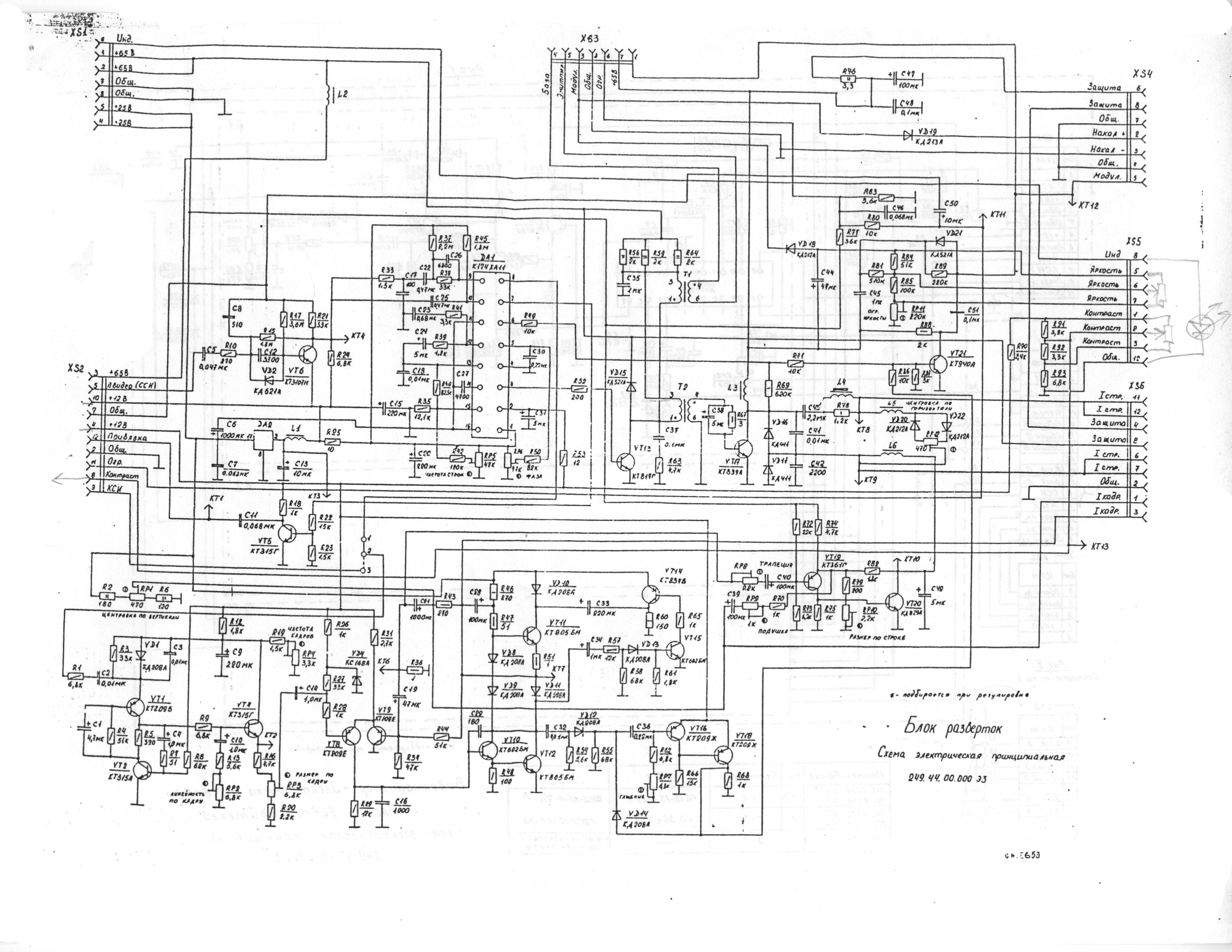
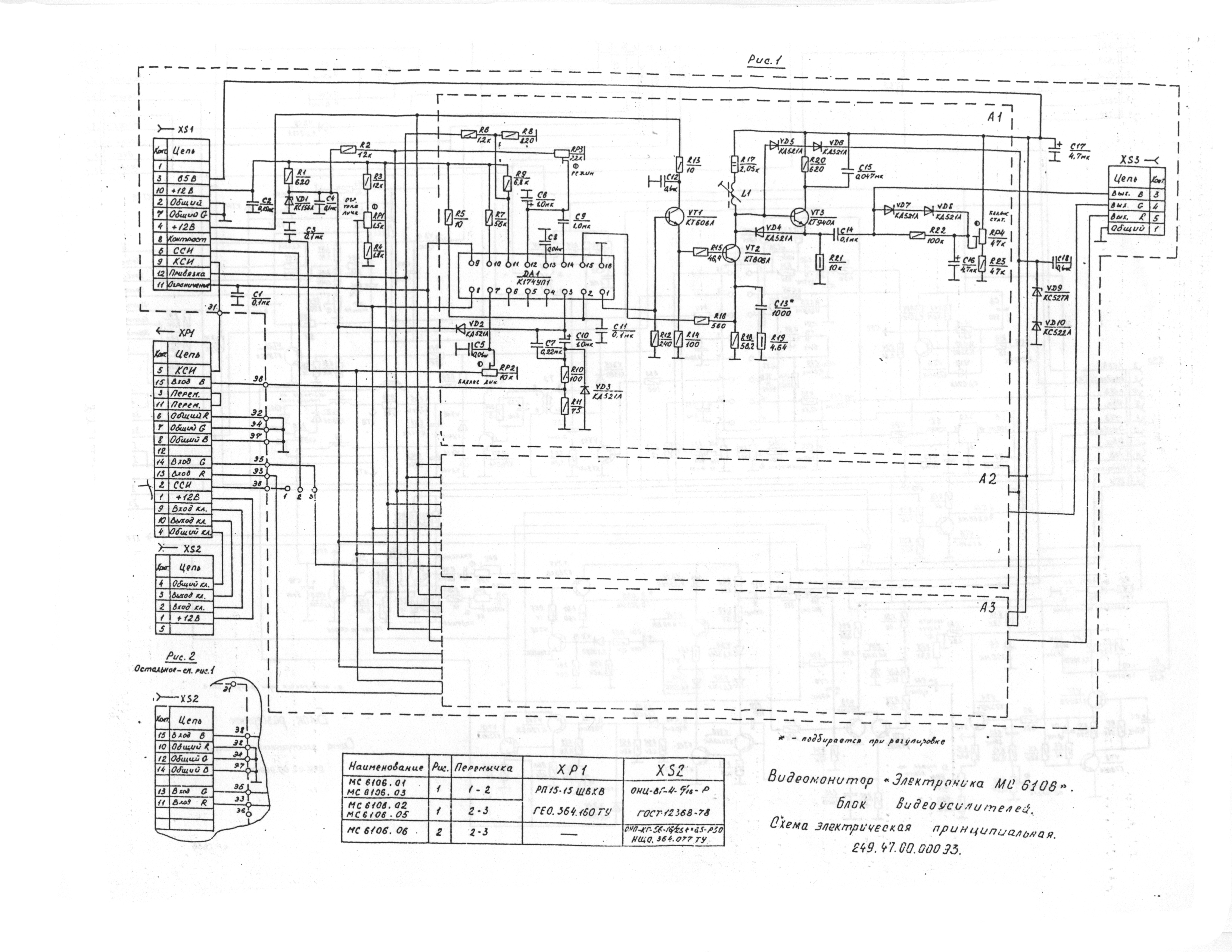
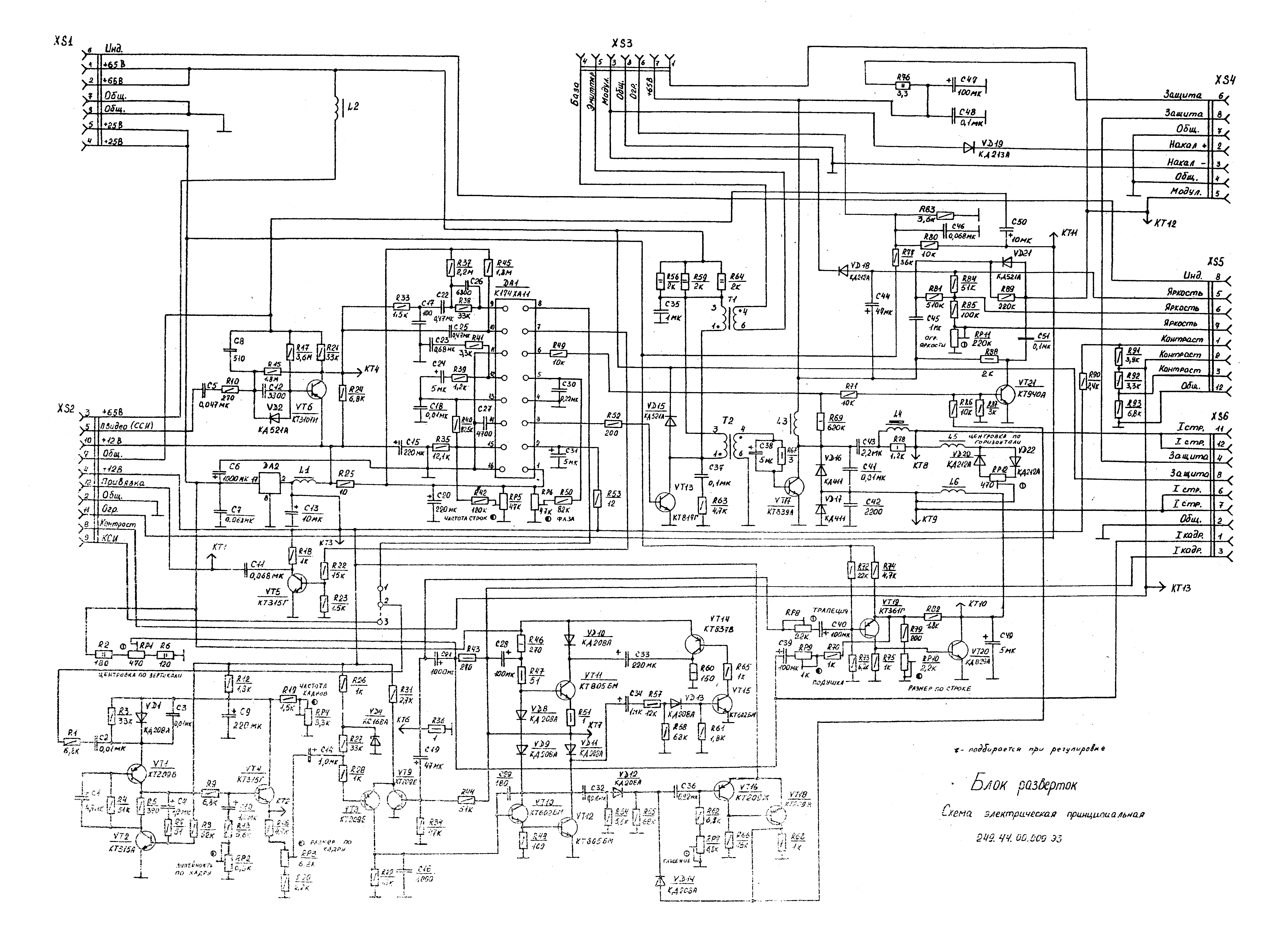
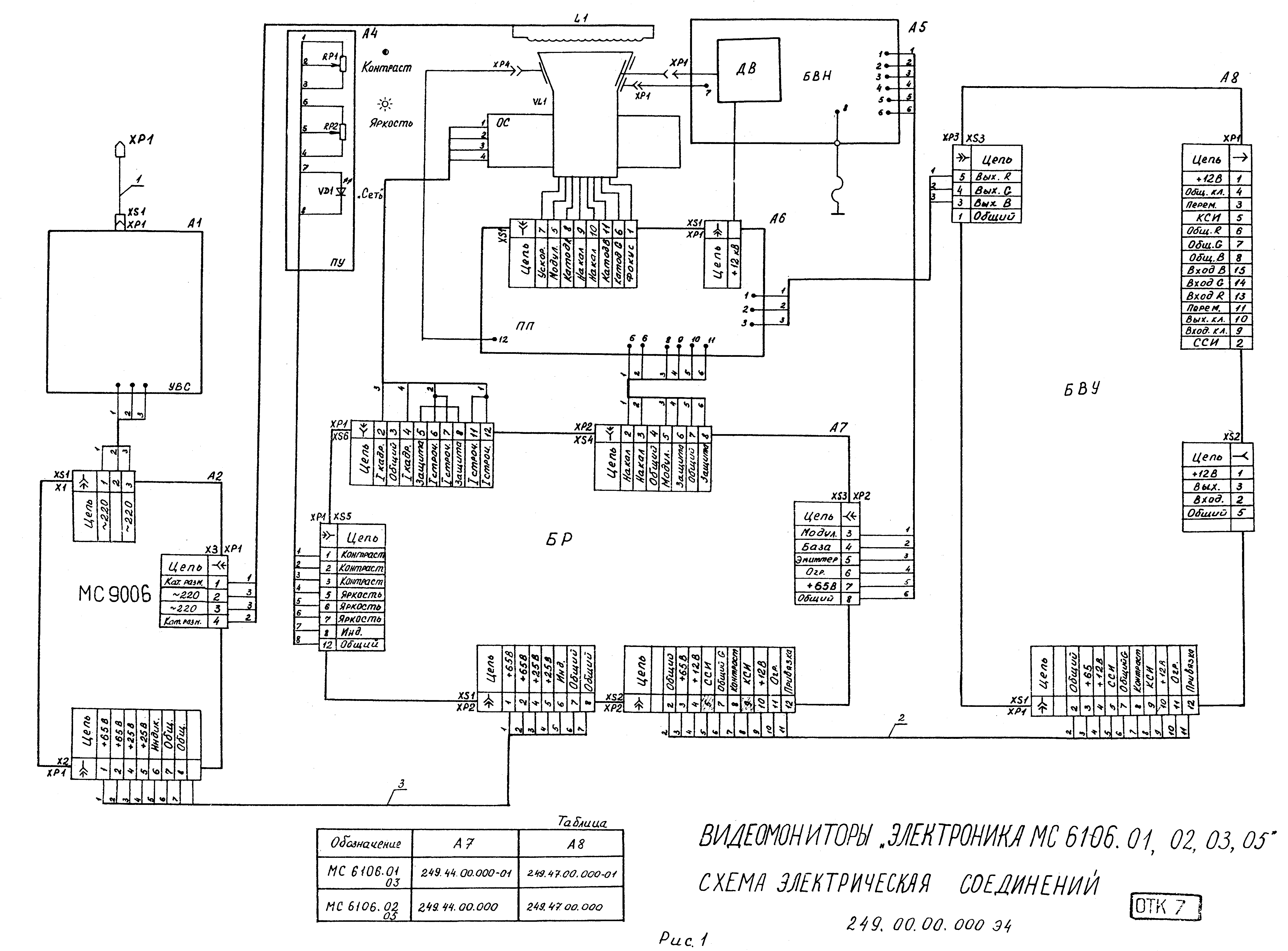
1й комплект схем (мой скан) (аналоговые входы)
Прикрепленное изображениеПрикрепленное изображение
Прикрепленное изображениеПрикрепленное изображение
Прикрепленное изображениеПрикрепленное изображение
Прикрепленное изображениеПрикрепленное изображение
Прикрепленное изображениеПрикрепленное изображение

2й комплект схем
(цифровые входы)
Прикрепленное изображениеПрикрепленное изображениеПрикрепленное изображение
Прикрепленное изображениеПрикрепленное изображениеПрикрепленное изображение
Прикрепленное изображениеПрикрепленное изображениеПрикрепленное изображение
Прикрепленное изображение

3й комплект схем
Прикрепленное изображениеПрикрепленное изображениеПрикрепленное изображениеПрикрепленное изображение
Прикрепленное изображениеПрикрепленное изображениеПрикрепленное изображениеПрикрепленное изображение


Паспорт к монитору 6106
Прикрепленный файл  __6106.djvu ( 4.16 мегабайт ) Кол-во скачиваний: 2525



UPD: по схеме БП МС9006
на схеме отсутствует соединение между минусом С6 и диодом VD2
реально там должна стоять точка на перекрестье этих линий



--------------------
Живы будем - Не помрем !
Пользователь в офлайнеКарточка пользователяОтправить личное сообщение
Вернуться в начало страницы
+Ответить с цитированием данного сообщения
 
Ответить в эту темуОткрыть новую тему
Ответов(1 - 4)
SuperMax
сообщение 6.1.2016, 13:35
Сообщение #2


Администратор
*****

Группа: Root Admin
Сообщений: 6 377
Регистрация: 7.1.2006
Из: Красноярск
Пользователь №: 1




Разъём РП15
  1. +12 В
  2. ССИ
  3. Контроль
  4. Общий клавиатуры
  5. КСИ
  6. Земля красного
  7. Земля зеленого
  8. Земля синего
  9. Вход клавиатуры
  10. Выход клавиатуры
  11. Контроль
  12. Красный
  13. Зеленый
  14. Синий


--------------------
Живы будем - Не помрем !
Пользователь в офлайнеКарточка пользователяОтправить личное сообщение
Вернуться в начало страницы
+Ответить с цитированием данного сообщения
SuperMax
сообщение 6.1.2016, 13:44
Сообщение #3


Администратор
*****

Группа: Root Admin
Сообщений: 6 377
Регистрация: 7.1.2006
Из: Красноярск
Пользователь №: 1



Более подробно о ремонте в теме

Ремонт монитора МС6106 08


--------------------
Живы будем - Не помрем !
Пользователь в офлайнеКарточка пользователяОтправить личное сообщение
Вернуться в начало страницы
+Ответить с цитированием данного сообщения
Vogul
сообщение 27.12.2022, 13:10
Сообщение #4


Пользователь
**

Группа: Участники
Сообщений: 13
Регистрация: 7.3.2016
Пользователь №: 34 741



А какие мониторы из "полноценных" советских умели принимать цифровой RGBI сигнал (например, от ПК Корвет, Сура/Веста)?
Пользователь в офлайнеКарточка пользователяОтправить личное сообщение
Вернуться в начало страницы
+Ответить с цитированием данного сообщения
SuperMax
сообщение 28.12.2022, 1:16
Сообщение #5


Администратор
*****

Группа: Root Admin
Сообщений: 6 377
Регистрация: 7.1.2006
Из: Красноярск
Пользователь №: 1



Цитата(Vogul @ 27.12.2022, 13:10) *
А какие мониторы из "полноценных" советских умели принимать цифровой RGBI сигнал (например, от ПК Корвет, Сура/Веста)?

не знал что там яркость отдельно
кстати, а чем комплектовались классы ?
я помню что там чб ВК8071 были, а вот какой был цветной на учительском - не могу вспомнить


--------------------
Живы будем - Не помрем !
Пользователь в офлайнеКарточка пользователяОтправить личное сообщение
Вернуться в начало страницы
+Ответить с цитированием данного сообщения

Ответить в эту темуОткрыть новую тему
1 чел. читают эту тему (гостей: 1, скрытых пользователей: 0)
Пользователей: 0

 



Текстовая версия Сейчас: 27.4.2026, 23:53