IPB

Здравствуйте, гость ( Вход | Регистрация )

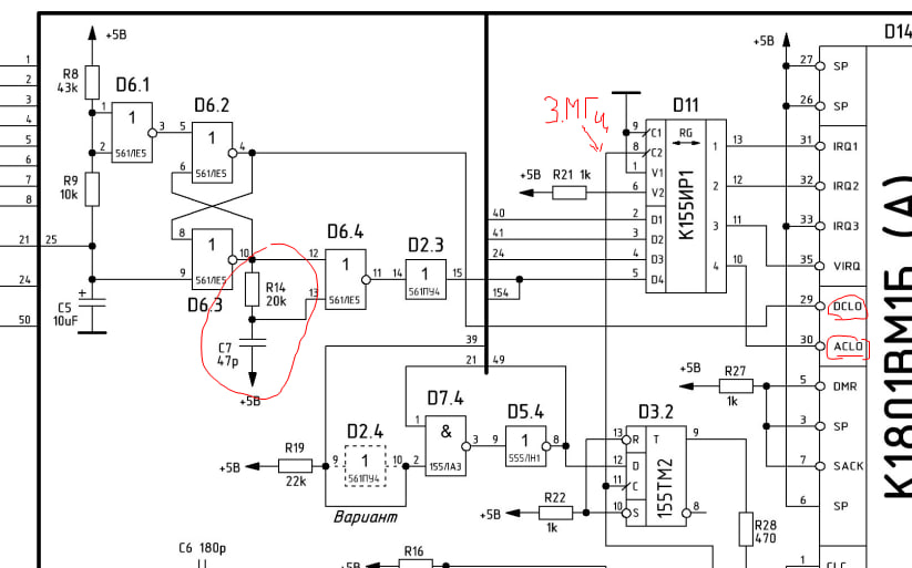
> Как формируется задержка 70 мс между DCLO и ACLO при 47 пФ и 20 кОм цепочке?
KilkennyCat
сообщение 4.9.2024, 5:43
Сообщение #1


Новичок
*

Группа: Участники
Сообщений: 1
Регистрация: 4.9.2024
Пользователь №: 36 030



Приветствую!
Подскажите, пожалуйста, как формируется задержка 70 мс между DCLO и ACLO, если постоянная времени R14C7 всего 0.00094 мс? При частоте регистра D11 3 МГц даже в лучшем случае задержка в нём не добавит практически ничего. Цепь 154 нагружена на вход триггера D3.1 (ЗАГЛ/СТР)
Сейчас выход D2.3 висит в воздухе, но задержки "мин 70 мс" нет. Увеличение ёмкости С7 ожидаемо даёт появление задержки. Я несколько в растерянности, буду благодарен на разъяснение, где ошибаюсь.

Прикрепленное изображение
Пользователь в офлайнеКарточка пользователяОтправить личное сообщение
Вернуться в начало страницы
+Ответить с цитированием данного сообщения
 
Ответить в эту темуОткрыть новую тему
Ответов(1 - 2)
SuperMax
сообщение 3.10.2024, 13:01
Сообщение #2


Администратор
*****

Группа: Root Admin
Сообщений: 6 377
Регистрация: 7.1.2006
Из: Красноярск
Пользователь №: 1



Как я помню, там реально маленькая задержка - и да 70мс там нет


--------------------
Живы будем - Не помрем !
Пользователь в офлайнеКарточка пользователяОтправить личное сообщение
Вернуться в начало страницы
+Ответить с цитированием данного сообщения
Владимир
сообщение 29.11.2025, 19:32
Сообщение #3


Пользователь
**

Группа: Участники
Сообщений: 16
Регистрация: 22.10.2023
Пользователь №: 36 000



Цитата(SuperMax @ 3.10.2024, 16:01) *

Как я помню, там реально маленькая задержка - и да 70мс там нет

На всех БКшках, что у меня были, ради интереса промерял интервал между ACLO и DCLO, ибо, ну это протокол запуска процессора, так-то. Так вот, только на ОДНОЙ была задержка между сигналами "как по учебнику" - 320 мс. То есть, 0,32 сек. На остальных эти сигналы поднимались, можно сказать, одновременно.
Пользователь в офлайнеКарточка пользователяОтправить личное сообщение
Вернуться в начало страницы
+Ответить с цитированием данного сообщения

Ответить в эту темуОткрыть новую тему
1 чел. читают эту тему (гостей: 1, скрытых пользователей: 0)
Пользователей: 0

 



Текстовая версия Сейчас: 1.5.2026, 10:49