Помощь - Поиск - Пользователи - Календарь
Полная версия: Схемы УКНЦ и переферии
MAXIOL > Техника > DEC hardware / software > УКНЦ / МС0511
SuperMax
БП УКНЦ 220В МС9022.02
Нажмите для просмотра прикрепленного файла
отличный БП - надо только емкости заменить на современные
те что на выходе +5В - менять на LowESR


в природе есть МС9022.01 - глючная версия
схема несколько отличается, но в инете я ее не нашел
у меня есть такой БП, нерабочий
точнее пытается работать, но стабильно выжигает диодный мост
до меня его кто-то пытался исправить, но не успешно
SuperMax
КНГМД


SuperMax
МС6105 чб монитор

Схемы паспорта на мониторы серии МС6105
SuperMax
КМД УК

мои сканы

обработка чб
Нажмите для просмотра прикрепленного файла

обработка цветная
Нажмите для просмотра прикрепленного файла

оригинал
Нажмите для просмотра прикрепленного файла

сзади схемы обнаружилась доработка, которую я когда-то делал
назначение, увы вспомнить не могу
Нажмите для просмотра прикрепленного файла

SuperMax
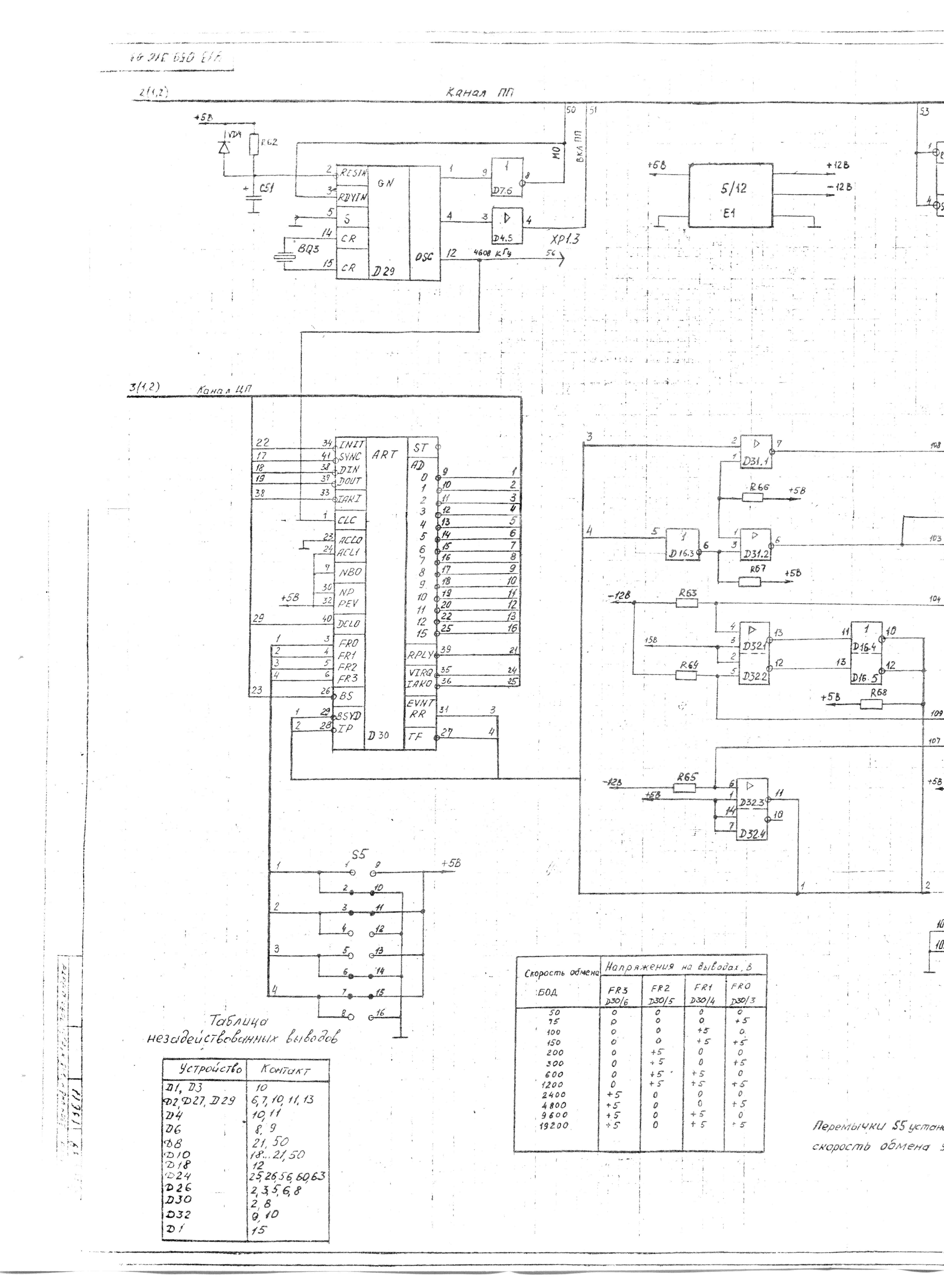
Контроллер СА
схема электрическая принципиальная
У13.065.303 ЭЗ


оригинал
Нажмите для просмотра прикрепленного файла

обработка цветная
Нажмите для просмотра прикрепленного файла

обработка чб
Нажмите для просмотра прикрепленного файла
Это текстовая версия — только основной контент. Для просмотра полной версии этой страницы, пожалуйста, нажмите сюда.
Русская версия Invision Power Board © 2001-2025 Invision Power Services, Inc.