Помощь - Поиск - Пользователи - Календарь
Полная версия: Схемы для БК и ее периферии
MAXIOL > Техника > DEC hardware / software > БК 0010 / 11 / 11M
SuperMax
БП к БК0010 [мой скан]МС9011 он же кирпич
Нажмите для просмотра прикрепленного файла

SuperMax
Мышка Марсианка

Нажмите для просмотра прикрепленного файла
Нажмите для просмотра прикрепленного файла
подключение мышки тут
http://forum.maxiol.com/index.php?showtopic=4905

Джойстик герконовый
Нажмите для просмотра прикрепленного файла
Нажмите для просмотра прикрепленного файла
Нажмите для просмотра прикрепленного файла

схема
общий Б19
левая кнопка - Б22
правая кнопка - A21

сам джойстик
лево - Б17
право - А24
вверх - Б24
вниз - Б23



SuperMax
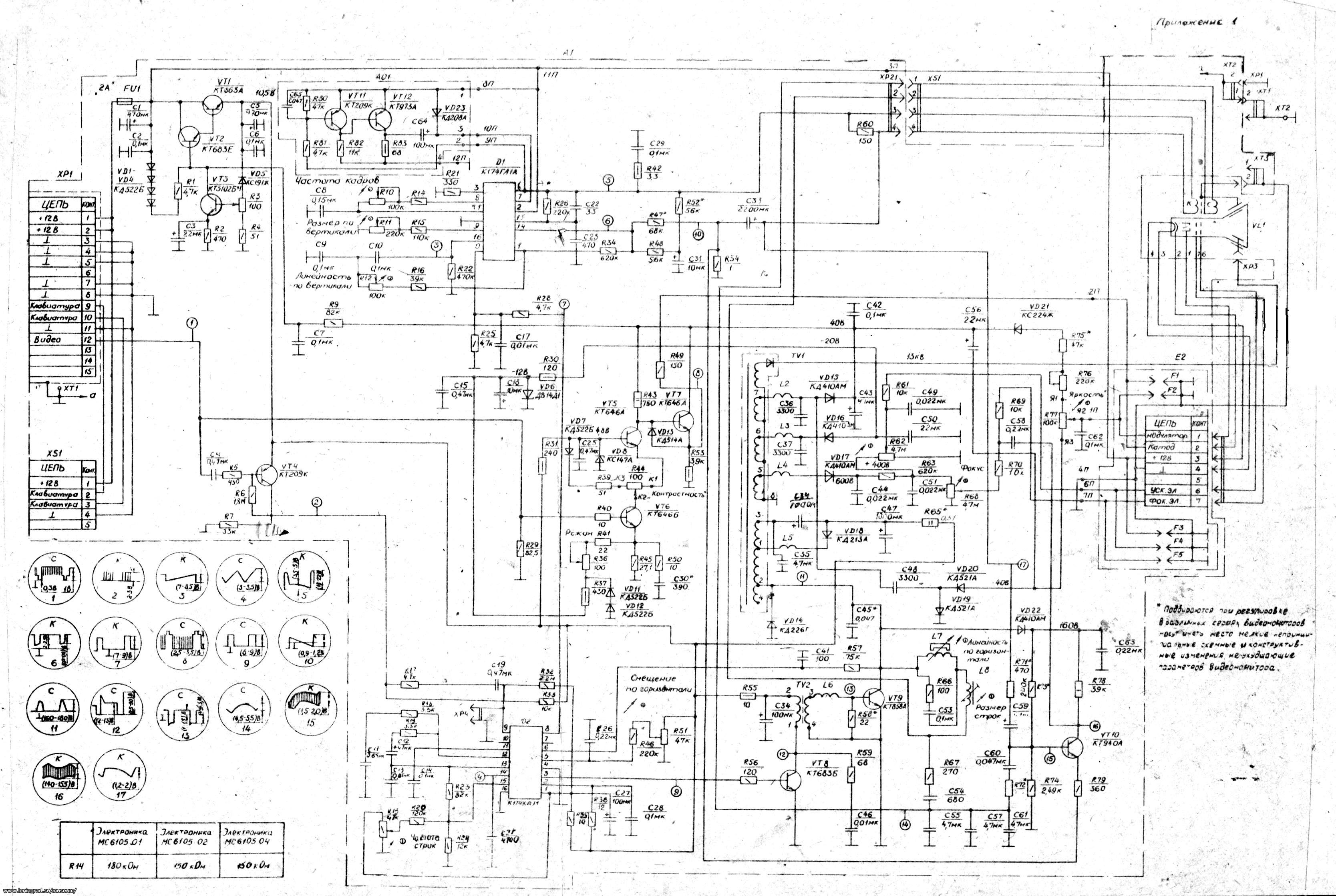
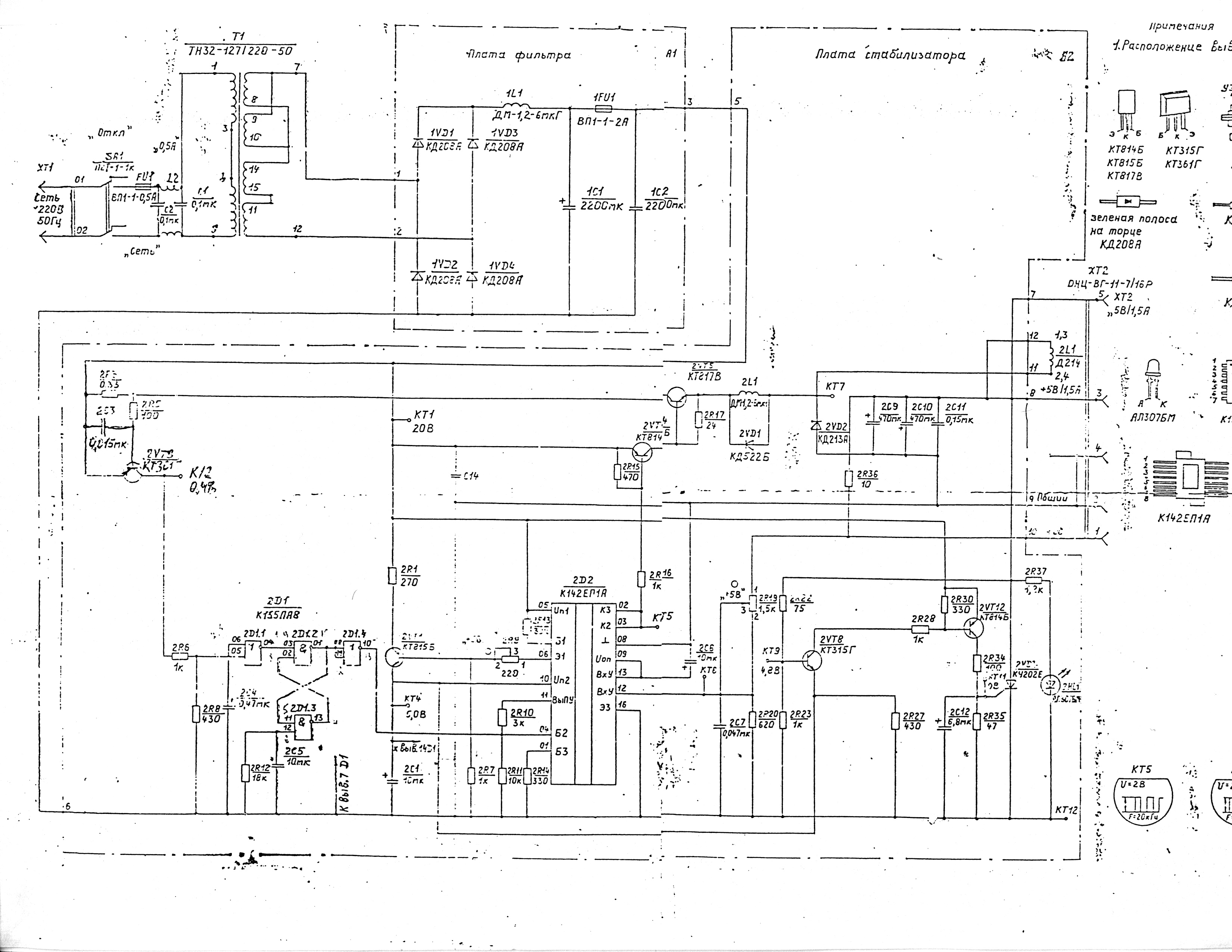
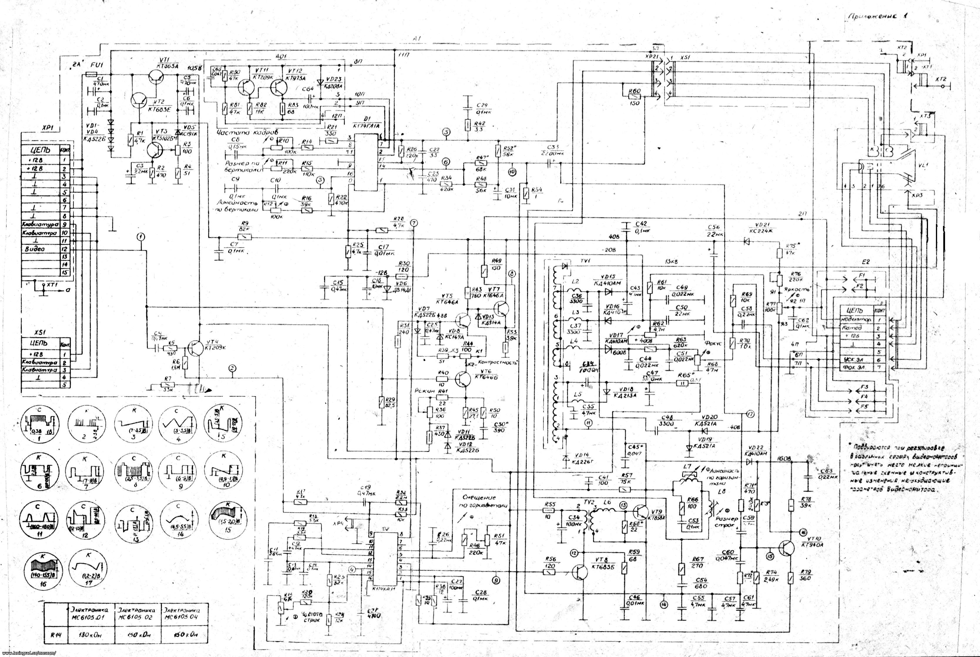
Электроника Д2-36 / Д2-36-01

данные блоки питания использовались для мониторов:
Электроника МС 6105.05
Электроника МС 6105.08
Электроника МС 6105.13
Электроника МС 6105.14
Электроника МС 6105.15
Электроника МС 6105.16

схемы блока питания "Электроника Д2-36
Нажмите для просмотра прикрепленного файла
Нажмите для просмотра прикрепленного файла
Нажмите для просмотра прикрепленного файлаНажмите для просмотра прикрепленного файла
схема блока питания "Электроника Д2-36-01
Нажмите для просмотра прикрепленного файла

Подробно про монитор МС6105
SuperMax
БП АГАТ (часто применялся для питания БК-шки с дисководами)
SuperMax
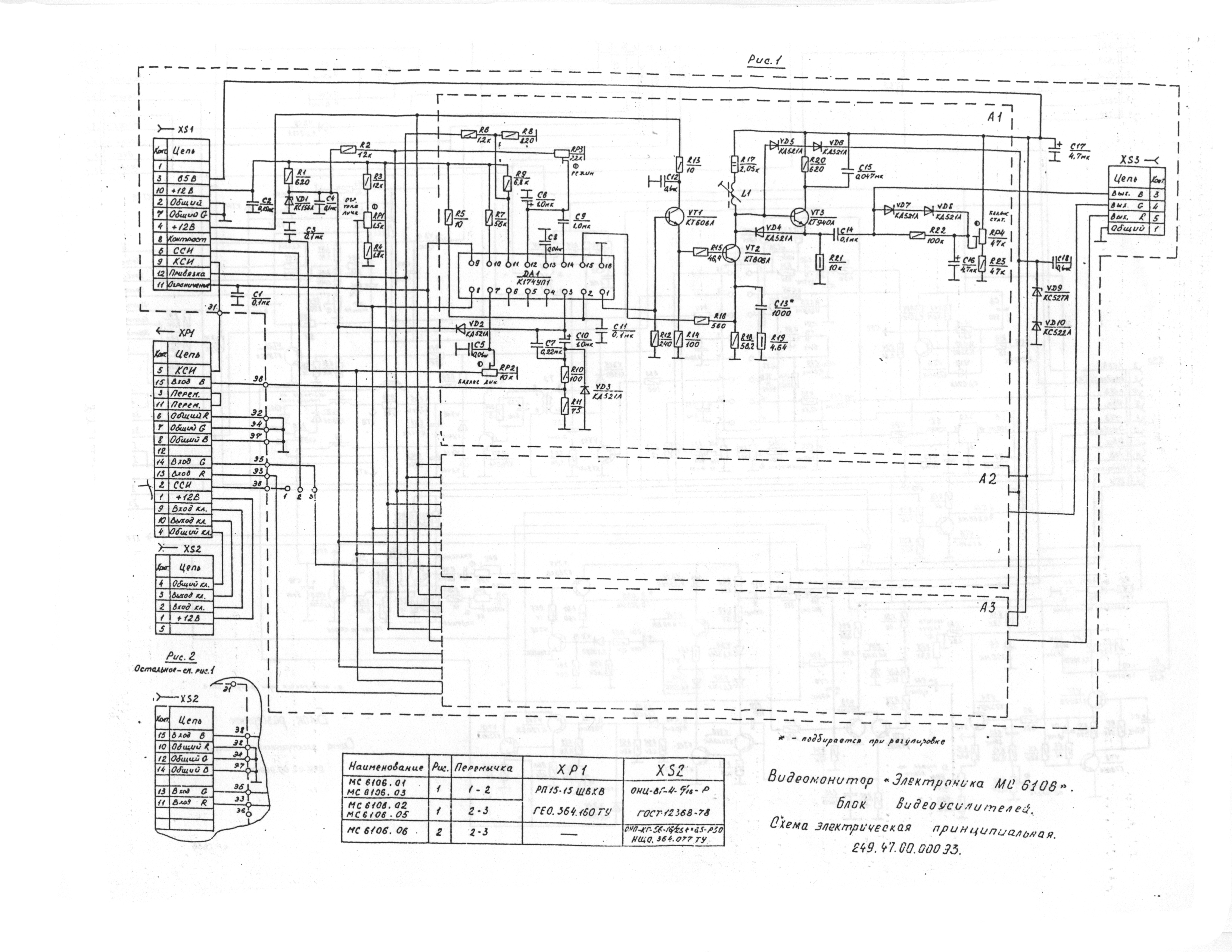
МС9006 БП к монитору МС6106
SuperMax
КНГМД для БК0011М [моя ремонтная схема, с моими рисунками]

Нажмите для просмотра прикрепленного файла


фото оригинала
Нажмите для просмотра прикрепленного файла

БКшка равно как и другие PDP-11 используют интерфейс Shugart 34-pin (опционально упакованный в 40pin)
https://www.hermannseib.com/english/synths/ppg/wtfloppy.htm

Нажмите для просмотра прикрепленного файла
SuperMax
Cхема контроллера расширенной памяти
из коллекции Denis 'KT315B"
SuperMax
Схема БК0010-01 клавиатура старого образца


SuperMax
Блок МСТД10-01 (схема принципиальная)

SuperMax
Блок КНГМД (схема принципиальная)

Стандартный блок КНГМД, шедший в комплекте поставки к БК0011(М)
Дорисована часть доработок Бориса Фролкина, взятых из статьи в ПК-БК 94/2


SuperMax
Был разработан Луговым. Предназначался для установки внутрь БК11М, в разъем подключения
доп платы Бейсика11. На краевой разъём контроллера припаивался стандартный КНГМД, с установленной модифицированной
прошивкой (1801РР1). Винчестер 2,5" также находился внутри БК.
Изначально КЖД был собран на рассыпухе, затем схема была оптимизирована, за счёт применения ПЗУ вместо отдельных лог. микросхем,
и в таком виде и затёртыми микросхемами КЖД успешно продавался в Самаре и Москве (где у Новака он переродился в СМК).
Контроллер не имел служебного ОЗУ, поэтому при обращении к винчестеру, приходилось сначала читать таблицу разделов винта.

Доступ:

177640 - статус/команда
177642 - выбор НЖМД и головки
177644 - ст.байт номера дорожки
177646 - мл.байт номера дорожки
177650 - номер сектора
177652 - счетчик секторов
177654 - код ошибки/не используется
177656 - данные чтения/записи
177620 - адрес накопителя/не используется
177622 - 2-й статус/сброс

Выражается благодарность Тимофееву Андрею (Terra), за то что ...надцать лет назад дал, это чудо тогдашней техники, для расшифровки
схемы.


SuperMax
Польский блок питания, компактный, мощный, надёжный.


SuperMax
БК0010
Нажмите для просмотра прикрепленного файла
[качество откровенно плохое]
SuperMax
Обнаружил пачку схем которые еще не отсканировал
восполняю пробел
БК-0010

оригинал
Нажмите для просмотра прикрепленного файла
обработка - подписал плохочитаемое

Нажмите для просмотра прикрепленного файла

обнаруженные ошибки на схеме
сигнал на УП B1 имеет подключение не к шине 35 как на схеме а к 41

Б1 соединен с Б8 и через резистор 11ком подключен к выходу 12 регистра ИР1
технически это бит 5 (используется для передачи данных на магнитофон, либо сигнала готовности на линию)
те на схеме он должен быть соединен с выходом на магнитофон, но в ранних БК этого не было
Нажмите для просмотра прикрепленного файла


ни на одной БК-0010(01) нет никакого КТ3102 - есть место под него и только - отмечено красным
Нажмите для просмотра прикрепленного файла

а реально реле включено через ЛН3:
Нажмите для просмотра прикрепленного файла

тут на схеме есть кусок с формированием градаций яркости, который был заложен на печатные платы:
вот тут должны были стоять резисторы градаций яркости (отмечено желтым):
[это ранняя БК]
Нажмите для просмотра прикрепленного файла
но реально там проводами все три элемента объединены для управление реле магнитофона
далее появились просто перемычки:
Нажмите для просмотра прикрепленного файла

детальное описание всех отличий БК-0010(01) в этой теме
Эмуляция БК-0011М на базе БК-0010(01) + AZБК

SuperMax
Новый скан схемы БК-0011М - с моих ремонтных схем


Спецификация
Нажмите для просмотра прикрепленного файла


Лист 1

после коррекции
Нажмите для просмотра прикрепленного файла

Лист 2

Нажмите для просмотра прикрепленного файла
после коррекции

SuperMax
Собраны листы 1 и 2
цвет

Нажмите для просмотра прикрепленного файла
монохром
Нажмите для просмотра прикрепленного файла
обнаруженные ошибки на схеме
сигнал на УП B1 имеет подключение не к шине 35 как на схеме а к 41


SuperMax
Соответствие клавиатур
Нажмите для просмотра прикрепленного файла
SuperMax
Распиновка джойстиков
Код

Бит        Номер        Кнопка
порта        контакта    джойстика

0        Б24        вверх
1        А24        вправо
2        Б23        вниз
3        Б17        влево  
4        Б20        Start
5        А20        кнопка левая (A?)
6        Б22        кнопка правая (B?)
7        А23        Select

8        Б31        вверх
9        А31        вправо, прицел пистолета
10        Б32        вниз, курок пистолета
11        А32        влево
12        Б30        Start
13        А29        кнопка левая (A?)
14        Б29        кнопка правая (B?)
15        А30        Select

Коды, считываемые из регистра порта 177714:
Joystick 1
10        left
2        right
1        up
4        down
40        button left (A?)
100        button right (B?)
200        select
20        start
Joystick 2
4000        left
1000        right, gun aim
400        up
2000        down, gun trigger
20000        button left (A?)
40000        button right (B?)
100000        select
10000        start

SuperMax
Блок КМК для 1801РЕ2-254 на КР1801-035
Нажмите для просмотра прикрепленного файла
Сканировал ММ

SuperMax
Схема реплики БК11М
Нажмите для просмотра прикрепленного файла
SuperMax
Монтажная схема скрипучки БК-0010-01
со схемой клавиатуры
Нажмите для просмотра прикрепленного файла
SuperMax
Схема блока КМ для БК-0011М


данный блок предназначался для подключения мышки и принтера

верный вариант схемы
Нажмите для просмотра прикрепленного файла


подключение мышки нестандартное и не совместимо с обычным подключением

Это текстовая версия — только основной контент. Для просмотра полной версии этой страницы, пожалуйста, нажмите сюда.
Русская версия Invision Power Board © 2001-2026 Invision Power Services, Inc.