IPB

Здравствуйте, гость ( Вход | Регистрация )

 
Ответить в эту темуОткрыть новую тему
> Стенд МПИ систем "СБК001", разработка НПО "EVNT" 2014
SuperMax
сообщение 21.3.2015, 0:07
Сообщение #1


Администратор
*****

Группа: Root Admin
Сообщений: 6 346
Регистрация: 7.1.2006
Из: Красноярск
Пользователь №: 1



Данный стенд разработан известным в кругах БК специалистом "MM" (НПО "EVNT" 2014)
его можно найти на форумах 1 2 3 4

Техническое описание устройства "СБК-001"

1. назначение

Устройство предназначено для организации тестирования внешних МПИ систем. Размер шины адреса внешнего МПИ устройства - не более 16 бит. Допускается производить тестирование как М-ЭВМ типа БК0010, БК0011, БК0011М, МС1201.01, МС1201.02 так и контроллеров МПИ - типа блока КНГМД, МСТД, контроллеров телеграфных сетей и т.п. контроллеров в т. ч. КМД - 16 бит, КНГМД, КЦГД от ЭВМ ДВК.

1.1. Как специально предназначенные для работы совместно с изделиям СБК могут быть выпущены и др. устройства, например программатор ИС КМ1801РР1 и др. изделия.

2. Описание изделия СБК - 001.

Изделие выполнено в виде платы размером 95 на 110 мм для установки в колодку расширения блока КНГМД БК11М, выполненном на плате УП 7.102.122. Допускается устанавливать блок СБК - 001 на другие платы (блоки) с выводом на контактные позиции шины МПИ, как в виде непосредственно от процессоров 1801ВМ1, 1801ВМ2, 1801ВМ3, так и от корзины ДВК с усилителями КР531АП2 и резисторами подтяжки 330 ом к шине +5в. Если используется шина центрального процессора управляющей М-ЭВМ с более чем 16 бит линиями адреса, необходимо к устройству СБК - 001 подвести сигнал BS7.

Линии АД00 - АД16 МПИ на изделии СБК - 001 буферизированы ИС КР1533АП6 и предусматривают номинальный ток нагрузки в состоянии 0в. до 30 ма.

3. Программные параметры

Адреса регистров блока СБК - 001:

- регистр данных 1-й платы 177670, чтение и запись 16 бит.

- регистр управления 1-й платы 177672, чтение и запись 16 бит.

- регистр данных 2-й платы 177770, чтение и запись 16 бит. В поставляемом варианте исполнения с наличием только 1-й платы может содержать произвольную информацию, типовое содержимое по чтению 177670.

- регистр управления 2-й платы 177772, чтение и запись 16 бит. В поставляемом варианте исполнения с наличием только 1-й платы может содержать произвольную информацию, типовое содержимое по чтению 177670.


3.1. Назначение бит регистров 1-й платы СБК - 001:

3.1.1. Регистр данных внешней МПИ 177670:

Прикрепленное изображение

3.1.2 Регистр управления внешней МПИ 177672:

Прикрепленное изображение


При записи числа "000001" в регистр 177670 линия внешней МПИ АДО устанавливается в 0в. состояние. а линии АД01 - АД15 в состояние +5в.


3.2. Программное обеспечение СБК - 001

Для работы в стандартном режиме рекомендуется использовать программу для М-ЭВМ БК 0010 "Прошивка 12850", размещаемой в адресах 120000-137777 адресного пространства М-ЭВМ БК0010. Допускается размещать программу "12850" в ОЗУ М-ЭВМ БК0010, БК0011, БК0011М совместно с программой "017" (копия содержимого ПЗУ КР1801РЕ2-017) в адресах 100000-117777 М-ЭВМ. Имеются и другие варианты программного обеспечения изделия СБК - 001.




4. Аппаратное исполнение выхода внешней МПИ СБК - 001.

Выходы СБК - 001 выполнены на ИС 133ЛП9 (или их аналоге) и допускают ток в состоянии 0в. до 40 ма. Входы СБК - 001 выполнены на ИС КР1533КП11 и имеют входящий ток не более 1 ма при напряжении 0в. Точка переключения с лог. 0в. до лог. +5в - порядка 1.20 вольт. Не допускается подача на линии выхода СБК - 001 напряжения более, чем плюс 1 вольт от напряжения питания СБК - 001.




5. Назначение элементов управления и индикации на плате изделия СБК - 001.

5.1. Управление.

Микровыключатель ВДМ 1 - 4 имеет назначение поз. 01 и 02 - соединение внутреннего питания СБК - 001 с внешней шиной питания на выходном разъеме МПИ СБК - 001. Секции 01 и 02 запараллелены. Не допускается подключение внешней нагрузки более 0,5 а (например, плат ДВК - контроллеров без собственного питания) . Секция 03 микровыключателя - включение подтяжек выходной МПИ 3,3 ком до напряжения +4,4в.. Секция 04 микровыключателя - установка 0в. на линии DCLO внешней МПИ. При его включении по адресу 177672 будет читаться установленный бит "040000", а на контакте разъема внешней МПИ "А01" будет уровень 0в. (останов БК0010).(Применяется для тестирования БК0010, т.к. на ней не выведены сигналы ДМА (DMR, SACK, DMGO) на ее разъем МПИ).

5.2. Индикация .

Ближний к краю платы светодиод зеленого цвета обозначает наличие напряжения на линии А12, Б12, А04 разъема МПИ СБК - 001. Красный (2-й от края платы СБК - 001) светодиод показывает состояние линии А01 разъема МПИ СБК - 001 - его программная позиция - бит "040000" светодиод загорится. Третий от каря платы СБК - 001 светодиод желтого цвета свечения показывает включение подтяжек внешней МПИ блока СБК - 001 резисторами 3,3 ком. При включении подтяжек светодиод светиться.





темы связанные с продажей стенда
призраки
барахолка


авторские фото стенда
Прикрепленное изображениеПрикрепленное изображениеПрикрепленное изображение

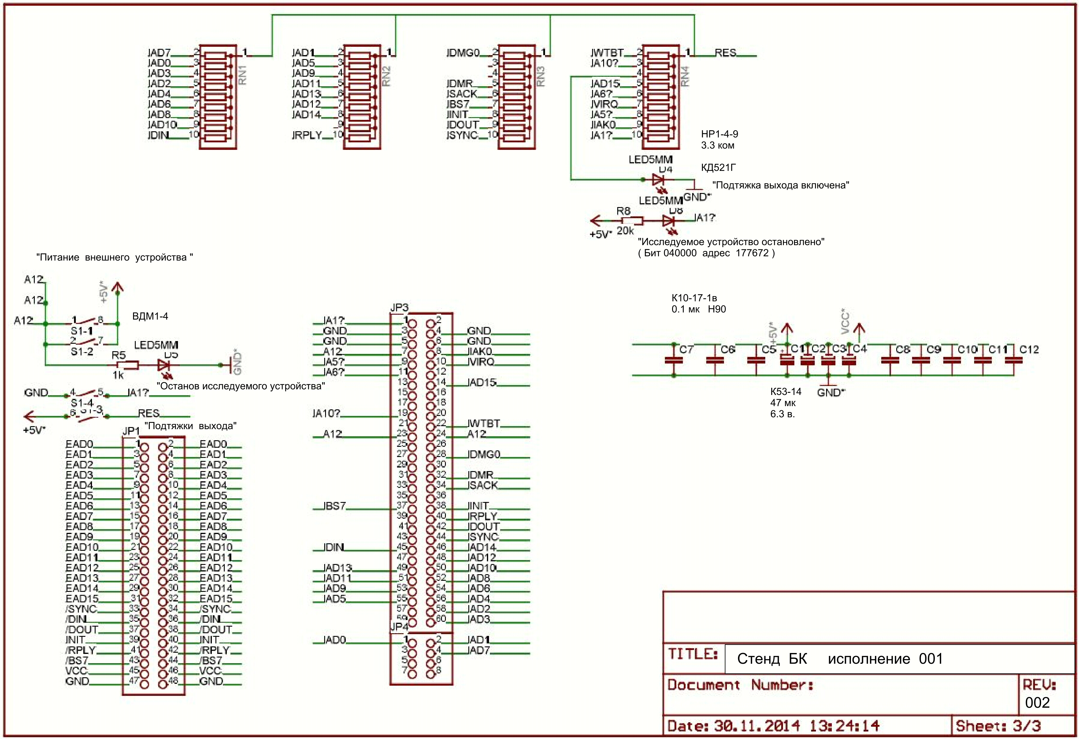
схема стенда
Прикрепленное изображениеПрикрепленное изображение
Прикрепленное изображениеПрикрепленное изображение

монтажка
Прикрепленное изображение



--------------------
Живы будем - Не помрем !
Пользователь в офлайнеКарточка пользователяОтправить личное сообщение
Вернуться в начало страницы
+Ответить с цитированием данного сообщения
SuperMax
сообщение 21.3.2015, 0:14
Сообщение #2


Администратор
*****

Группа: Root Admin
Сообщений: 6 346
Регистрация: 7.1.2006
Из: Красноярск
Пользователь №: 1



Программное обеспечение.
Базовое - БК0010 с ИС КР1801РЕ2-019 - режим "ТД". Обеспечивает чтение ячеек внешнего устройства, запись ячеек внешнего устройства, тест памяти в границах, определяемыми параметрами пользователя, размножение числа в границах, определяемым пользователем, копирование массива данных ( только на исследуемом устройстве ) в границах, определяемым пользователем.
Для работы необходимо наличие прошивки 1801РЕ2-017 в адресе 100000 ( можно копии - для БК11/М ).
( Доступ происходит без ДМА - по останову внешнего устройства ).
*
Расширенное программное обеспечение - много раз патченная прошивка "12850". Базовый адрес - 120000, длина - порядка 20000.

Прикрепленный файл  12850.BIN ( 8 килобайт ) Кол-во скачиваний: 2827

ВНИМАНИЕ! это прошивка прямая, для БКшного программатора
Программатор для БК
для стерха она не пригодна - ее надо инвертировать и по данным и по адресам!


Для работы так же необходимо наличие контента ИС 1801РЕ2-017 по адресам 100000-117777.
Прошивка 12850 обеспечивает доступ к отдельным ячейкам исследуемого устройства, в т.ч. в зацикленном режиме ( для осциллограмм ), тест КЗ МПИ ( сканирование проволок пошаговое с отображением состояния каждой проволоки на экране ЭВМ ),
автоматизированный комплексный тест БК10 и БК11, тест клавы ( проблемный ) и некотрые др. тесты.
( Доступ происходит вроде как по ДМА ( ? )).
Прошивка 12850 так же содержит сертифицированный программатор/читалку 1801РР1. При операциях с обслуживаемым ППЗУ копия массива данных располагается в ОЗУ в адресах 20000-37777.
( Теоретически есть и вариант прошивки с программатором 573РФ3 - но он , видимо, утерян ).

схема соответствия
Прикрепленное изображение


--------------------
Живы будем - Не помрем !
Пользователь в офлайнеКарточка пользователяОтправить личное сообщение
Вернуться в начало страницы
+Ответить с цитированием данного сообщения
SuperMax
сообщение 21.3.2015, 0:46
Сообщение #3


Администратор
*****

Группа: Root Admin
Сообщений: 6 346
Регистрация: 7.1.2006
Из: Красноярск
Пользователь №: 1



Я заказал максимальный комплект включающий в себя:

1. ПЗУ "12850"
Прикрепленное изображение

2. собранный СБК
Прикрепленное изображениеПрикрепленное изображение

3. шлейф
Прикрепленное изображение

4. набор для сборки переходника (фото в сборе)
Прикрепленное изображениеПрикрепленное изображение

Всё было качественно упаковано и доехало без повреждений. Мои рекомендации.



--------------------
Живы будем - Не помрем !
Пользователь в офлайнеКарточка пользователяОтправить личное сообщение
Вернуться в начало страницы
+Ответить с цитированием данного сообщения
SuperMax
сообщение 21.3.2015, 13:25
Сообщение #4


Администратор
*****

Группа: Root Admin
Сообщений: 6 346
Регистрация: 7.1.2006
Из: Красноярск
Пользователь №: 1



Команды СБК (прошивка12850)

TZ - тест шины МПИ на короткое замыкание. выход по кнопке СТОП
Т1 - комплексный тест БК-0010* (ПЗУ/ОЗУ)
Т3 - комплексный тест БК-0010* (ПЗУ/ОЗУ)
ТА - тест памяти: бегушая 1, бегущий 0
Т8 - чтение регистров процессора (без RPLY)

При диагностики ошибок стенд выводит информацию в старом именовании сигналов МПИ
см Q-Bus (LSI-11 Bus) МПИ
IPB Image


--------------------
Живы будем - Не помрем !
Пользователь в офлайнеКарточка пользователяОтправить личное сообщение
Вернуться в начало страницы
+Ответить с цитированием данного сообщения
SuperMax
сообщение 21.3.2015, 17:08
Сообщение #5


Администратор
*****

Группа: Root Admin
Сообщений: 6 346
Регистрация: 7.1.2006
Из: Красноярск
Пользователь №: 1



Собираем стенд для тестирования
в качестве головной машины берем плату БК-0010.01 и клавиатуру
вместо ПЗУ бейсика вставляем ПЗУ "12850"

собранный стенд
Прикрепленное изображениеПрикрепленное изображение

тестируемая машина - БК-0010.01 [исправная]
Прикрепленное изображение
ее питание осуществляется через шлейф со стенда, однако, рекомендуется кинуть прямой провод от того же БП на тестируемую машину.
Важно! нельзя питать головную и тестируемую машину от разных БП

питание осуществляется от лабораторного БП для контроля тока потребления
Прикрепленное изображение


тестирование
тест Т1
Прикрепленное изображение

тест Т8
Прикрепленное изображение

тест ТА
Прикрепленное изображение

Тест TR
Прикрепленное изображениеПрикрепленное изображение

Тест TZ - нормальное состояние
Прикрепленное изображение

тест TZ c коротким замыканием ШАД
Прикрепленное изображение

Более подробно использование стенда для ремонта БК-шек описано в теме
Ремонт БК


--------------------
Живы будем - Не помрем !
Пользователь в офлайнеКарточка пользователяОтправить личное сообщение
Вернуться в начало страницы
+Ответить с цитированием данного сообщения
SuperMax
сообщение 16.9.2022, 12:51
Сообщение #6


Администратор
*****

Группа: Root Admin
Сообщений: 6 346
Регистрация: 7.1.2006
Из: Красноярск
Пользователь №: 1



Занимаясь ремонтом БК-0010 я обратил внимание на странное поведение стенда на БК-0010.01

наблюдаются странные глюки и ложноотрицательные данные о сбойной памяти итд итп

При этом стенд идеально работает на БК-0010 и БК-0011М

изучая различия БКшек, я обратил внимание на разную разводку сигнала RPLY на разъеме МПИ


есть 3 варианта подключения RPLY

49 - единственно правильный (с точки зрения работы стенда)
39 - самый проблемный
21 - умеренно проблемный

поясняю
на 49м стенд увидит RPLY от всех устройств БКшки - те от 037 014 и ПЗУ
на 39 - не увидит ничего
на 21 - только ответ от 037 и 014й - ответ ПЗУ пройдет мимо

Почему же формировались различные подходы ?

Причина с одной стороны проста - ВМ1 может повиснуть от "не вовремя" пришедшего RPLY
и как раз для исключения зависаний там стоит ТМ2 который синхронизирует RPLY

и могу сказать честно, даже не смотря на эти ухищрения, ВМ1 на БК11 у меня получалось успешно завесить именно через RPLY !



--------------------
Живы будем - Не помрем !
Пользователь в офлайнеКарточка пользователяОтправить личное сообщение
Вернуться в начало страницы
+Ответить с цитированием данного сообщения

Ответить в эту темуОткрыть новую тему
4 чел. читают эту тему (гостей: 4, скрытых пользователей: 0)
Пользователей: 0

 



Текстовая версия Сейчас: 13.12.2025, 12:29