IPB

Здравствуйте, гость ( Вход | Регистрация )

 
Ответить в эту темуОткрыть новую тему
> Программатор для БК
SuperMax
сообщение 4.5.2014, 13:15
Сообщение #1


Администратор
*****

Группа: Root Admin
Сообщений: 6 347
Регистрация: 7.1.2006
Из: Красноярск
Пользователь №: 1



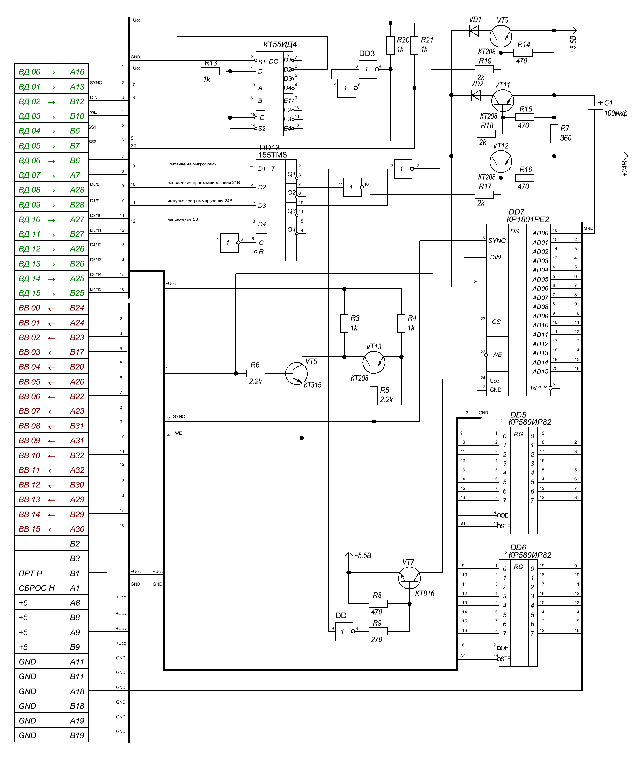
Армянский программатор для БК
основное назначение - прошивка 1801РР1

изначально ему требовалось двойное внешнее питание но я его доработал (вставил преобразователь 5->24В и стабилизатор +5.5В)

также пришлось поменять почти все микросхемы ибо они были армянские... а качество в 90х у армянских микросхем было мягко говоря плохое....


фото
Прикрепленное изображениеПрикрепленное изображение
Прикрепленное изображениеПрикрепленное изображение

схема Прикрепленное изображение



--------------------
Живы будем - Не помрем !
Пользователь в офлайнеКарточка пользователяОтправить личное сообщение
Вернуться в начало страницы
+Ответить с цитированием данного сообщения
SuperMax
сообщение 1.7.2024, 23:55
Сообщение #2


Администратор
*****

Группа: Root Admin
Сообщений: 6 347
Регистрация: 7.1.2006
Из: Красноярск
Пользователь №: 1



Еще нашел старые фото

Прикрепленное изображение

Прикрепленное изображение


--------------------
Живы будем - Не помрем !
Пользователь в офлайнеКарточка пользователяОтправить личное сообщение
Вернуться в начало страницы
+Ответить с цитированием данного сообщения

Ответить в эту темуОткрыть новую тему
1 чел. читают эту тему (гостей: 1, скрытых пользователей: 0)
Пользователей: 0

 



Текстовая версия Сейчас: 22.12.2025, 15:45