Помощь - Поиск - Пользователи - Календарь
Полная версия: Программатор для БК
MAXIOL > Техника > DEC hardware / software > БК 0010 / 11 / 11M
SuperMax
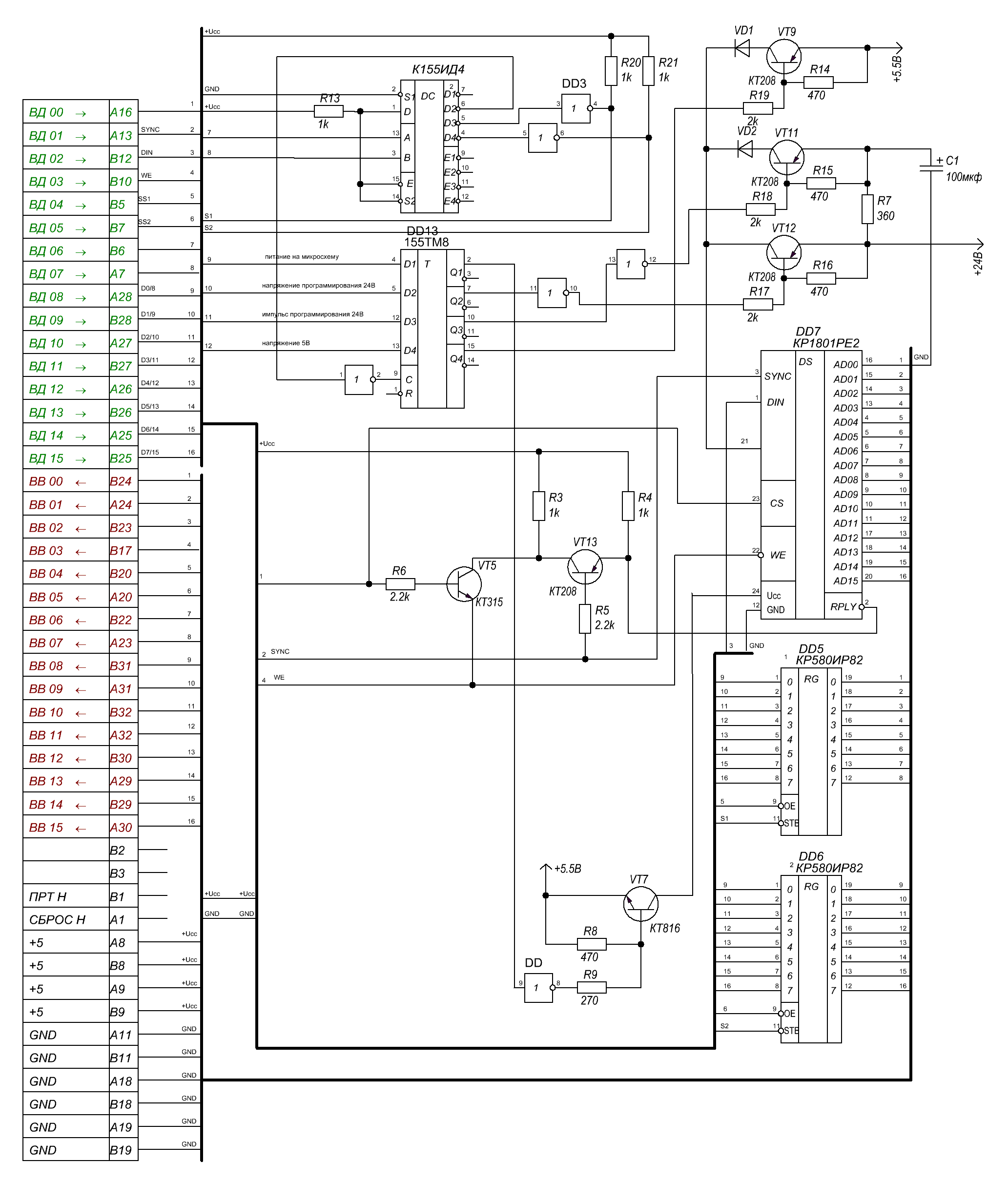
Армянский программатор для БК
основное назначение - прошивка 1801РР1

изначально ему требовалось двойное внешнее питание но я его доработал (вставил преобразователь 5->24В и стабилизатор +5.5В)

также пришлось поменять почти все микросхемы ибо они были армянские... а качество в 90х у армянских микросхем было мягко говоря плохое....


фото
Нажмите для просмотра прикрепленного файлаНажмите для просмотра прикрепленного файла
Нажмите для просмотра прикрепленного файлаНажмите для просмотра прикрепленного файла

схема Нажмите для просмотра прикрепленного файла

Это текстовая версия — только основной контент. Для просмотра полной версии этой страницы, пожалуйста, нажмите сюда.
Русская версия Invision Power Board © 2001-2026 Invision Power Services, Inc.