IPB

Здравствуйте, гость ( Вход | Регистрация )

 
Ответить в эту темуОткрыть новую тему
> Схема Yamaha Msx2 Yis805 Yis805r1 Yis805r2 Yis805r3
SuperMax
сообщение 23.6.2014, 10:20
Сообщение #1


Администратор
*****

Группа: Root Admin
Сообщений: 6 377
Регистрация: 7.1.2006
Из: Красноярск
Пользователь №: 1



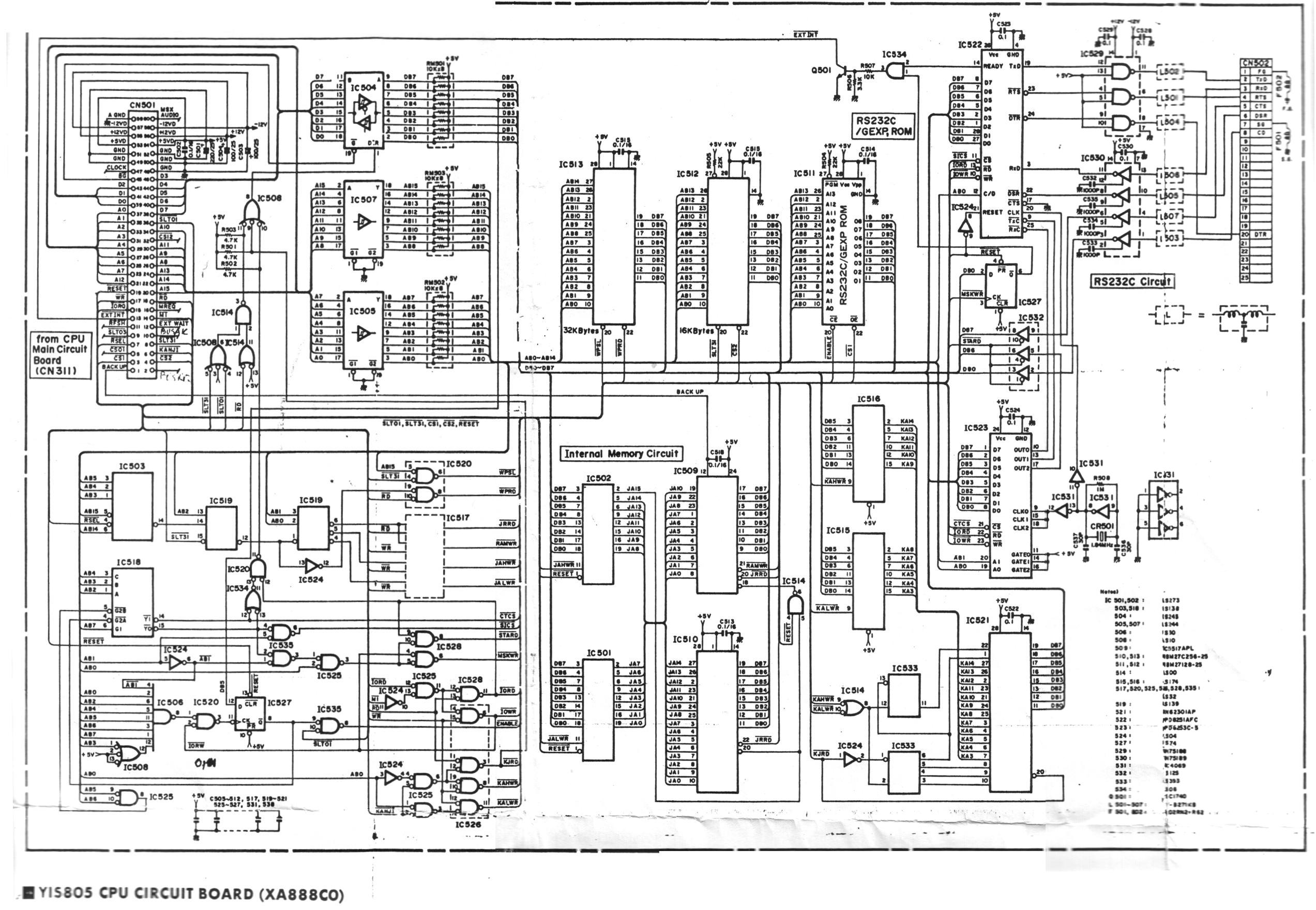
Схема Yamaha MSX2 YIS805 YIS805R1 YIS805R2 YIS805R3

Общая схема
Прикрепленное изображение

Узлы

БП
Прикрепленное изображение

Клавиатура
Прикрепленное изображение

Прочее
Прикрепленное изображениеПрикрепленное изображение

Остальная документация тут http://mirrors.pdp-11.ru/_msx/


--------------------
Живы будем - Не помрем !
Пользователь в офлайнеКарточка пользователяОтправить личное сообщение
Вернуться в начало страницы
+Ответить с цитированием данного сообщения

Ответить в эту темуОткрыть новую тему
1 чел. читают эту тему (гостей: 1, скрытых пользователей: 0)
Пользователей: 0

 



Текстовая версия Сейчас: 21.5.2026, 17:05