Схема Yamaha MSX2 YIS805 YIS805R1 YIS805R2 YIS805R3

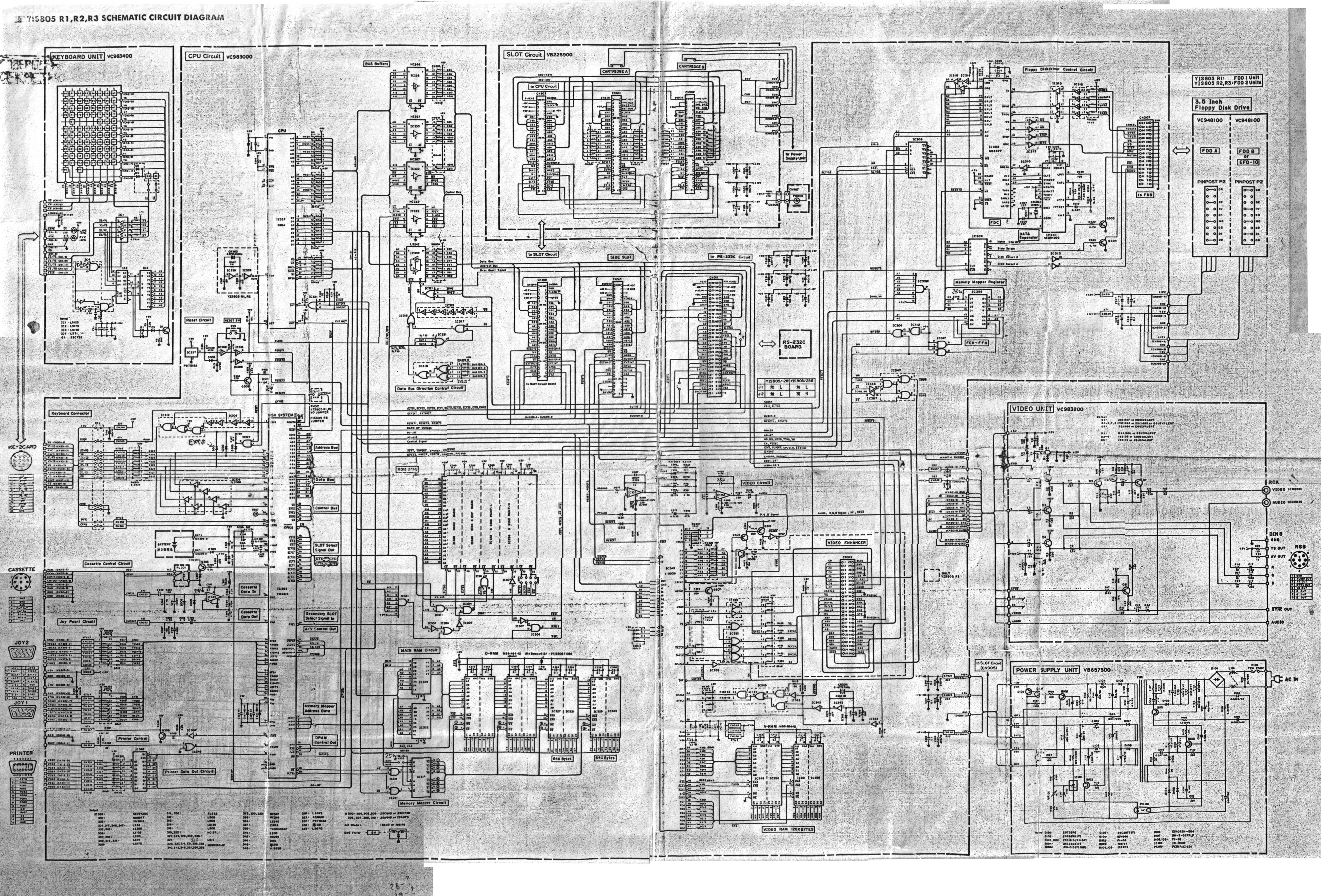
Общая схема
Нажмите для просмотра прикрепленного файла

Узлы

БП
Нажмите для просмотра прикрепленного файла

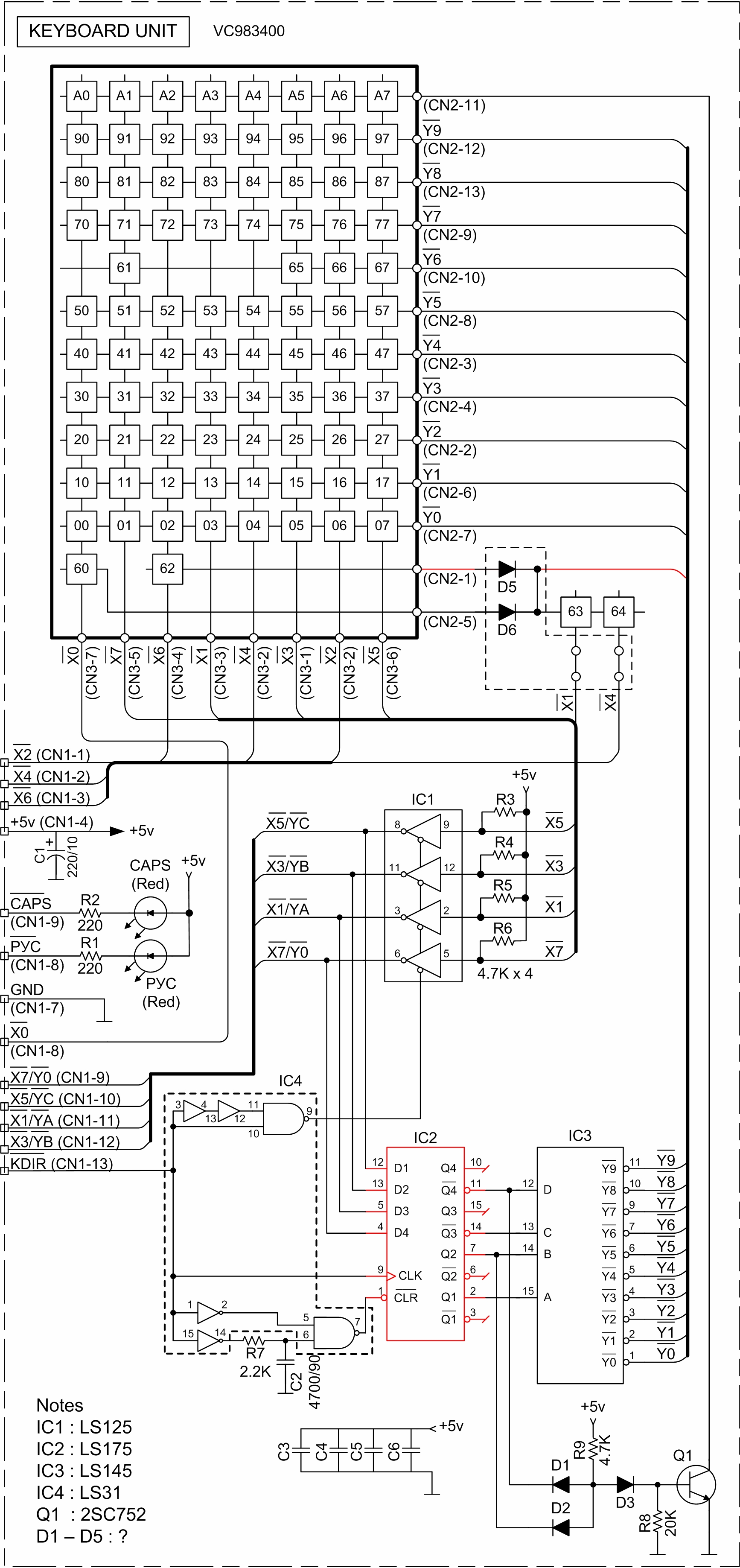
Клавиатура
Нажмите для просмотра прикрепленного файла

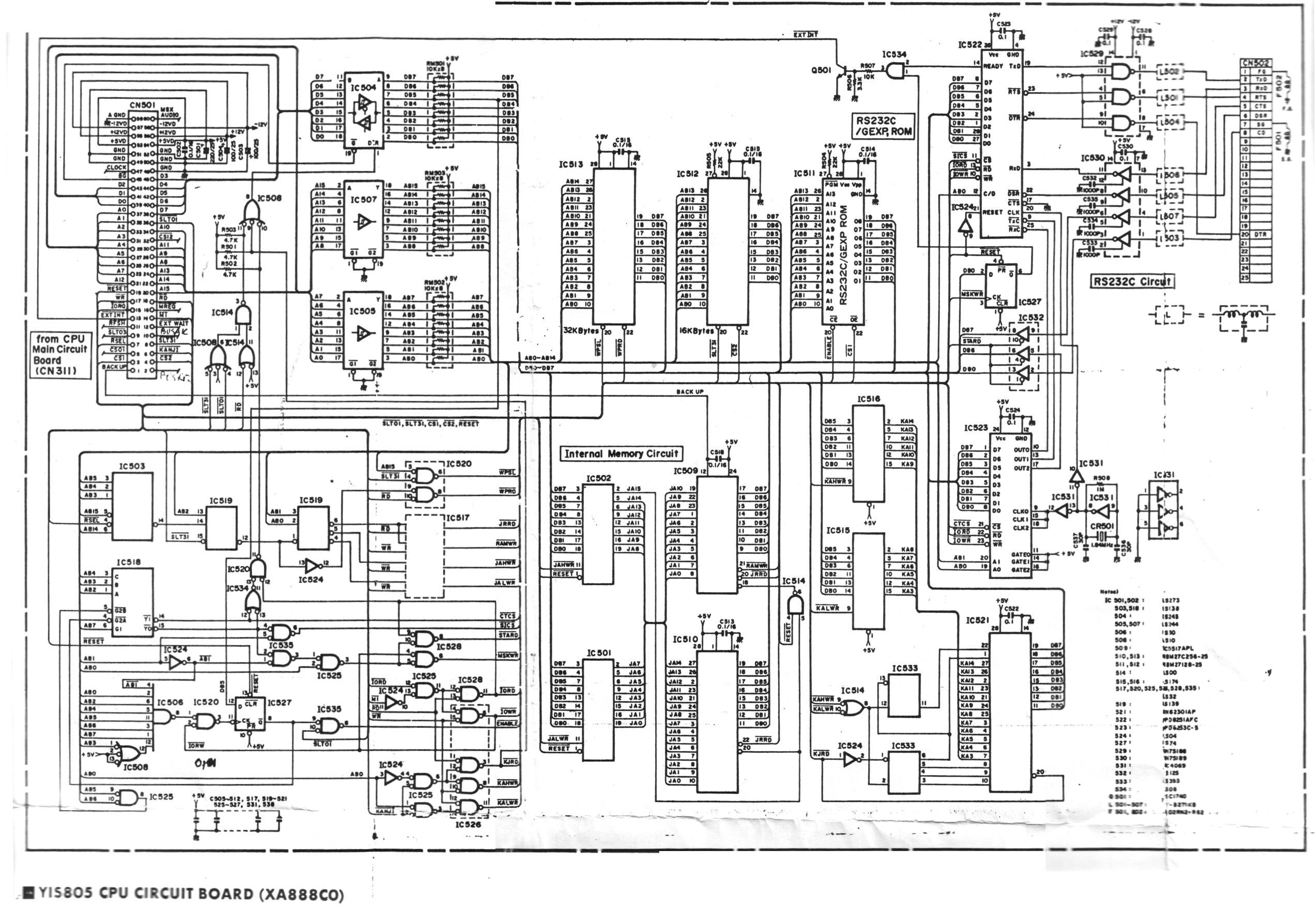
Прочее
Нажмите для просмотра прикрепленного файлаНажмите для просмотра прикрепленного файла

Остальная документация тут http://mirrors.pdp-11.ru/_msx/