IPB

Здравствуйте, гость ( Вход | Регистрация )

 
Ответить в эту темуОткрыть новую тему
> Схемотехника EGA мониторов, различные схемы EGA мониторов
SuperMax
сообщение 24.9.2016, 14:09
Сообщение #1


Администратор
*****

Группа: Root Admin
Сообщений: 6 377
Регистрация: 7.1.2006
Из: Красноярск
Пользователь №: 1



Небольшая историческая справка


EGA (англ. Enhanced Graphics Adapter - Усовершенствованный графический адаптер) — стандарт мониторов и видеоадаптеров для IBM PC, расположенный между CGA и VGA по своим характеристикам (цветовое и пространственное разрешение). Выпущен IBM в августе 1984 года для новой модели персонального компьютера IBM PC/AT.[1] Видеоадаптер EGA позволяет использовать 16 цветов при разрешении 640×350 пикселов. Видеоадаптер оснащён 16 кБ ПЗУ для расширения графических функций BIOS и заказным видеоконтроллером, обратно совместимым с микросхемой Motorola MC6845[2].

Адаптер EGA при разрешении 640×350 позволяет одновременно использовать 16 цветов из возможных 64 (по два бита на красную, зелёную и синюю составляющие). EGA также поддерживает 16-цветные варианты графических режимов CGA 640×200 и 320×200; в этом случае можно использовать только цвета из палитры CGA. Исходные режимы CGA также поддерживаются, хотя EGA не полностью аппаратно совместим с CGA. EGA может выводить изображение на MDA-монитор, эта возможность включается с помощью переключателей на плате, при этом доступен только режим 640×350.

Плата EGA подключается к шине ISA, начиная с 8-битной версии. Базовая версия EGA имела 64 кБ видеопамяти, чего было достаточно для монохромной графики высокого разрешения и цветной графики в режимах 640×200 и 320×200. Со временем большая часть плат EGA стала выпускаться с 256 кБ видеопамяти. Некоторые клоны EGA сторонних производителей (в частности, ATI Technologies и Paradise) поддерживают расширенные графические режимы (например, 640×400, 640×480 и 720×540), автоматическое определение типа монитора и, иногда, специальный чересстрочный режим для CGA-мониторов.

Стандарт EGA был замещён стандартом VGA, представленным IBM в апреле 1987 года с моделью компьютера PS/2.



--------------------
Живы будем - Не помрем !
Пользователь в офлайнеКарточка пользователяОтправить личное сообщение
Вернуться в начало страницы
+Ответить с цитированием данного сообщения
SuperMax
сообщение 24.9.2016, 14:19
Сообщение #2


Администратор
*****

Группа: Root Admin
Сообщений: 6 377
Регистрация: 7.1.2006
Из: Красноярск
Пользователь №: 1



Палитра
IPB Image
Палитра цветов EGA 4-битные значения цветов пропускались через 16 регистров палитры, каждый из которых содержал 6-битное значение цвета — по 2 бита на R, G и B. Это же 6-битное значение затем выставлялось на кабель, ведущий к монитору.

схема входной цепи типового EGA монитора

Прикрепленный файл  PDP_11.RU_EGA_schematic_01.TIF ( 1.47 мегабайт ) Кол-во скачиваний: 27569



те EGA монитор вполне не плох и способен отобразить 64 цвета




--------------------
Живы будем - Не помрем !
Пользователь в офлайнеКарточка пользователяОтправить личное сообщение
Вернуться в начало страницы
+Ответить с цитированием данного сообщения
SuperMax
сообщение 24.9.2016, 14:20
Сообщение #3


Администратор
*****

Группа: Root Admin
Сообщений: 6 377
Регистрация: 7.1.2006
Из: Красноярск
Пользователь №: 1



Типовая схема EGA видеоусилителя на пушки
Прикрепленный файл  PDP_11.RU_EGA_schematic_02.TIF ( 4.53 мегабайт ) Кол-во скачиваний: 23726



--------------------
Живы будем - Не помрем !
Пользователь в офлайнеКарточка пользователяОтправить личное сообщение
Вернуться в начало страницы
+Ответить с цитированием данного сообщения
SuperMax
сообщение 24.9.2016, 14:21
Сообщение #4


Администратор
*****

Группа: Root Admin
Сообщений: 6 377
Регистрация: 7.1.2006
Из: Красноярск
Пользователь №: 1



Подключение кинескопа

Прикрепленный файл  PDP_11.RU_EGA_schematic_03.TIF ( 4.47 мегабайт ) Кол-во скачиваний: 24598



--------------------
Живы будем - Не помрем !
Пользователь в офлайнеКарточка пользователяОтправить личное сообщение
Вернуться в начало страницы
+Ответить с цитированием данного сообщения
SuperMax
сообщение 24.9.2016, 14:24
Сообщение #5


Администратор
*****

Группа: Root Admin
Сообщений: 6 377
Регистрация: 7.1.2006
Из: Красноярск
Пользователь №: 1



Схема входной цепи КСИ и ССИ

обращаю внимание на нормализаторы полярности
режимы 200 и 350 строк управляется полярностью КСИ

Прикрепленный файл  PDP_11.RU_EGA_schematic_04.TIF ( 4.49 мегабайт ) Кол-во скачиваний: 24973



--------------------
Живы будем - Не помрем !
Пользователь в офлайнеКарточка пользователяОтправить личное сообщение
Вернуться в начало страницы
+Ответить с цитированием данного сообщения
SuperMax
сообщение 24.9.2016, 14:25
Сообщение #6


Администратор
*****

Группа: Root Admin
Сообщений: 6 377
Регистрация: 7.1.2006
Из: Красноярск
Пользователь №: 1



Задающий генератор разверток

Прикрепленный файл  PDP_11.RU_EGA_schematic_05.TIF ( 4.52 мегабайт ) Кол-во скачиваний: 24987



--------------------
Живы будем - Не помрем !
Пользователь в офлайнеКарточка пользователяОтправить личное сообщение
Вернуться в начало страницы
+Ответить с цитированием данного сообщения
SuperMax
сообщение 24.9.2016, 14:26
Сообщение #7


Администратор
*****

Группа: Root Admin
Сообщений: 6 377
Регистрация: 7.1.2006
Из: Красноярск
Пользователь №: 1



Строчная развертка

Прикрепленный файл  PDP_11.RU_EGA_schematic_06.TIF ( 4.55 мегабайт ) Кол-во скачиваний: 24445



--------------------
Живы будем - Не помрем !
Пользователь в офлайнеКарточка пользователяОтправить личное сообщение
Вернуться в начало страницы
+Ответить с цитированием данного сообщения
SuperMax
сообщение 24.9.2016, 14:27
Сообщение #8


Администратор
*****

Группа: Root Admin
Сообщений: 6 377
Регистрация: 7.1.2006
Из: Красноярск
Пользователь №: 1



Кадровая развертка

Прикрепленный файл  PDP_11.RU_EGA_schematic_07.TIF ( 4.49 мегабайт ) Кол-во скачиваний: 24007





--------------------
Живы будем - Не помрем !
Пользователь в офлайнеКарточка пользователяОтправить личное сообщение
Вернуться в начало страницы
+Ответить с цитированием данного сообщения
SuperMax
сообщение 24.9.2016, 14:27
Сообщение #9


Администратор
*****

Группа: Root Admin
Сообщений: 6 377
Регистрация: 7.1.2006
Из: Красноярск
Пользователь №: 1



Схемы коррекции

Прикрепленный файл  PDP_11.RU_EGA_schematic_08.TIF ( 4.42 мегабайт ) Кол-во скачиваний: 24034



--------------------
Живы будем - Не помрем !
Пользователь в офлайнеКарточка пользователяОтправить личное сообщение
Вернуться в начало страницы
+Ответить с цитированием данного сообщения
SuperMax
сообщение 24.9.2016, 14:40
Сообщение #10


Администратор
*****

Группа: Root Admin
Сообщений: 6 377
Регистрация: 7.1.2006
Из: Красноярск
Пользователь №: 1



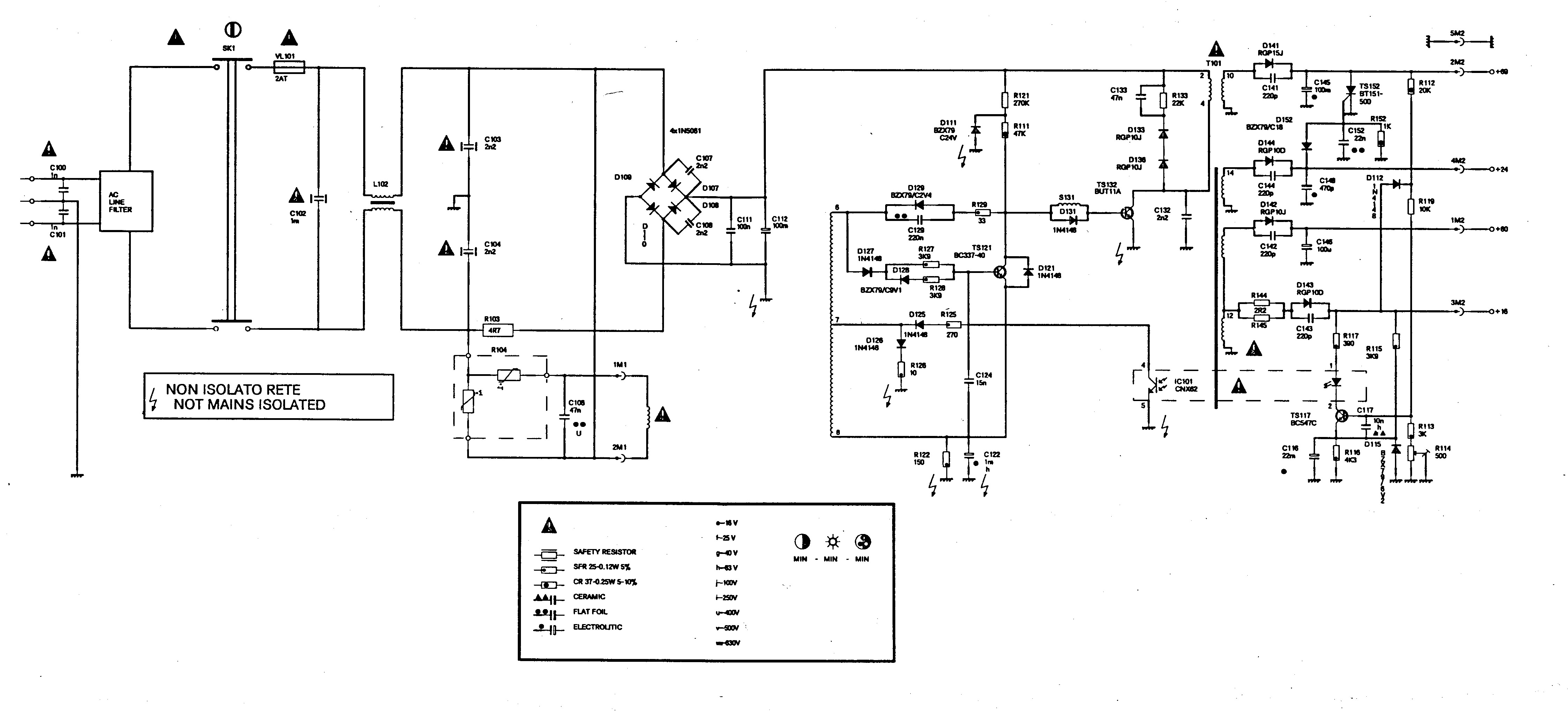
Блок питания

Прикрепленное изображение



--------------------
Живы будем - Не помрем !
Пользователь в офлайнеКарточка пользователяОтправить личное сообщение
Вернуться в начало страницы
+Ответить с цитированием данного сообщения
SuperMax
сообщение 24.9.2016, 15:17
Сообщение #11


Администратор
*****

Группа: Root Admin
Сообщений: 6 377
Регистрация: 7.1.2006
Из: Красноярск
Пользователь №: 1



Еще вариант схемы
[собрал из двух листов разного разрешения]
Прикрепленное изображение


--------------------
Живы будем - Не помрем !
Пользователь в офлайнеКарточка пользователяОтправить личное сообщение
Вернуться в начало страницы
+Ответить с цитированием данного сообщения
SuperMax
сообщение 24.9.2016, 16:10
Сообщение #12


Администратор
*****

Группа: Root Admin
Сообщений: 6 377
Регистрация: 7.1.2006
Из: Красноярск
Пользователь №: 1



Прочие схемы EGA мониторов

Прикрепленный файл  CGA_EGA_Neotec_2515C_25E.pdf ( 1.46 мегабайт ) Кол-во скачиваний: 18454

Прикрепленный файл  Samtron_SC_431E_EGA_monitor___Service_Manual.pdf ( 2.2 мегабайт ) Кол-во скачиваний: 18534

Прикрепленный файл  neotec_cga_ega_vga_monitor_nt_29c_nt_27e_nt_27v.pdf ( 6.42 мегабайт ) Кол-во скачиваний: 18769



--------------------
Живы будем - Не помрем !
Пользователь в офлайнеКарточка пользователяОтправить личное сообщение
Вернуться в начало страницы
+Ответить с цитированием данного сообщения

Ответить в эту темуОткрыть новую тему
1 чел. читают эту тему (гостей: 1, скрытых пользователей: 0)
Пользователей: 0

 



Текстовая версия Сейчас: 15.5.2026, 15:51