Помощь - Поиск - Пользователи - Календарь
Полная версия: Схемотехника EGA мониторов
MAXIOL > Техника > DEC hardware / software > Терминалы / Мониторы
SuperMax
Небольшая историческая справка


EGA (англ. Enhanced Graphics Adapter - Усовершенствованный графический адаптер) — стандарт мониторов и видеоадаптеров для IBM PC, расположенный между CGA и VGA по своим характеристикам (цветовое и пространственное разрешение). Выпущен IBM в августе 1984 года для новой модели персонального компьютера IBM PC/AT.[1] Видеоадаптер EGA позволяет использовать 16 цветов при разрешении 640×350 пикселов. Видеоадаптер оснащён 16 кБ ПЗУ для расширения графических функций BIOS и заказным видеоконтроллером, обратно совместимым с микросхемой Motorola MC6845[2].

Адаптер EGA при разрешении 640×350 позволяет одновременно использовать 16 цветов из возможных 64 (по два бита на красную, зелёную и синюю составляющие). EGA также поддерживает 16-цветные варианты графических режимов CGA 640×200 и 320×200; в этом случае можно использовать только цвета из палитры CGA. Исходные режимы CGA также поддерживаются, хотя EGA не полностью аппаратно совместим с CGA. EGA может выводить изображение на MDA-монитор, эта возможность включается с помощью переключателей на плате, при этом доступен только режим 640×350.

Плата EGA подключается к шине ISA, начиная с 8-битной версии. Базовая версия EGA имела 64 кБ видеопамяти, чего было достаточно для монохромной графики высокого разрешения и цветной графики в режимах 640×200 и 320×200. Со временем большая часть плат EGA стала выпускаться с 256 кБ видеопамяти. Некоторые клоны EGA сторонних производителей (в частности, ATI Technologies и Paradise) поддерживают расширенные графические режимы (например, 640×400, 640×480 и 720×540), автоматическое определение типа монитора и, иногда, специальный чересстрочный режим для CGA-мониторов.

Стандарт EGA был замещён стандартом VGA, представленным IBM в апреле 1987 года с моделью компьютера PS/2.

SuperMax
Палитра
IPB Image
Палитра цветов EGA 4-битные значения цветов пропускались через 16 регистров палитры, каждый из которых содержал 6-битное значение цвета — по 2 бита на R, G и B. Это же 6-битное значение затем выставлялось на кабель, ведущий к монитору.

схема входной цепи типового EGA монитора

Нажмите для просмотра прикрепленного файла


те EGA монитор вполне не плох и способен отобразить 64 цвета


SuperMax
Типовая схема EGA видеоусилителя на пушки
Нажмите для просмотра прикрепленного файла
SuperMax
Подключение кинескопа

Нажмите для просмотра прикрепленного файла
SuperMax
Схема входной цепи КСИ и ССИ

обращаю внимание на нормализаторы полярности
режимы 200 и 350 строк управляется полярностью КСИ

Нажмите для просмотра прикрепленного файла
SuperMax
Задающий генератор разверток

Нажмите для просмотра прикрепленного файла
SuperMax
Строчная развертка

Нажмите для просмотра прикрепленного файла
SuperMax
Кадровая развертка

Нажмите для просмотра прикрепленного файла


SuperMax
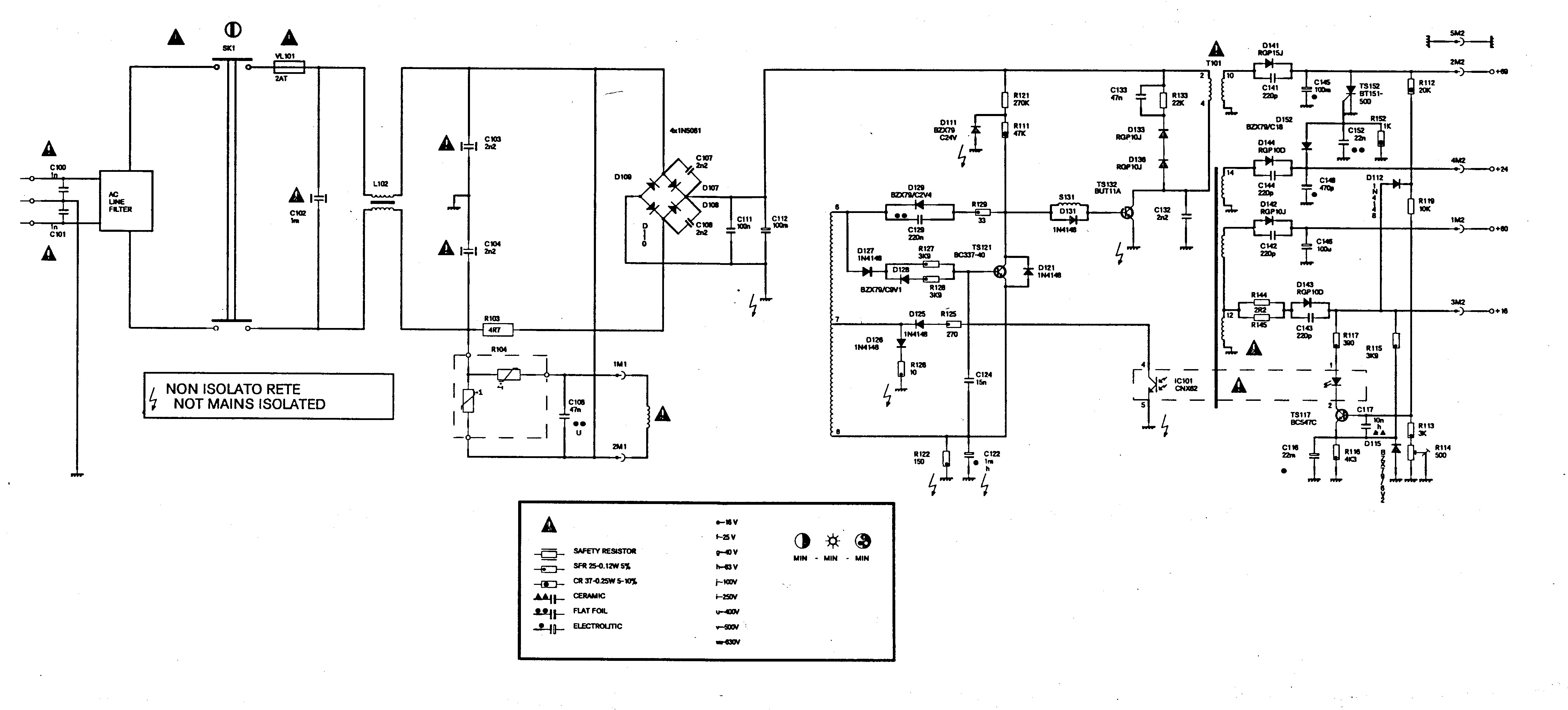
Схемы коррекции

Нажмите для просмотра прикрепленного файла
SuperMax
Еще вариант схемы
[собрал из двух листов разного разрешения]
Нажмите для просмотра прикрепленного файла
Это текстовая версия — только основной контент. Для просмотра полной версии этой страницы, пожалуйста, нажмите сюда.
Русская версия Invision Power Board © 2001-2026 Invision Power Services, Inc.