IPB

Здравствуйте, гость ( Вход | Регистрация )

 
Ответить в эту темуОткрыть новую тему
> Аппарат магнитотерапии, схема и описание конструкции
SuperMax
сообщение 28.3.2024, 16:04
Сообщение #1


Администратор
*****

Группа: Root Admin
Сообщений: 6 361
Регистрация: 7.1.2006
Из: Красноярск
Пользователь №: 1



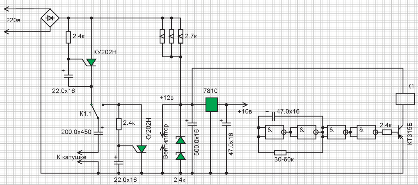
Аппарат для проведения магнитотерапии

сделан в 2004м из того, что попалось под руку )

Схема
Прикрепленное изображение

микросхема - 176ЛА7 и можно заменить на любую другую логику
задача генератора - давать примерно меандр с частой 0,5Гц

батарея конденсаторов набирается из конденсаторов небольшой емкости - те 47.0x450в

реле - РЭС-48Б

стабилитроны Д815 (буквы не помню) - набираем чтобы получить 12-15в
(надо чтобы срабатывало реле и работал вентилятор)

конструктивно собирается в корпусе от компьютерного БП
12В вентилятор необходим для охлаждения конденсаторов
также в данной конструкции он охлаждает резисторы 2,7к

очевидно, что БП12В можно собрать иным способом - хоть применить готовый китайский

катушка - была взята готовая, провод там 0.45мм количество витков можно прикинуть из габаритов

при работе катушка нагревается, собственно нагрев выше 60С происходит как раз через 10 минут что как раз означает необходимость закончить сеанс

назначение аппарата - ускорение процесса рассасывания гематом втч и глубоких и даже сухих
исключение - головной мозг
тк аппарат мощный, то ни шею ни голову им не лечим

у пожилых людей с хрупкими капилярами возможны кровоизлияния при длительном применении
соответственно катушку кладем через прокладку 2см и сокращаем время терапии до 2-3х минут

Важно!
применяете на свой страх и риск.


фото конструкции
напомню - 2004й год из того что было под рукой - цель было сделать быстро ну а временное становится постоянным - конструкция оказалась очень удачной

Прикрепленное изображениеПрикрепленное изображениеПрикрепленное изображение


--------------------
Живы будем - Не помрем !
Пользователь в офлайнеКарточка пользователяОтправить личное сообщение
Вернуться в начало страницы
+Ответить с цитированием данного сообщения

Ответить в эту темуОткрыть новую тему
23 чел. читают эту тему (гостей: 23, скрытых пользователей: 0)
Пользователей: 0

 



Текстовая версия Сейчас: 4.2.2026, 14:50