МС6106 единственный полноценный цветной монитор которым комплектовались компьютеры советской эпохи.
достаточно распространенный монитор - им комплектовались БК, УКНЦ, ДВК, Электроника МС0585 а также прочие компьютеры советской эпохи.
Питание внутреннее 220В
Как правило имеет два разъема, СГ-5 (DIN 5) и РП15-15.
Модели:
МС6106.01
МС6106.02
МС6106.03
МС6106.04
МС6106.05
МС6106.06
МС6106.07
МС6106.08
Основные отличия
- цифровой вход TTL - работа в качестве CGA монитора с PC-совместимыми EC-ками
- аналоговый вход - для работы с ДВК, Электроника МС0585 и УКНЦ
схема монитора модификации от 01 до 06 - те с раздельным питанием - строчной развертки и высокого (те 2 строчных транзистора)
.08 модификация упоминается, но частично
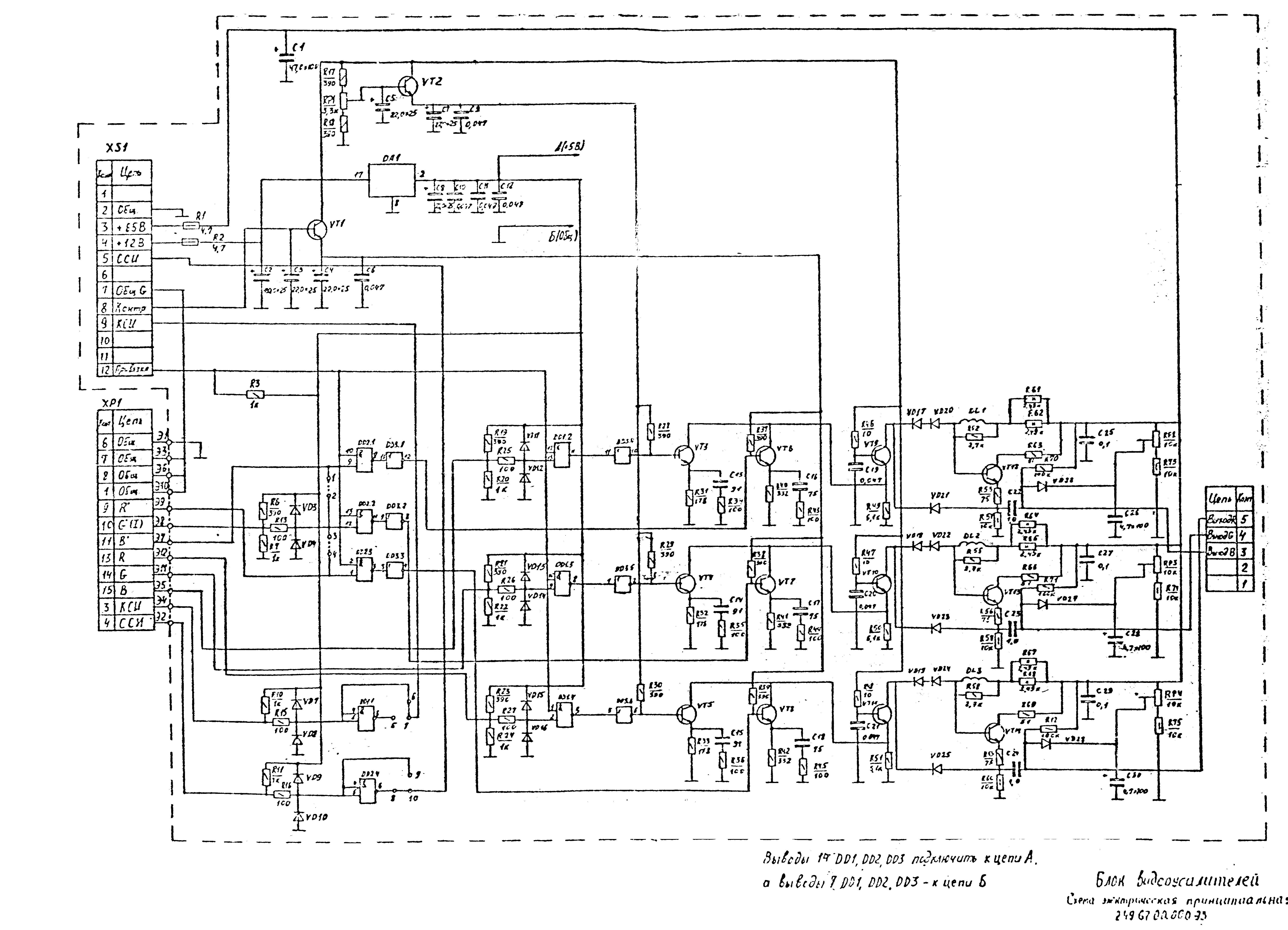
1й комплект схем (мой скан) (аналоговые входы)
Нажмите для просмотра прикрепленного файлаНажмите для просмотра прикрепленного файла
Нажмите для просмотра прикрепленного файлаНажмите для просмотра прикрепленного файла
Нажмите для просмотра прикрепленного файлаНажмите для просмотра прикрепленного файла
Нажмите для просмотра прикрепленного файлаНажмите для просмотра прикрепленного файла
Нажмите для просмотра прикрепленного файлаНажмите для просмотра прикрепленного файла
2й комплект схем
(цифровые входы)
Нажмите для просмотра прикрепленного файлаНажмите для просмотра прикрепленного файлаНажмите для просмотра прикрепленного файла
Нажмите для просмотра прикрепленного файлаНажмите для просмотра прикрепленного файлаНажмите для просмотра прикрепленного файла
Нажмите для просмотра прикрепленного файлаНажмите для просмотра прикрепленного файлаНажмите для просмотра прикрепленного файла
Нажмите для просмотра прикрепленного файла
3й комплект схем
Нажмите для просмотра прикрепленного файлаНажмите для просмотра прикрепленного файлаНажмите для просмотра прикрепленного файлаНажмите для просмотра прикрепленного файла
Нажмите для просмотра прикрепленного файлаНажмите для просмотра прикрепленного файлаНажмите для просмотра прикрепленного файлаНажмите для просмотра прикрепленного файла
Паспорт к монитору 6106
Нажмите для просмотра прикрепленного файла
UPD: по схеме БП МС9006
на схеме отсутствует соединение между минусом С6 и диодом VD2
реально там должна стоять точка на перекрестье этих линий
