Постановка задачи:
1. есть прихожая и длинный коридор. надо обеспечить экономичное освещение при наличии необходимости в нем,
2. желательно обеспечить управление яркостью освещения ночью.
Решение.
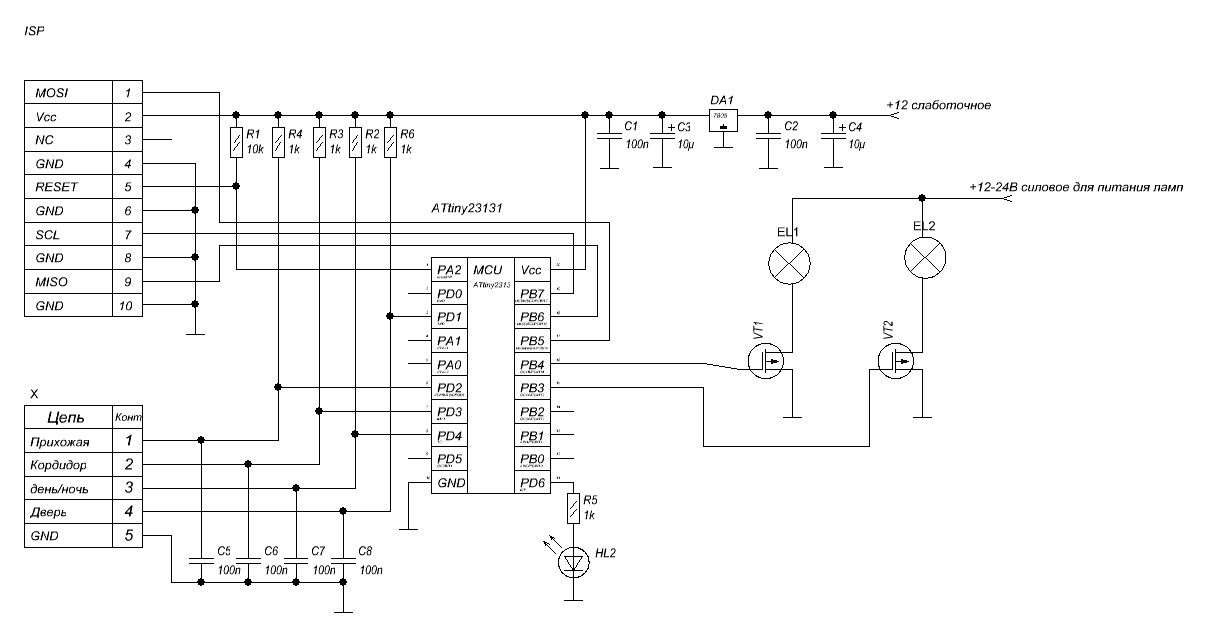
1. используется простенький контроллер ATMEL ATTINY 2313

тактируется от встроенного генератора 8MHz
2. внешние датчики DSC LC-100 PI

настроены на максимальную чувствительность и расположены так, чтобы покрыть указанную территорию.
для удобства датчики подключаются по витой паре которая в конце разделывается в стандартные разъемы
3. для освещения использутся 12В светодиодная лента
4. Источник питания +12В - переделанный БП ATX-350
5. Для переключения день-ночь используется внешний таймер с календарем.
Решение обеспечивает плавное включение/выключение освещения с учетом времени суток.