Данный стенд разработан известным в кругах БК специалистом "MM" (НПО "EVNT" 2014)
его можно найти на форумах 1 2 3 4
Техническое описание устройства "СБК-001"
1. назначение
Устройство предназначено для организации тестирования внешних МПИ систем. Размер шины адреса внешнего МПИ устройства - не более 16 бит. Допускается производить тестирование как М-ЭВМ типа БК0010, БК0011, БК0011М, МС1201.01, МС1201.02 так и контроллеров МПИ - типа блока КНГМД, МСТД, контроллеров телеграфных сетей и т.п. контроллеров в т. ч. КМД - 16 бит, КНГМД, КЦГД от ЭВМ ДВК.
1.1. Как специально предназначенные для работы совместно с изделиям СБК могут быть выпущены и др. устройства, например программатор ИС КМ1801РР1 и др. изделия.
2. Описание изделия СБК - 001.
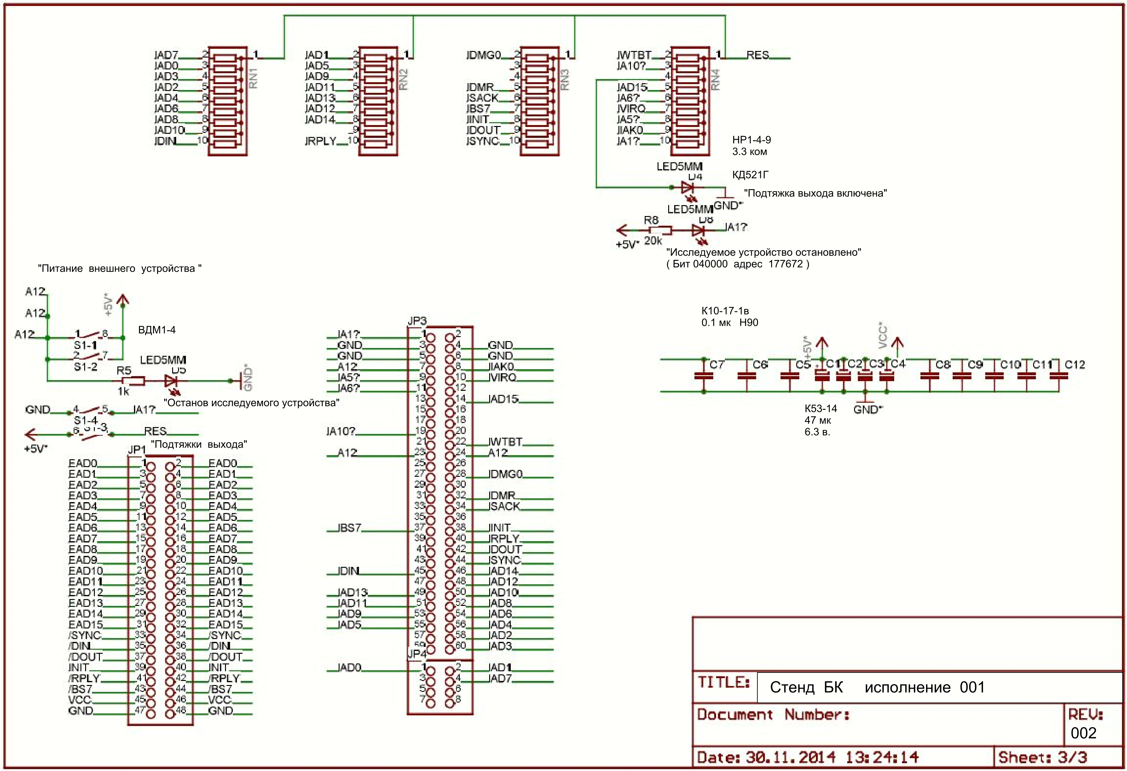
Изделие выполнено в виде платы размером 95 на 110 мм для установки в колодку расширения блока КНГМД БК11М, выполненном на плате УП 7.102.122. Допускается устанавливать блок СБК - 001 на другие платы (блоки) с выводом на контактные позиции шины МПИ, как в виде непосредственно от процессоров 1801ВМ1, 1801ВМ2, 1801ВМ3, так и от корзины ДВК с усилителями КР531АП2 и резисторами подтяжки 330 ом к шине +5в. Если используется шина центрального процессора управляющей М-ЭВМ с более чем 16 бит линиями адреса, необходимо к устройству СБК - 001 подвести сигнал BS7.
Линии АД00 - АД16 МПИ на изделии СБК - 001 буферизированы ИС КР1533АП6 и предусматривают номинальный ток нагрузки в состоянии 0в. до 30 ма.
3. Программные параметры
Адреса регистров блока СБК - 001:
- регистр данных 1-й платы 177670, чтение и запись 16 бит.
- регистр управления 1-й платы 177672, чтение и запись 16 бит.
- регистр данных 2-й платы 177770, чтение и запись 16 бит. В поставляемом варианте исполнения с наличием только 1-й платы может содержать произвольную информацию, типовое содержимое по чтению 177670.
- регистр управления 2-й платы 177772, чтение и запись 16 бит. В поставляемом варианте исполнения с наличием только 1-й платы может содержать произвольную информацию, типовое содержимое по чтению 177670.
3.1. Назначение бит регистров 1-й платы СБК - 001:
3.1.1. Регистр данных внешней МПИ 177670:
Нажмите для просмотра прикрепленного файла
3.1.2 Регистр управления внешней МПИ 177672:
Нажмите для просмотра прикрепленного файла
При записи числа "000001" в регистр 177670 линия внешней МПИ АДО устанавливается в 0в. состояние. а линии АД01 - АД15 в состояние +5в.
3.2. Программное обеспечение СБК - 001
Для работы в стандартном режиме рекомендуется использовать программу для М-ЭВМ БК 0010 "Прошивка 12850", размещаемой в адресах 120000-137777 адресного пространства М-ЭВМ БК0010. Допускается размещать программу "12850" в ОЗУ М-ЭВМ БК0010, БК0011, БК0011М совместно с программой "017" (копия содержимого ПЗУ КР1801РЕ2-017) в адресах 100000-117777 М-ЭВМ. Имеются и другие варианты программного обеспечения изделия СБК - 001.
4. Аппаратное исполнение выхода внешней МПИ СБК - 001.
Выходы СБК - 001 выполнены на ИС 133ЛП9 (или их аналоге) и допускают ток в состоянии 0в. до 40 ма. Входы СБК - 001 выполнены на ИС КР1533КП11 и имеют входящий ток не более 1 ма при напряжении 0в. Точка переключения с лог. 0в. до лог. +5в - порядка 1.20 вольт. Не допускается подача на линии выхода СБК - 001 напряжения более, чем плюс 1 вольт от напряжения питания СБК - 001.
5. Назначение элементов управления и индикации на плате изделия СБК - 001.
5.1. Управление.
Микровыключатель ВДМ 1 - 4 имеет назначение поз. 01 и 02 - соединение внутреннего питания СБК - 001 с внешней шиной питания на выходном разъеме МПИ СБК - 001. Секции 01 и 02 запараллелены. Не допускается подключение внешней нагрузки более 0,5 а (например, плат ДВК - контроллеров без собственного питания) . Секция 03 микровыключателя - включение подтяжек выходной МПИ 3,3 ком до напряжения +4,4в.. Секция 04 микровыключателя - установка 0в. на линии DCLO внешней МПИ. При его включении по адресу 177672 будет читаться установленный бит "040000", а на контакте разъема внешней МПИ "А01" будет уровень 0в. (останов БК0010).(Применяется для тестирования БК0010, т.к. на ней не выведены сигналы ДМА (DMR, SACK, DMGO) на ее разъем МПИ).
5.2. Индикация .
Ближний к краю платы светодиод зеленого цвета обозначает наличие напряжения на линии А12, Б12, А04 разъема МПИ СБК - 001. Красный (2-й от края платы СБК - 001) светодиод показывает состояние линии А01 разъема МПИ СБК - 001 - его программная позиция - бит "040000" светодиод загорится. Третий от каря платы СБК - 001 светодиод желтого цвета свечения показывает включение подтяжек внешней МПИ блока СБК - 001 резисторами 3,3 ком. При включении подтяжек светодиод светиться.
темы связанные с продажей стенда
призраки
барахолка
авторские фото стенда
Нажмите для просмотра прикрепленного файлаНажмите для просмотра прикрепленного файлаНажмите для просмотра прикрепленного файла
схема стенда
Нажмите для просмотра прикрепленного файлаНажмите для просмотра прикрепленного файла
Нажмите для просмотра прикрепленного файлаНажмите для просмотра прикрепленного файла
монтажка
Нажмите для просмотра прикрепленного файла
