IPB

Здравствуйте, гость ( Вход | Регистрация )

> Монитор DEC VR201, оригинал с которого копировался МС6105
SuperMax
сообщение 3.7.2023, 10:30
Сообщение #1


Администратор
*****

Группа: Root Admin
Сообщений: 6 377
Регистрация: 7.1.2006
Из: Красноярск
Пользователь №: 1



Это оригинальный монитор от DEC
Прикрепленное изображение
Прикрепленное изображение

Доступная документация DEC VR201 (втч и схема монитора!)
Прикрепленный файл  vr201.pdf ( 16.15 мегабайт ) Кол-во скачиваний: 1092

Прикрепленный файл  MP01410_VR201_Schematic_May82.pdf ( 1.25 мегабайт ) Кол-во скачиваний: 1241


С этого монитора создавался советский клон МС6105


--------------------
Живы будем - Не помрем !
Пользователь в офлайнеКарточка пользователяОтправить личное сообщение
Вернуться в начало страницы
+Ответить с цитированием данного сообщения
 
Ответить в эту темуОткрыть новую тему
Ответов(1 - 3)
SuperMax
сообщение 3.7.2023, 11:17
Сообщение #2


Администратор
*****

Группа: Root Admin
Сообщений: 6 377
Регистрация: 7.1.2006
Из: Красноярск
Пользователь №: 1



Фотоотчет по DEC VR201

1. внутренности
Прикрепленное изображение
Прикрепленное изображение
Прикрепленное изображение
Прикрепленное изображение

Прикрепленное изображение
Прикрепленное изображение
Прикрепленное изображение
Прикрепленное изображение
Прикрепленное изображение
Прикрепленное изображение
Прикрепленное изображение
Прикрепленное изображение
Прикрепленное изображение



--------------------
Живы будем - Не помрем !
Пользователь в офлайнеКарточка пользователяОтправить личное сообщение
Вернуться в начало страницы
+Ответить с цитированием данного сообщения
SuperMax
сообщение 3.7.2023, 11:46
Сообщение #3


Администратор
*****

Группа: Root Admin
Сообщений: 6 377
Регистрация: 7.1.2006
Из: Красноярск
Пользователь №: 1



Фото экстерьера

Прикрепленное изображение
Прикрепленное изображение
Прикрепленное изображение
Прикрепленное изображение
Прикрепленное изображение
Прикрепленное изображение
Прикрепленное изображение


--------------------
Живы будем - Не помрем !
Пользователь в офлайнеКарточка пользователяОтправить личное сообщение
Вернуться в начало страницы
+Ответить с цитированием данного сообщения
SuperMax
сообщение 3.7.2023, 13:23
Сообщение #4


Администратор
*****

Группа: Root Admin
Сообщений: 6 377
Регистрация: 7.1.2006
Из: Красноярск
Пользователь №: 1



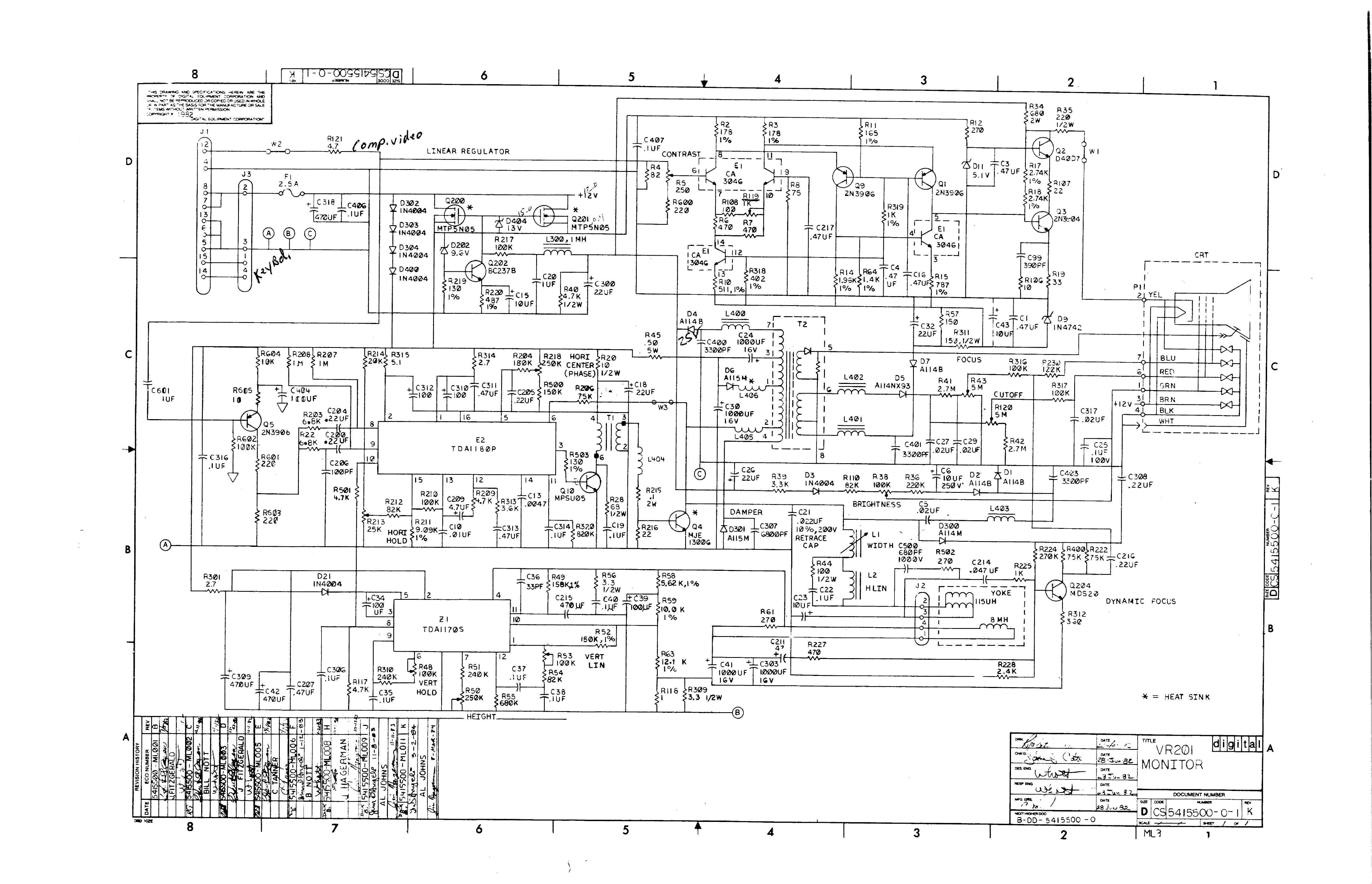
Сравнение схемотехники

схема оригинального DEC VR201
Прикрепленное изображение

схема МС6105
Прикрепленное изображение


Cравним по узлам
кадровая развертка - схемы

МС6105
Прикрепленное изображение
VR210
Прикрепленное изображение

КР174ГЛ1А это копия оригинальной TDA1170S
Прикрепленный файл  tda1170s_174GL1.pdf ( 604.14 килобайт ) Кол-во скачиваний: 1015


можно смело говорить о полном копировании с небольшими упрощениями

Видеоусилитель
в МС6105 сильно упрощен (собственно потому и всплывает проблема гашения обратного хода)
MC6105
Прикрепленное изображение
VR210
Прикрепленное изображение
в оригинале - дифвход и каскодный выход
тогда в 6105 каскодный вход и сильно упрощенный выход


Строчная развертка
если в оригинальном мониторе она сделана на TDA1180P
Прикрепленный файл  TDA1180P_TV_HORIZONTAL_PROCESSOR.pdf ( 213.58 килобайт ) Кол-во скачиваний: 1343

то в МС6105 ее сделали на КР174ХА11 которая является клоном TDA2591
Прикрепленный файл  TDA2593_174XA11.pdf ( 383 килобайт ) Кол-во скачиваний: 1081

концептуально и та и другая под ТВ и в принципе близки по своим принципиальным задачам

в остальном все принципы те же

Динамическая фокусировка
удивительно, но ее не вырезали в МС6105 в следствии оптимизации схем


Сравнение качества исполнения
VR210
Прикрепленное изображение





--------------------
Живы будем - Не помрем !
Пользователь в офлайнеКарточка пользователяОтправить личное сообщение
Вернуться в начало страницы
+Ответить с цитированием данного сообщения

Ответить в эту темуОткрыть новую тему
1 чел. читают эту тему (гостей: 1, скрытых пользователей: 0)
Пользователей: 0

 



Текстовая версия Сейчас: 14.5.2026, 3:41