Помощь - Поиск - Пользователи - Календарь
Полная версия: Монитор DEC VR201
MAXIOL > Техника > DEC hardware / software > Терминалы / Мониторы
SuperMax
Это оригинальный монитор от DEC
Нажмите для просмотра прикрепленного файла
Нажмите для просмотра прикрепленного файла

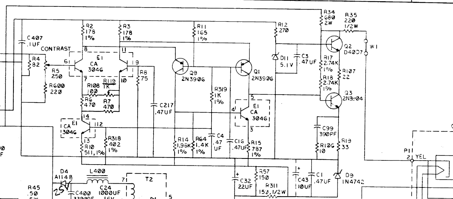
Доступная документация DEC VR201 (втч и схема монитора!)
Нажмите для просмотра прикрепленного файла
Нажмите для просмотра прикрепленного файла

С этого монитора создавался советский клон МС6105
SuperMax
Сравнение схемотехники

схема оригинального DEC VR201
Нажмите для просмотра прикрепленного файла

схема МС6105
Нажмите для просмотра прикрепленного файла


Cравним по узлам
кадровая развертка - схемы

МС6105
Нажмите для просмотра прикрепленного файла
VR210
Нажмите для просмотра прикрепленного файла

КР174ГЛ1А это копия оригинальной TDA1170S
Нажмите для просмотра прикрепленного файла

можно смело говорить о полном копировании с небольшими упрощениями

Видеоусилитель
в МС6105 сильно упрощен (собственно потому и всплывает проблема гашения обратного хода)
MC6105
Нажмите для просмотра прикрепленного файла
VR210
Нажмите для просмотра прикрепленного файла
в оригинале - дифвход и каскодный выход
тогда в 6105 каскодный вход и сильно упрощенный выход


Строчная развертка
если в оригинальном мониторе она сделана на TDA1180P
Нажмите для просмотра прикрепленного файла
то в МС6105 ее сделали на КР174ХА11 которая является клоном TDA2591
Нажмите для просмотра прикрепленного файла
концептуально и та и другая под ТВ и в принципе близки по своим принципиальным задачам

в остальном все принципы те же

Динамическая фокусировка
удивительно, но ее не вырезали в МС6105 в следствии оптимизации схем


Сравнение качества исполнения
VR210
Нажмите для просмотра прикрепленного файла



Это текстовая версия — только основной контент. Для просмотра полной версии этой страницы, пожалуйста, нажмите сюда.
Русская версия Invision Power Board © 2001-2025 Invision Power Services, Inc.