Помощь - Поиск - Пользователи - Календарь
Полная версия: Монитор МС6105
MAXIOL > Техника > DEC hardware / software > Терминалы / Мониторы
SuperMax
МС6105 достаточно распространенный монитор - им комплектовались БК, УКНЦ, ДВК, Электроника МС0585 а также прочие компьютеры советской эпохи.
Питание внешнее (часть исполнений), 12 В. Как правило имеет два разъема, СГ-5 (DIN 5) и РП15-15. Питание может подаваться через любой из них:
БК, Агат, ЕС-184Х, - СГ-5;
Электроника-85, ДВК, Квант 4С - РП15-15.
У некоторых компьютеров, например, Электроника-85, ДВК, Квант 4С через СГ-5 подключается клавиатура, и далее сигнал от нее идет в компьютер через второй разъем.

Модели:
  • МС 6105.01 - для частоты кадров 50 Гц (в корпусе),
  • МС 6105.02 - для частоты кадров 60 Гц (в корпусе) для ДВК
  • МС 6105.03 - для частоты кадров 60 Гц (встраиваемый без корпуса).
  • МС 6105.04 - для частоты кадров 60 Гц шел в комплекте с ЕС8141
  • МС 6105.10 - снабжен коаксиальным входом для подключения БК
  • МС 6105.11 - снабжен коаксиальным входом для подключения БК
Исполнения .01 и .02 отличаются номиналами двух резисторов в блоке разверток.

Исполнения .01 и .02 как правило комплектовались трубкой 31ЛМ10Б-2, редко 31ЛМ10Б-3
и очень редко зелеными трубками 31ЛМ10И-2 или 31ЛКД2И

В корпусе от МС 6106 с встроенным блоком питания
  • МС 6105.05, МС 6105.13, МС 6105.15 - вариант для учебных классов, питание 42 В;
  • МС 6105.08, МС 6105.14, МС 6105.16 - вариант широкого применения, питание 220 В.
Между собой исполнения отличаются типом кинескопа 31ЛМ10Б-ХХ. Подробнее см. в техпаспорте.

Сводная по моделям [на основании части моей коллекции]
Нажмите для просмотра прикрепленного файла


Однако не следует считать этот монитор разработкой СССР, это копия оригинального монитора DEC VR201
Нажмите для просмотра прикрепленного файла
Нажмите для просмотра прикрепленного файла


Исполнения
1. "колокольчик"
Нажмите для просмотра прикрепленного файла

2. "колокольчик" внешним блоком питания в виде подставки (2 варианта)
Нажмите для просмотра прикрепленного файла
Нажмите для просмотра прикрепленного файла

3. встраиваемая модель для ДВК3 / ДВК3М
Нажмите для просмотра прикрепленного файла

4. "колокольчик" внешним блоком питания "брусок"
Нажмите для просмотра прикрепленного файла
схемы блоков питания Электроника Д2-36 / Д2-36-01

5. в корпусе от 6106 с встроенным блоком питания
Нажмите для просмотра прикрепленного файла


Прочие решения
МС6105 с телевизионной приставкой
Нажмите для просмотра прикрепленного файла


Оригинал - VR201
схемаНажмите для просмотра прикрепленного файла
SuperMax
Пособия по ремонту

1. Неисправности блока питания

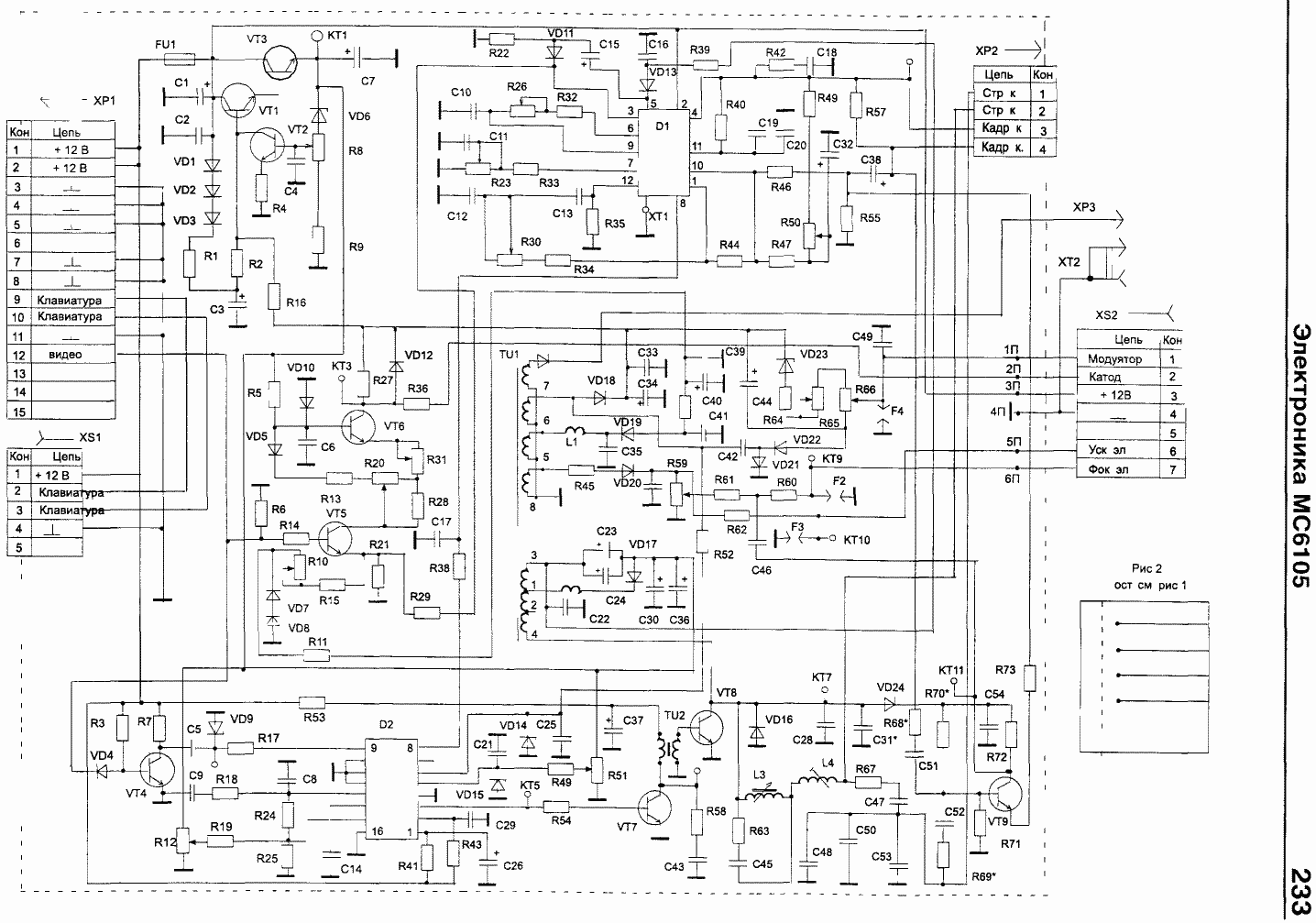
1.1. Монитор не работает, на выходе стабилизатора (эмиттер VT3) нет напряжения +10.5 В (или оно занижено) Проверьте, есть ли на входе стабилизатора +12 В, цел ли предохранитель FU1.
  • Если +12 В есть, проверьте напряжение на выходе стабилизатора (+10.5 В).
  • При отсутствии напряжения на выходе стабилизатора следует разорвать связь стабилизатора с нагрузкой и вновь проверить выходное напряжение. В противном случае следует проверить последовательно: VT3, VT1, VT2, VD6. Часто следствием перегорания FU1 является "закорачивание" фильтрующих конденсаторов С1, С2, С7. Проверьте данные элементы. Иногда причиной выхода стабилизатора из строя является повышенное потребление тока нагрузки, в первую очередь, блоком строчной развертки. 1.2. Монитор слабо светится, размеры развертки меньше как по вертикали, так и по горизонтали Как показала практика, данная неисправность вызвана заниженным выходным напряжением стабилизатора. В первую очередь следует проверить стабилизаторы опорного напряжения VD6, также следует проверить цепочку плавного выключения стабилизатора VD1 - VD3, R1, С3. "Утечка" (закорачивание) С3 приводит к тому же результату. Иногда данная неисправность бывает вызвана также увеличением потребления тока нагрузки. 1.3. Не происходит плавного запуска видеомонитора, в некоторых случаях перегорает FU1
  • В данном случае проверьте цепочку плавного запуска VD1 - VD3, С3 (одной из причин может быть потеря емкости С3).

    2. Неисправности задающего генератора строчной и кадровой разверток

    2.1. Неисправности микросхемы D2, требующие замены данного элемента
    Частота строк выше или ниже нормы, регулировка R12 не к чему ни приводит. В некоторых случаях в данной ситуации может помочь подбор конденсатора С14. На экране отсутствует синхронизация по кадрам или строкам, узлы на VT4 и D1 работоспособны. Сбита центровка по горизонтали (фаза), регулировка R51 не приводит к положительному результату, VD15 исправен. На экране изображение перемещается слева направо или наоборот; На экране сверху изображения ломаная линия. В этом случае неисправен узел корректировки , АПЧиФ . Изображение неустойчивое, срывается синхронизация как по строкам, так и по кадрам Нет запуска строчной развертки.

    3. Неисправности строчной развертки

    3.1. Нет запуска строчной развертки
  • Проверьте прохождение ССИ с 3 выв. D2 через VT7, TV2, VT8.
  • Проверьте исправность VT8, VD16, целостность обмоток 3-1-2-4 ТДКС TV1 ( см. приложение). 3.2. Строчная развертка запускается. Все напряжения с ТДКС TV1 занижены, сильно греется (выше 50 - 7VC) VT8, VT3
  • Проверьте исправность С30, С36, С23, С24 (на "утечку"), VD17, VD24.
  • Проверьте выходные выпрямители ТДКС:VD18, С34, С33,VD19, С27, С41, С40, С39 и VD20, С35.
  • Проверьте нагрузки данных выпрямителей (видеоусилитель, выходной каскад кадровой развертки, выходной каскад колоколообразного кадрового импульсаVT9 и др.).
  • Замените ТДКС. 3.3. Нет высокого напряжения, занижено или отсутствует ускоряющее или фокусирующее напряжение (выпрямитель VD20, С35 исправны)
  • Замените ТДКС. 3.4. На экране вертикальная полоса
  • Проверьте на обрыв строчную ОС.
  • Проверьте С48, С50, С53.
  • Проверьте L3, L4 на обрыв.

    4. Неисправности кадровой развертки

    4.1. Нет синхронизации по кадрам
    См. п. 2.1. 4.2. На экране горизонтальная полоса
  • Проверьте питание D1 (2 выв.) - 12В.
  • Проверьте на обрыв кадровую ОС.
  • Проверьте С38, R46.
  • Замените D1 (174ГЛ1). Попробуйте ее заменить (с лучшим результатом) на аналог - TDA1170. 4.3. На экране наблюдаются "завороты "изображения сверху или снизу
  • Проверьте С32, С38, С15, С16.
  • Замените D1.

    5. Неисправности узла формирования динамической составляющей фокусирующего напряжения

    5.1. Изображение по краям расфокусировано
  • Проверьте подачу на базу VT9 через цепочки R68, С51 кадровых импульсов и С52, R69 - строчных импульсов и выработку колоколообразных смешанных импульсов с коллектора этого транзистора через С46 на фокусирующий электрод.

    6. Неисправности видеоусилителя

    6.1. Экран засвечен/темный, изображения нет
  • Проверьте цепи питания видеоусилителя: 20 В с ТДКС на R11 и далее на R10. 40 В с ТДКС на R27.
  • Проверьте исправностьVT5, VT6, VD7, VD8, VD5, VD10. 6.2. Слабая контрастность
  • Проверьте VD5, VT5, VT6, VD10. 6.3. Тянущееся продолжение
  • Проверьте (заменой) С6.
  • SuperMax

    Разъемы

    РП15
    1, 2: +12 В
    3, 4, 5, 7, 8, 11: GND
    9: Клавиатура 1
    10: Клавиатура 2
    12. Видео
    Внимание! Существует второй тип разъёмов, конструктивно совпадающий с РП15, но имеющий обратную нумерацию контактов. Подключение такого разъема к МС 6105 приводит к короткому замыканию по питанию.
    DIN5
    +12 В
    Клавиатура 1
    Клавиатура 2
    GND

    Нажмите для просмотра прикрепленного файла
    SuperMax
    Монитор МС6105 в комплектации с Электроника МС0585
    Нажмите для просмотра прикрепленного файла
    SuperMax
    СТРОЧНИК> К МОНИТОРУ
    Замена строчного трансформатора в телемониторе МС6105 с кинескопом 31ЛК - это, разумеется, не капитальный ремонт. Более того: если в мониторе старый штатный <строчник> с работой справляется, то и менять этот (весьма дорогостоящий, <капризный> и гигроскопичный) узел на новый вряд ли целесообразно.

    Нужно также учитывать, что раздобытый ТДКС-8 может оказаться ничуть не лучше предыдущего, преждевременно <забарахлившего> строчного трансформатора. Потому и замену стоит подыскивать более достойную. Таковой является, как свидетельствуют сравнительные данные (см. рис), строчный трансформатор ТВС-90П4 с двухкратным умножителем напряжения УН9/18-0,3 или еще более дешевый <строчник> ТВС-90ПЦ8. Последний, правда, имеет дополнительно вынесенную катушку, но она никакого практического воздействия на изображение не оказывает. Более того, упомянутые трансформаторы имеют одинаковые феррито-вые сердечники, потому вышедший из строя ТДКС-8 можно не выбрасывать, а изготовить из него ТВС-90П4, предварительно устроив ему обжиг для уничтожения пластмассовой заливки и обмоток на электроплитке (на открытом воздухе!) или в пламени костра.

    Следует отметить, что в случае применения умножителя напряжения УН9/27 (трехкратного действия) намоточные данные для ТВС-90П4 (табл. 1) остаются неизменными, за исключением обмотки с выводами 9-10. Она содержит 1266 витков провода ПЭВШО диаметром 0,08 мм. Может, поэтому УН9/27 дешевле умножителя УН9/18 и менее дефицитен?

    Нажмите для просмотра прикрепленного файла


    Расположение выводов со стороны монтажа и сравнительные схемы трансформаторов строчной развертки отечественного производства К достоинствам самодельного ТВС-90П4 можно отнести и то, что высоковольтную катушку можно разместить на второй ножке П-образного ферритового сердечника. То есть она будет сменной, что немаловажно для последующих ремонтов. Существенные хлопоты при изготовлении самодельного ТВС-90П4 привносит разве что эпоксидная пропитка обмоток. И особенно высоковольтной. Каждый слой такой обмотки надо изолировать с предельной тщательностью. Каркас катушки — не из термопластика, а из гетинакса или, в крайнем случае, из картона. Термополимеризация — только в духовке при температуре от 70 до 100 °С (в течение примерно часа), а остывание — вместе с выключенной духовкой. Не стоит надеяться, что за несколько дней или даже недель отверждение пройдет и при комнатной температуре. И все потому, что отвердитель обладает проводящими свойствами; последующий пробой неизбежен, если процесс полимеризации проводить не в духовке.
    Нажмите для просмотра прикрепленного файла
    Нажмите для просмотра прикрепленного файла

    Остальные данные по замене трансформаторов приведены на рисунке и во второй таблице. Пользуясь этими сведениями, следует помнить: несмотря на схожесть размещения выводов, далеко не все «строчники» одинаково пригодны для эквивалентной замены одного трансформатора другим. Не стоит забывать и о том, что, закрепляя строчный трансформатор на некотором расстоянии от платы, необходимо остальной монтаж развести дополнительными проводниками. И последнее напоминание. Перед началом всех работ, связанных с высоким напряжением, следует отключить плюсовой подвод питания от микросхемы кадровой развертки К174ГЛ1А. Подключать же его можно лишь после того, как окончательно выяснится, что высокое напряжение появилось и, самое главное, — оно подведено к кинескопу. Любые несанкционированные разряды (даже на корпус!) практически мгновенно выведут указанную микросхему из строя. По той же причине нельзя подключать умножитель трехкратного действия вместо УН9/18-0,3 на неподготовленный для этих целей ТВС ради эксперимента. Свечение экрана хотя и появится, но пробои избыточного напряжения сделают, как говорится, свое черное дело.
    В. СИЛЬЧЕНКО, с. Викулово, Тюменская обл.


    SuperMax
    Монитор 6105 - "колокольчик"

    SuperMax
    отсюда http://www.phantom.sannata.ru/forum/index....iew&o=&st=0

    Попал в руки монитор МС6105 "колокольчик" с интересными внутренностями:
    - установлена труба 31ЛК3Б, а не 31ЛМ10Б,
    - схема на ТВС+ умножитель, а не ТДКС-8,
    - в кадровой не используется 174ГЛ1, сделано на рассыпухе,
    - синхроселектор на А255DS,
    - радиаторы - цельнометаллические пластины "по полкило" и т.д.

    Никаких опознавательных знаков на модификацию и год выпуска нет.
    Только надпись "Электроника". Судя по датам на деталях (87-88), выпущен в этих же годах.
    По словам предыдущего хозяина шел в составе ЕС-1841.

    Нажмите для просмотра прикрепленного файла
    Нажмите для просмотра прикрепленного файла
    Нажмите для просмотра прикрепленного файла
    Нажмите для просмотра прикрепленного файла
    Нажмите для просмотра прикрепленного файла
    Нажмите для просмотра прикрепленного файла
    Нажмите для просмотра прикрепленного файла
    Нажмите для просмотра прикрепленного файла
    Нажмите для просмотра прикрепленного файла
    Нажмите для просмотра прикрепленного файла
    Нажмите для просмотра прикрепленного файла
    SuperMax
    Для мониторов
    Электроника МС 6105.05
    Электроника МС 6105.08
    Электроника МС 6105.13
    Электроника МС 6105.14
    Электроника МС 6105.15
    Электроника МС 6105.16

    мог использоваться внешний блок питания
    Электроника Д2-36 или Электроника Д2-36-01

    схемы вот тут
    схемы блоков питания Электроника Д2-36 / Д2-36-01

    Это текстовая версия — только основной контент. Для просмотра полной версии этой страницы, пожалуйста, нажмите сюда.
    Русская версия Invision Power Board © 2001-2026 Invision Power Services, Inc.